Cos'è ElectroYou | Login Iscriviti

ElectroYou - la comunità dei professionisti del mondo elettrico

scollegamento a batteria scarica

Elettronica lineare e digitale: didattica ed applicazioni

Moderatori: Foto Utentecarloc, Foto Utenteg.schgor, Foto UtenteBrunoValente, Foto UtenteIsidoroKZ

0
voti

[1] scollegamento a batteria scarica

Messaggioda Foto Utentedrinu » 1 dic 2014, 20:20

Ciao a tutti, ho realizzato un piccolo circuito con un PIC che simula una candela, alimentato con una batteria 8,4V nimh poi stabilizzati a 5V.
Vorrei realizzare un circuito che mi scollega la batteria quando scende a circa 7V per non rovinarla se me la dimentico collegata.
Il circuito della candela assorbe 25mA e il circuito salva batteria ne assorbe 50mA da solo e chiedo a voi se è possibile abbassare questo assorbimento, insomma così com'è la batteria dura poco!
Potrei mettere un buzzer quando la batteria è scarica ma mi piace di più il fatto che si stacchi l' alimentazione.
Posto quello che ho fatto, una volta mi venivano meglio gli schemi con fidocad.
Grazie! :D
Avatar utente
Foto Utentedrinu
143 1 3 7
Stabilizzato
Stabilizzato
 
Messaggi: 473
Iscritto il: 29 mar 2007, 19:59

0
voti

[2] Re: scollegamento a batteria scarica

Messaggioda Foto UtenteGiudiceDiPace » 1 dic 2014, 20:35

Ma scusa ... hai un PIC (non dici quale ma anche il peggiore ha l'AD converter) e mi vai a mettere un comparatore analogico a parte .... ? Fai fare tutto al PIC, no ?

Per ridurre i consumi occorre centellinare la corrente alzando le impedenze in gioco; es. in quel circuito alzando a diverse decine di kohm quella che oggi è la 100 ohm ...
Anche se dopo dovrai far i conti con la non precisa Vz dello Zener causa scarsa polarizzazione ...
Insomma: usa il PIC
Sicuro del transistor ?

DiPaceGiudice
Avatar utente
Foto UtenteGiudiceDiPace
587 5
Utente disattivato per decisione dell'amministrazione proprietaria del sito
 
Messaggi: 171
Iscritto il: 17 mag 2014, 8:47

0
voti

[3] Re: scollegamento a batteria scarica

Messaggioda Foto Utentedrinu » 1 dic 2014, 20:49

In effetti hai ragione, il PIC è un 12f683 a 8 piedini, il fatto è che il circuito è gia costruito e vecchio e non trovo più il software, non ho più windows installato e non posso usare la mia scheda di sviluppo. Ci lavorerò su!
L'npn così com'è suona male lo so, ma l'ho testato un'oretta e funziona...
Avatar utente
Foto Utentedrinu
143 1 3 7
Stabilizzato
Stabilizzato
 
Messaggi: 473
Iscritto il: 29 mar 2007, 19:59

0
voti

[4] Re: scollegamento a batteria scarica

Messaggioda Foto Utentealdofad » 1 dic 2014, 20:55

Concordo con la risposta precedente, fai tutto con il micro.
Aggiungo che devi evitare di lasciare il micro attaccato o ti esaurisce la batteria. Se il micro lo consente puoi risparmiare molto con ibernazione e un timer di risveglio a intervalli. Puoi usare tranquillamente partitori di tensioni sull'ordine dei 10MOhm andando fuori datasheet per questo uso.
Avatar utente
Foto Utentealdofad
853 4 5
Sostenitore
Sostenitore
 
Messaggi: 689
Iscritto il: 21 gen 2014, 1:07
Località: Treviso

0
voti

[5] Re: scollegamento a batteria scarica

Messaggioda Foto Utentedrinu » 1 dic 2014, 21:33

Ho capito. qual è lo scopo del partitore con resistenze così alte?
Avatar utente
Foto Utentedrinu
143 1 3 7
Stabilizzato
Stabilizzato
 
Messaggi: 473
Iscritto il: 29 mar 2007, 19:59

0
voti

[6] Re: scollegamento a batteria scarica

Messaggioda Foto Utentealdofad » 1 dic 2014, 21:34

drinu ha scritto:Ho capito. qual è lo scopo del partitore con resistenze così alte?

drenare meno corrente possibile dalla batteria per la misura, importante specialmente se lasci sempre attaccato il circuito di misura
Avatar utente
Foto Utentealdofad
853 4 5
Sostenitore
Sostenitore
 
Messaggi: 689
Iscritto il: 21 gen 2014, 1:07
Località: Treviso

0
voti

[7] Re: scollegamento a batteria scarica

Messaggioda Foto Utentedrinu » 3 dic 2014, 17:54

Ho trovato questa soluzione senza mettere mano al software, magari un giorno ci provo...

http://www.webalice.it/crapellavittorio ... f_volt.htm

Grazie a tutti! O_/
Avatar utente
Foto Utentedrinu
143 1 3 7
Stabilizzato
Stabilizzato
 
Messaggi: 473
Iscritto il: 29 mar 2007, 19:59

0
voti

[8] Re: scollegamento a batteria scarica

Messaggioda Foto UtentePixy » 3 dic 2014, 21:44

ciao drinu

quello che desideri fare, è fattibile anche in modo più semplice e anche con i componenti che già hai.
LM358 lo zener da 5,1 V e il BJT NPN e con assorbimento minimo

più tardi penso di avere un minuto e ti posto lo schema, così se lo riterrai utile , lo puoi realizzare

P.S. senza togliere niente al bravissimo Vittorio e ai suoi schemi veramente belli
Avatar utente
Foto UtentePixy
559 2 7
Expert EY
Expert EY
 
Messaggi: 478
Iscritto il: 20 nov 2012, 20:14

0
voti

[9] Re: scollegamento a batteria scarica

Messaggioda Foto UtentePixy » 4 dic 2014, 0:47

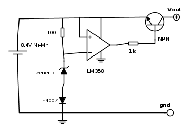
Con i componenti che hai LM358 e lo zener da 5,1V, + il NPN puoi realizzare questo schema. ( hai bisogno però anche di un trimmer da 22k )
Immagine

ho immaginato che per stabilizzare la tensione dei 5 V tu faccia uso di un 7805

Quello che devi fare è, misurare quando sull' uscita del operazionale ci sono 7 V ( probabilmente, la batteria sarà leggermente più carica perché l'uscita sarà leggermente più bassa ) e muovere il trimmer fino a che sul punto D ( l' entrata non invertente ) ci sono 5,1 V ( o comunque lo stesso potenziale che assume lo zener sul pin invertente ).

In questo modo, quando il pin 3 raggiungerà il potenziale del pin 2 ( e questo lo farà appunto a batteria scarica intorno ai 7 V ) l' uscita dell' operazionale si porterà istantaneamente a zero a causa della reazione positiva e non si porterà più a livello alto nemmeno se la batteria alzasse la sua tensione a causa del mancato carico ( anzi nemmeno se la batteria tornasse totalmente carica )
Infatti, una volta ricaricata la batteria, per attivare il circuito e mandare tensione all' entrata del 7805, devi premere per un attimo il pulsante P ( questo è l' unico piccolo inconveniente )
Ma non si poteva mettere semplicemente un partitore fra positivo e negativo collegato al pin non invertente, perché l' uscita dell' operazionale sarebbe andata bassa piano piano mandando il BJT in zona lineare per molto tempo , abbassando la tensione all' entrata del 7805 e di conseguenza abbassando la tensione dei 5 V in uscita

Non dovrebbero servire nessun altro accorgimento ( tipo un diodo in serie alla base del BJT ) visto che l' assorbimento dell operazionale è molto basso

Ho immaginato un BC337 o simili, se così non fosse e il BJT fosse di potenza leggermente superiore, forse devi abbassare il valore della resistenza di base
Il circuito , come puoi immaginare, assorbirà pochi mA

P.S. nello schema manca l' alimentazione del LM358

spero che funzioni , ma penso di si... O_/

edit:

Forse, dovrai far staccare la batteria già a 7,5 V perché, la tensione che va all' entrata del 7805 è la tensione minima all' uscita dell' operazionale, meno circa 0,8 V.
comunque prova a vedere fino a quale valore in entrata al 7805, tiene la tensione costante di 5 V in uscita
Avatar utente
Foto UtentePixy
559 2 7
Expert EY
Expert EY
 
Messaggi: 478
Iscritto il: 20 nov 2012, 20:14


Torna a Elettronica generale

Chi c’è in linea

Visitano il forum: Nessuno e 119 ospiti