Salve a tutti,
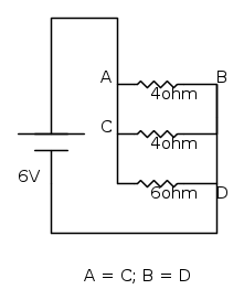
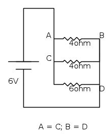
Sto cercando di risolvere questo banale circuito, le resistenze sono in parallelo ma non capisco la seconda non dovrebbe essere in seri con la prima?
Circuito in parallelo o in serie?
Moderatori:
g.schgor,
IsidoroKZ
5 messaggi
• Pagina 1 di 1
-1
voti
Ultima modifica di
Lele_u_biddrazzu il 10 dic 2014, 0:45, modificato 1 volta in totale.
Motivazione: Immagine inserita in linea con il testo... la prossima volta non saranno ammesse ulteriori fotografie di circuiti! Usa fidocadj ;)
Motivazione: Immagine inserita in linea con il testo... la prossima volta non saranno ammesse ulteriori fotografie di circuiti! Usa fidocadj ;)
-

Giovanni96
121 1 9 - New entry

- Messaggi: 55
- Iscritto il: 25 ago 2012, 15:24
1
voti
Giovanni96 ha scritto:le resistenze sono in parallelo
Quali?
Giovanni96 ha scritto:...ma non capisco la seconda non dovrebbe essere in seri con la prima?
La seconda e la prima quali sarebbero?
Fai una cosa..fai lo schema in FidoCadJ, e ne riparliamo
-1
voti
Grazie per le risposte la prima è quella che va da A a B la seconda segue immediatamente. Ho provato a indicare i
le direzioni della corrente. .
le direzioni della corrente. .
Ultima modifica di
Lele_u_biddrazzu il 10 dic 2014, 0:46, modificato 1 volta in totale.
Motivazione: Immagine rimossa...
Motivazione: Immagine rimossa...
-

Giovanni96
121 1 9 - New entry

- Messaggi: 55
- Iscritto il: 25 ago 2012, 15:24
3
voti
Ho ricostruito lo stesso circuito su FidoCadJ ma con i componenti disposti in modo differente
I nodi A e C come i nodi B e D sono riconducibili a due nodi
Spero sono riuscito a chiarirti le idee
I nodi A e C come i nodi B e D sono riconducibili a due nodi
Spero sono riuscito a chiarirti le idee
-

danielepower
597 4 6 - Sostenitore

- Messaggi: 515
- Iscritto il: 6 dic 2014, 17:58
5 messaggi
• Pagina 1 di 1
Torna a Elettrotecnica generale
Chi c’è in linea
Visitano il forum: Nessuno e 99 ospiti

Elettrotecnica e non solo (admin)
Un gatto tra gli elettroni (IsidoroKZ)
Esperienza e simulazioni (g.schgor)
Moleskine di un idraulico (RenzoDF)
Il Blog di ElectroYou (webmaster)
Idee microcontrollate (TardoFreak)
PICcoli grandi PICMicro (Paolino)
Il blog elettrico di carloc (carloc)
DirtEYblooog (dirtydeeds)
Di tutto... un po' (jordan20)
AK47 (lillo)
Esperienze elettroniche (marco438)
Telecomunicazioni musicali (clavicordo)
Automazione ed Elettronica (gustavo)
Direttive per la sicurezza (ErnestoCappelletti)
EYnfo dall'Alaska (mir)
Apriamo il quadro! (attilio)
H7-25 (asdf)
Passione Elettrica (massimob)
Elettroni a spasso (guidob)
Bloguerra (guerra)


