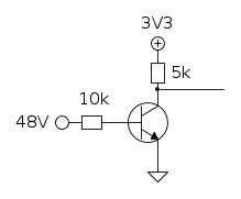
salve a tutti ho l'esigenza di contare degli impulsi della durata di 50ms con un microprocessore che lavora a 3.3V, che circuito mi consigliate? avevo pensato a un fotoaccoppiatore ma dai datasheet mi sto rendendo conto che questi sono realizzati per funzionare "al contrario", ossi l'ingresso è a tensione minore dell'uscita, sbaglio? oppure con un partitore e con una semplice resistenza sull'anodo del diodo posso tranquillamente lavorarci?
ad esempio avevo visto questo:
http://optoelectronics.liteon.com/uploa ... 130925.pdf
grazie mille
leggere impulsi da 48V con uP
Moderatori:
carloc,
g.schgor,
BrunoValente,
IsidoroKZ
8 messaggi
• Pagina 1 di 1
0
voti
ciao, grazie per la risposta, con il fotoaccoppiatore ho il vantaggio di separare i due circuiti, la 5V è messa nello schema di prova, ho provato anche a simulare con 3.3V e funziona
1
voti
8 messaggi
• Pagina 1 di 1
Chi c’è in linea
Visitano il forum: Nessuno e 55 ospiti

Elettrotecnica e non solo (admin)
Un gatto tra gli elettroni (IsidoroKZ)
Esperienza e simulazioni (g.schgor)
Moleskine di un idraulico (RenzoDF)
Il Blog di ElectroYou (webmaster)
Idee microcontrollate (TardoFreak)
PICcoli grandi PICMicro (Paolino)
Il blog elettrico di carloc (carloc)
DirtEYblooog (dirtydeeds)
Di tutto... un po' (jordan20)
AK47 (lillo)
Esperienze elettroniche (marco438)
Telecomunicazioni musicali (clavicordo)
Automazione ed Elettronica (gustavo)
Direttive per la sicurezza (ErnestoCappelletti)
EYnfo dall'Alaska (mir)
Apriamo il quadro! (attilio)
H7-25 (asdf)
Passione Elettrica (massimob)
Elettroni a spasso (guidob)
Bloguerra (guerra)


