Ma quanti sono questi led e di che tipo?
Forse i transistor non servono nemmeno, se devono accendersi alternativamente.
P.S. Metti lo schema in FidoCadJ, cosi' si puo' correggere e/o modificare; se non sai come si fa, leggi le regole del forum.
Pilotaggio NPN
Moderatori:
carloc,
g.schgor,
BrunoValente,
IsidoroKZ
31 messaggi
• Pagina 2 di 4 • 1, 2, 3, 4
0
voti
[12] Re: Pilotaggio NPN
Il buzzer è meglio se lo metti in parallelo alla serie di led+res di limitazione, o anche direttamente all'uscita dell'NE555
-

AlbertoBianchi
2.009 3 5 - Master

- Messaggi: 836
- Iscritto il: 4 dic 2014, 18:30
- Località: Lastra a Signa (FI)
0
voti
[13] Re: Pilotaggio NPN
MARCO VARONE ha scritto:Mi potresti spiegare perché?
EDIT:
Il caso di destra è possibile in zona attiva inversa, ma direi che non è il tuo caso.
0
voti
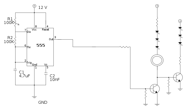
[14] Re: Pilotaggio NPN
Ciao,
questo è lo schema secondo il consiglio di simo, che mi va anche bene, ma non capisco: secondo me la prima serie di led sta sempre accesa attraverso la base del secondo transistor...
I led sono led da 1,6V 20ma.
Grazie a tutti
questo è lo schema secondo il consiglio di simo, che mi va anche bene, ma non capisco: secondo me la prima serie di led sta sempre accesa attraverso la base del secondo transistor...
I led sono led da 1,6V 20ma.
Grazie a tutti
Ultima modifica di
marco438 il 18 dic 2014, 15:04, modificato 1 volta in totale.
Motivazione: Inserito schema FidoCadJ . Perche' non leggi le regole del forum?
Motivazione: Inserito schema FidoCadJ . Perche' non leggi le regole del forum?
-

MARCO VARONE
10 3 - New entry

- Messaggi: 51
- Iscritto il: 2 ago 2007, 9:10
2
voti
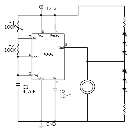
[16] Re: Pilotaggio NPN
Dato che l'uscita dell' NE fornosce in sink e source fino a 200mA
potresti anche non usare transistor (se basta questa corrente)
A.
potresti anche non usare transistor (se basta questa corrente)
A.
-

AlbertoBianchi
2.009 3 5 - Master

- Messaggi: 836
- Iscritto il: 4 dic 2014, 18:30
- Località: Lastra a Signa (FI)
0
voti
[17] Re: Pilotaggio NPN
Sinceramente non lo so: sono di recupero. Ti posso dire che i led sono di quelli trasparenti da 5mm che fanno luce rossa, e il buzzer è di quelli con l'oscillatore (a 12V conituna suonano, senza bisogno di un oscillatore apposta): quindi una volta alimentato, suona continuamente, e assorbe circa 10mA
Grazie
Grazie
-

MARCO VARONE
10 3 - New entry

- Messaggi: 51
- Iscritto il: 2 ago 2007, 9:10
0
voti
[18] Re: Pilotaggio NPN
Grazie, sicuramente è molto piu intelligente come mi hai fatto vedere tu...comunque secondo lo schema che avevo allegato prima, perché i led dovrebbero spegnersi sul primo npn?
Solo per capire...
grazie
Solo per capire...
grazie
-

MARCO VARONE
10 3 - New entry

- Messaggi: 51
- Iscritto il: 2 ago 2007, 9:10
0
voti
[19] Re: Pilotaggio NPN
AlbertoBianchi ha scritto:Dato che l'uscita dell' NE fornosce in sink e source fino a 200mA
potresti anche non usare transistor (se basta questa corrente)
Lo avevo suggerito in precedenza (post 11) ma pare che nessuno abbia recepito.
marco
0
voti
[20] Re: Pilotaggio NPN
marco438 ha scritto:Lo avevo suggerito in precedenza (post 11) ma pare che nessuno abbia recepito.
Scusami se non ti ho citato come fonte di ispirazione, ma con la fretta di andare a pranzo, non riucivo a ritrovare il post giusto da citare.
A.
-

AlbertoBianchi
2.009 3 5 - Master

- Messaggi: 836
- Iscritto il: 4 dic 2014, 18:30
- Località: Lastra a Signa (FI)
31 messaggi
• Pagina 2 di 4 • 1, 2, 3, 4
Chi c’è in linea
Visitano il forum: Nessuno e 424 ospiti

Elettrotecnica e non solo (admin)
Un gatto tra gli elettroni (IsidoroKZ)
Esperienza e simulazioni (g.schgor)
Moleskine di un idraulico (RenzoDF)
Il Blog di ElectroYou (webmaster)
Idee microcontrollate (TardoFreak)
PICcoli grandi PICMicro (Paolino)
Il blog elettrico di carloc (carloc)
DirtEYblooog (dirtydeeds)
Di tutto... un po' (jordan20)
AK47 (lillo)
Esperienze elettroniche (marco438)
Telecomunicazioni musicali (clavicordo)
Automazione ed Elettronica (gustavo)
Direttive per la sicurezza (ErnestoCappelletti)
EYnfo dall'Alaska (mir)
Apriamo il quadro! (attilio)
H7-25 (asdf)
Passione Elettrica (massimob)
Elettroni a spasso (guidob)
Bloguerra (guerra)




