Cos'è ElectroYou | Login Iscriviti

ElectroYou - la comunità dei professionisti del mondo elettrico

Circuito Semplice

Circuiti, campi elettromagnetici e teoria delle linee di trasmissione e distribuzione dell’energia elettrica

Moderatori: Foto Utenteg.schgor, Foto UtenteIsidoroKZ

0
voti

[1] Circuito Semplice

Messaggioda Foto Utentemarcoh » 3 gen 2015, 18:13

Salve :D :D
Non riesco a capire una cosa.
In regime sinusoidale ho calcolato l'impedenza totale delle componenti e ho risolto l'esercizio. Adesso come posso calcolarmi le correnti e le tensioni per ogni componente del circuito se le ho riunite sotto un'unica impedenza?
Speri di essere stato chiaro. GRazie in anticipo!! :D :D
Avatar utente
Foto Utentemarcoh
8 3
 
Messaggi: 13
Iscritto il: 2 gen 2015, 14:13

1
voti

[2] Re: Circuito Semplice

Messaggioda Foto Utentegotthard » 3 gen 2015, 18:20

Prova a fare un disegno in FidoCadJ della situazione in cui ti trovi :ok:

PS: per il titolo ti saresti anche potuto sforzare un po' di più :?
...\frac{\mathrm{d} p}{\mathrm{d} t}=JCM... :!:
Avatar utente
Foto Utentegotthard
4.611 2 5 9
Expert EY
Expert EY
 
Messaggi: 1357
Iscritto il: 5 lug 2013, 14:01

0
voti

[3] Re: Circuito Semplice

Messaggioda Foto Utentemarcoh » 3 gen 2015, 18:39



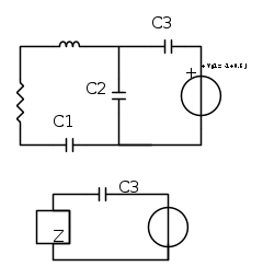
Vg1=-1+0.5j
R=0.5
C1=0.333
C3=L=1
C2=0.5
Allora io ho calcolato l'impedenza e mi viene z= 1, poi trovo per la legge di Kirchhoff iC3=ig1=-1, ma per le correnti di C2, C1, L ed R come faccio??
Avatar utente
Foto Utentemarcoh
8 3
 
Messaggi: 13
Iscritto il: 2 gen 2015, 14:13

0
voti

[4] Re: Circuito Semplice

Messaggioda Foto Utentegotthard » 3 gen 2015, 21:17

Foto Utentemarcoh, sorvolo sul tuo poco impegno nello scrivere le formule e nel disegno :?

Comunque, mai sentito parlare di partitore di corrente (e di unità di misura ](*,) ) ?
...\frac{\mathrm{d} p}{\mathrm{d} t}=JCM... :!:
Avatar utente
Foto Utentegotthard
4.611 2 5 9
Expert EY
Expert EY
 
Messaggi: 1357
Iscritto il: 5 lug 2013, 14:01

2
voti

[5] Re: Circuito Semplice

Messaggioda Foto Utentenunziato » 4 gen 2015, 11:10

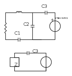
Condividendo le considerazionei di Foto Utentegotthard, Foto Utentemarcoh osserva i due circuiti sottostanti.

Prova a calcolare le impedenze e considera che, ovviamente, Z1 e Z2 sono i parallelo e Z3 è in serie col parallelo.
Da questo dovrebbe essere semplice calcolare le correnti e le tensioni: Legge di Ohm e Partitore di Corrente.
:D
Avatar utente
Foto Utentenunziato
4.291 3 9 12
Master EY
Master EY
 
Messaggi: 531
Iscritto il: 14 dic 2012, 23:14
Località: Acri (CS) - Polistena (RC)

0
voti

[6] Re: Circuito Semplice

Messaggioda Foto Utentemarcoh » 4 gen 2015, 12:20

Salve,
Foto Utentegotthard il mio problema, forse mi sono spiegato male, non era capire che fosse un partitore di corrente.Per quanto riguarda le unità di misura hai ragione ma credo che il testo dal quale le ho prese non le metta in quanto le dà direttamente in regime sinusoidale, non so se può essere questa la spiegazione.
Per quanto riguarda gli schemi invece, non sarenno esteticamente bellissimi come quelli che siete abituati a vedere in questo forum, ma come prima volta, dopo averci messo anche un po' di tempo, credo possa andare bene e vi chiedo di apprezzare l'impegno per una volta! ;-)
Foto Utentenunziato grazie, Proverò a fare come dici!
O_/ O_/ O_/
Avatar utente
Foto Utentemarcoh
8 3
 
Messaggi: 13
Iscritto il: 2 gen 2015, 14:13

4
voti

[7] Re: Circuito Semplice

Messaggioda Foto UtentePietroBaima » 4 gen 2015, 13:05

Foto Utentemarcoh, vedi, quando ti si chiede di fare uno schema e un post con più impegno NON ti viene richiesto di fare uno schema esteticamente più bello, ma uno schema che riporti TUTTI i nomi dei componenti, che sia comprensibile, magari ponendo una domanda (per volta) comprensibile e dettagliata in ogni sua parte.

Il fatto di avere uno schema esteticamente bello richiede alcune accortezze, ma questo non è certamente ciò che viene richiesto a tutti. Lo fa chi ama dare un tocco estetico ai propri schemi.

Certamente chiunque, qui, è in grado di capire l'impegno, essendo stato a sua volta un principiante, anche se molto tempo fa.

Detto questo, sappi che non mi è ancora completamente chiara la tua richiesta, ma provo ad interpretare.

Quando tu trasformi un circuito in un altro equivalente e perdi la grandezza che vuoi calcolare... questa non è calcolabile dal secondo circuito :D , ma tutte le altre grandezze sì e ciò che veramente è importante è che tutte le grandezze presenti contemporaneamente nei due circuiti sono uguali.
Ti faccio un esempio, ricorrendo al tuo circuito e rapinando gli schemi di Foto Utentenunziato:



Se faccio l'equivalente serie di R1,L1,C1 e lo chiamo Z1 posso calcolare la tensione e la corrente su Z1, ma non più la tensione su R1, per esempio.

Quello che so, però, è che la corrente I1 nel primo circuito e la I1 nel secondo sono la stessa, essendo i circuiti equivalenti.
Quindi posso scrivere che V_R=R \cdot I_1

Analogamente procedo per tutte le altre grandezze che sono "sparite" semplificando lo schema.

Spero di aver risposto alla domanda.

Ciao,
Pietro.
Generatore codice per articoli:
nomi
Sul forum:
[pigreco]=π
[ohm]=Ω
[quadrato]=²
[cubo]=³
Avatar utente
Foto UtentePietroBaima
90,7k 7 12 13
G.Master EY
G.Master EY
 
Messaggi: 12206
Iscritto il: 12 ago 2012, 1:20
Località: Londra

0
voti

[8] Re: Circuito Semplice

Messaggioda Foto Utentemarcoh » 4 gen 2015, 13:17

Quindi se un esercizio chiede i valori di tensione e corrente per ogni componente non è conveniente calcolarne l'impedenza totale, giusto?
Avatar utente
Foto Utentemarcoh
8 3
 
Messaggi: 13
Iscritto il: 2 gen 2015, 14:13

1
voti

[9] Re: Circuito Semplice

Messaggioda Foto UtentePietroBaima » 4 gen 2015, 14:55

dipende dal problema. Spesso mi calcolo impedenze equivalenti per avere tensioni o correnti ad hoc in qualche punto del circuito e poi applico partitori.
Dipende da quello che devi fare.
Generatore codice per articoli:
nomi
Sul forum:
[pigreco]=π
[ohm]=Ω
[quadrato]=²
[cubo]=³
Avatar utente
Foto UtentePietroBaima
90,7k 7 12 13
G.Master EY
G.Master EY
 
Messaggi: 12206
Iscritto il: 12 ago 2012, 1:20
Località: Londra

0
voti

[10] Re: Circuito Semplice

Messaggioda Foto Utentemarcoh » 6 gen 2015, 10:51

grazie :D :D :D
Avatar utente
Foto Utentemarcoh
8 3
 
Messaggi: 13
Iscritto il: 2 gen 2015, 14:13


Torna a Elettrotecnica generale

Chi c’è in linea

Visitano il forum: Nessuno e 41 ospiti