Cos'è ElectroYou | Login Iscriviti

ElectroYou - la comunità dei professionisti del mondo elettrico

Sovrapposizione degli effetti

Circuiti, campi elettromagnetici e teoria delle linee di trasmissione e distribuzione dell’energia elettrica

Moderatori: Foto Utenteg.schgor, Foto UtenteIsidoroKZ

0
voti

[1] Sovrapposizione degli effetti

Messaggioda Foto Utentemarcoh » 6 gen 2015, 11:24

Salve a tutti :D :D
Ho un problema con questo circuito

Io ho annullato prima il generatore costante e poi quello sinusoidale, non considerando in quest'ultimo caso conduttanze ed induttanze. Ho poi sommato il risultati ottenuti, ma deve esserci qualcosa di sbagliato. Qualcuno può aiutarmi a capire dove sbaglio?
Grazie in anticipo!
Avatar utente
Foto Utentemarcoh
8 3
 
Messaggi: 13
Iscritto il: 2 gen 2015, 14:13

0
voti

[2] Re: Sovrapposizione degli effetti

Messaggioda Foto Utentemrc » 6 gen 2015, 11:59

Ciao Foto Utentemarcoh.

marcoh ha scritto:...ma deve esserci qualcosa di sbagliato....

Riporta, utilizzando latex, i vari passaggi che hai effettuato per arrivare alla conclusione che dici.
In questo modo faciliti le risposte al tuo dubbio.

Al seguente link trovi una guida all' uso di latex:

http://www.electroyou.it/mrc/wiki/intro ... o-di-latex
Avatar utente
Foto Utentemrc
10,5k 6 11 13
Expert EY
Expert EY
 
Messaggi: 4023
Iscritto il: 16 apr 2009, 9:32

0
voti

[3] Re: Sovrapposizione degli effetti

Messaggioda Foto Utentemarcoh » 6 gen 2015, 12:33

1) Spengo il generatore costante.
Calcolo prima il parallelo tra resistore ed induttore z=\frac{j\omega L\cdot R}{j\omega L+R}= \frac{2j\cdot 1}{2j+1}=\frac{4}{5}+\frac{2j}{5}
Poi calcolo la corrente che scorre nel circuito

i(\frac{1}{j\omega C}+z)=Vg2

i(-j+4/5+2/5j)=2j

Quindi i=-\frac{14}{13} +\frac{8j}{13}A

2) Spengo il generatore sinusoidale
Il circuito ottenuto è costituito solo dal generatore 1 dal resistore dunque:
iR=Vg1
i=-3A

3) Sommo i risulati e ottengo i=-\frac{53}{13}+\frac{8j}{13}, dove sbaglio? :(
Avatar utente
Foto Utentemarcoh
8 3
 
Messaggi: 13
Iscritto il: 2 gen 2015, 14:13

0
voti

[4] Re: Sovrapposizione degli effetti

Messaggioda Foto UtenteFilippoKK » 6 gen 2015, 13:24

Ciao, allora come prima cosa mi sorge un dubbio, sicuro che non siano entrambi sinusoidali i generatori? Mi sembra strano un circuito di questo tipo. Oltretutto non so che convenzione grafica utilizzate per i generatori ma, con quel simbolo, si indicano comunque solo generatori in corrente continua.
Forse fai confusione con il fatto che un generatore eroga una tensione reale e l'altro immaginaria.
Ma questo non vuol dire che uno eroghi corrente continua e l'altro sinusoidale, vuol dire che uno eroga potenza attiva e l'altro reattiva, correggetemi se sbaglio.
Bè facci sapere..
Avatar utente
Foto UtenteFilippoKK
23 3
New entry
New entry
 
Messaggi: 63
Iscritto il: 5 gen 2015, 17:38

0
voti

[5] Re: Sovrapposizione degli effetti

Messaggioda Foto Utenteyustel » 6 gen 2015, 13:51

Foto Utentemarcoh: ma sei sicuro che quel generatore sia costante e non anche lui sinusoidale? La tua risoluzione, con le considerazioni che hai fatto mi sembra corretta se non fosse per l'ultimo passaggio. Stai sommando una corrente continua con una sinusoidale, il risultato sembra essere una sinusoide... mi sa che qualcosa non torna :)
Intuitivamente se vai a sommare una corrente continua con una alternata ottieni una sinusoide con un offset, non una sinusoide.

Foto UtenteFilippoKK: In realtà si tende ad usare lo stesso simbolo anche per generatori sinusoidali. Il fatto che come tensione sia presente un numero complesso significa che stiamo usando dei fasori e di conseguenza le tensioni devono assolutamente essere sinusoidali, altrimenti non si può definire il fasore.
Il fatto che la tensione sia associata ad un numero fasore puramente complesso non implica che il generatore eroghi solo potenza complessa, se la corrente che esso eroga e anche lei puramente complessa le grandezze tensione/corrente sono in fase tra loro e la potenza reattiva è nulla.

La potenza reattiva, inoltre, è definità in regime sinusoidale. Una tensione continua dissipa solo potenza attiva.
Erwin Schrödinger forse è stato qui.
Avatar utente
Foto Utenteyustel
173 4
New entry
New entry
 
Messaggi: 92
Iscritto il: 22 feb 2010, 18:30

2
voti

[6] Re: Sovrapposizione degli effetti

Messaggioda Foto Utentenunziato » 6 gen 2015, 18:10

Foto Utentemarcoh ritengo che entrambi i generatori siano sinusoidali e che le fem di questi siano, scritti in forma polare:
V_{g1}=\left [ 3 \ V\right \angle 180^{\circ}]

V_{g2}=\left [ 2 \ V \right \angle 90^{\circ}].

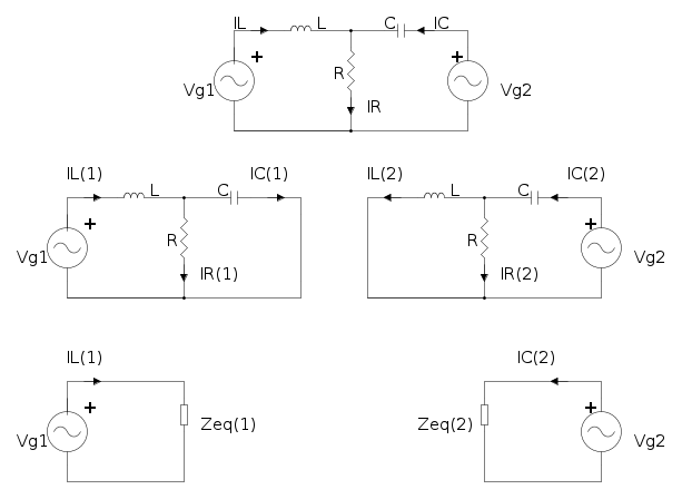
Ciò premesso noto che la correnti calcolata nel caso dello spegnimento di V_{g1} non è quella circolante nella resistenza, mentre quella circolante nel secondo caso, secondo le tue considerazioni, si.
Ti invito a dare un'occhiata ai seguenti schemi:

nel primo caso hai calcolato la IC(2), nel secondo la IL(1)
Avatar utente
Foto Utentenunziato
4.291 3 9 12
Master EY
Master EY
 
Messaggi: 531
Iscritto il: 14 dic 2012, 23:14
Località: Acri (CS) - Polistena (RC)

0
voti

[7] Re: Sovrapposizione degli effetti

Messaggioda Foto UtentePixy » 7 gen 2015, 1:07

Scusate se mi intrometto, ma sono così tanti anni che non faccio questi conti di elettrotecnica , che la cosa mi ha invitato.
Non voglio creare confusione però in quanto sono arrugginito :)

Ma nel calcolo di Foto Utentemarcoh, a mio avviso ci sono degli errori già nella sezione alimentata dal generatore 2J e cortocircuitato quello in continua.

Scusate se non uso LaTex per scrivere

Il calcolo del parallelo fra Induttanza e Resistenza anche a me torna 4/5 + J 2/5

Dopodiché è consigliato fare la serie di questo parallelo con il condensatore è il risultato a me torna:

4/5 - J 3/5

ed è plausibile, perché la serie ha carattere capacitivo in quanto il parallelo fra L e R in modulo è minore del modulo della capacità ( infatti è 0,89 mentre C è uguale a 1 )

A questo punto si può calcolare la corrente che a me torna

I = 6/5 + J 8/5

e anche qui è plausibile, perché il carattere prevalentemente capacitivo del circuito indica una corrente in anticipo alla tensione perciò +J e poi una componente in fase con la tensione

non so se a voi torna così la prima parte cioè quella considerando il solo generatore 2J

Al limite, se necessario, domani con calma la scrivo in LaTex

O_/

e scusate se mi sono intromesso in questo stato di "ruggine" e forse ho anche sbagliato :)
Avatar utente
Foto UtentePixy
559 2 7
Expert EY
Expert EY
 
Messaggi: 478
Iscritto il: 20 nov 2012, 20:14

0
voti

[8] Re: Sovrapposizione degli effetti

Messaggioda Foto Utentemarcoh » 7 gen 2015, 11:16

Vi ringrazio tutti. Il problema come avevate intuito era che entrambi i generatori sono sinusoidali. Adesso mi tornano i conti!
Grazie :ok: :ok: :ok: :D
Avatar utente
Foto Utentemarcoh
8 3
 
Messaggi: 13
Iscritto il: 2 gen 2015, 14:13


Torna a Elettrotecnica generale

Chi c’è in linea

Visitano il forum: Nessuno e 19 ospiti