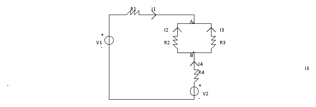
scusate l'ignoranza ma sapete dirmi come calcolare Vab con Millman? so che il teorema dice sommatoria delle correnti diviso sommatoria delle conduttanze ma essendoci due correnti e due generatori nello stesso ramo non so come fare
grazie
Dubbio tensione - teorema di millman
Moderatori:
carloc,
g.schgor,
BrunoValente,
IsidoroKZ
25 messaggi
• Pagina 1 di 3 • 1, 2, 3
0
voti
Cortesemente riuscirebbe a darmi la formula corretta, motivandola se vuole.
Grazie
Grazie
-

LoScienziato
10 4 - New entry

- Messaggi: 87
- Iscritto il: 5 gen 2015, 20:59
0
voti
Secondo me tu conosci un enunciato del teorema di Millman che non è corretto.
"Sommatoria delle correnti di cortocircuito di ogni ramo visibile ai nodi a,b fratto conduttanza equivalente del ramo."
Se vuoi puoi anche staccare il ramo che ti interessa, cortocircuitarlo e calcolare la corrente che scorre nel cortocircuito, per ogni ramo.
Per rendersi conto di questo è sufficiente leggere la dimostrazione del teorema di Millman, che è una applicazione intelligente del teorema di Norton e della KCL.
Prova a rifare l'esercizio, adesso.
"Sommatoria delle correnti di cortocircuito di ogni ramo visibile ai nodi a,b fratto conduttanza equivalente del ramo."
Se vuoi puoi anche staccare il ramo che ti interessa, cortocircuitarlo e calcolare la corrente che scorre nel cortocircuito, per ogni ramo.
Per rendersi conto di questo è sufficiente leggere la dimostrazione del teorema di Millman, che è una applicazione intelligente del teorema di Norton e della KCL.
Prova a rifare l'esercizio, adesso.
-

PietroBaima
90,7k 7 12 13 - G.Master EY

- Messaggi: 12206
- Iscritto il: 12 ago 2012, 1:20
- Località: Londra
0
voti
Preferirei non cortocircuitare rami, ma usare la formula
il denominatore dovrebbe essere così in quanto R1 e R4 sono nello stesso ramo no?
il denominatore dovrebbe essere così in quanto R1 e R4 sono nello stesso ramo no?

Ultima modifica di
LoScienziato il 9 gen 2015, 22:20, modificato 1 volta in totale.
-

LoScienziato
10 4 - New entry

- Messaggi: 87
- Iscritto il: 5 gen 2015, 20:59
0
voti
perché, V1 e V2 risiedono in due rami differenti?
-

PietroBaima
90,7k 7 12 13 - G.Master EY

- Messaggi: 12206
- Iscritto il: 12 ago 2012, 1:20
- Località: Londra
0
voti
no, V1 e V2 sono nello stesso ramo quindi
la formula finale corretta è questa?

la formula finale corretta è questa?

Ultima modifica di
LoScienziato il 9 gen 2015, 22:24, modificato 1 volta in totale.
-

LoScienziato
10 4 - New entry

- Messaggi: 87
- Iscritto il: 5 gen 2015, 20:59
0
voti
numeratore quasi, denominatore no.
-

PietroBaima
90,7k 7 12 13 - G.Master EY

- Messaggi: 12206
- Iscritto il: 12 ago 2012, 1:20
- Località: Londra
0
voti
sisi i'm
, ho scambiato R2 e R4
ho corretto sopra
, ho scambiato R2 e R4ho corretto sopra
-

LoScienziato
10 4 - New entry

- Messaggi: 87
- Iscritto il: 5 gen 2015, 20:59
25 messaggi
• Pagina 1 di 3 • 1, 2, 3
Chi c’è in linea
Visitano il forum: Google Adsense [Bot] e 241 ospiti

Elettrotecnica e non solo (admin)
Un gatto tra gli elettroni (IsidoroKZ)
Esperienza e simulazioni (g.schgor)
Moleskine di un idraulico (RenzoDF)
Il Blog di ElectroYou (webmaster)
Idee microcontrollate (TardoFreak)
PICcoli grandi PICMicro (Paolino)
Il blog elettrico di carloc (carloc)
DirtEYblooog (dirtydeeds)
Di tutto... un po' (jordan20)
AK47 (lillo)
Esperienze elettroniche (marco438)
Telecomunicazioni musicali (clavicordo)
Automazione ed Elettronica (gustavo)
Direttive per la sicurezza (ErnestoCappelletti)
EYnfo dall'Alaska (mir)
Apriamo il quadro! (attilio)
H7-25 (asdf)
Passione Elettrica (massimob)
Elettroni a spasso (guidob)
Bloguerra (guerra)


pigreco]=π