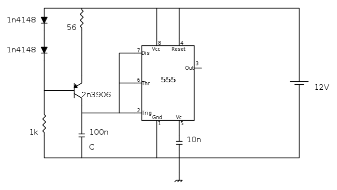
Ho questo schema con un 555 per la generazione di una rampa, che ho montato su breadboard:
Col capacitore C da 100nF (come nello schema) la rampa risultante è abbastanza buona (vedi prima figura qui sotto).
https://dl.dropboxusercontent.com/u/33282416/20150113_192824.jpg
Se invece C lo metto da 1nF (perché voglio una frequenza molto maggiore), la rampa cambia notevolmente di forma come mostrato nella figura seguente:
https://dl.dropboxusercontent.com/u/33282416/20150113_192412.jpg
Sembrerebbe una saturazione del 3906, ma questo problema, con la simulazione con LTSpice, non lo vedo...
Vorrei capire se è solo un problema di breadboard o se c'è qualcosa di sbagliato nello schema (e se si, perché la simulazione funziona meglio), perché vorrei evitare di fare saldature per nulla.
grazie mille,
Fede
Problema con generatore di rampa (sawtooth) con 555
Moderatori:
carloc,
g.schgor,
BrunoValente,
IsidoroKZ
33 messaggi
• Pagina 1 di 4 • 1, 2, 3, 4
4
voti
Le foto scalale e mettile sul sito, sono piu` comode da vedere.
La mia impressione e` che stia cercando di andare troppo in fretta per il 555. Con 1nF di capacita` e circa 12mA di corrente hai una rampa di 12V/us.
Non so di preciso come funziona il 555, ma mi pare che arrivato a 8V dovrebbe chiudere e scaricare. Il 555 ci prova, ma ci mette TANTO tempo (ritardo di propagazione), nel frattempo la tensione sul condensatore sale e il transistore satura. Ho dato uno sguardo rapido al datasheet ma non ho trovato i dati di ritardo.
La mia impressione e` che stia cercando di andare troppo in fretta per il 555. Con 1nF di capacita` e circa 12mA di corrente hai una rampa di 12V/us.
Non so di preciso come funziona il 555, ma mi pare che arrivato a 8V dovrebbe chiudere e scaricare. Il 555 ci prova, ma ci mette TANTO tempo (ritardo di propagazione), nel frattempo la tensione sul condensatore sale e il transistore satura. Ho dato uno sguardo rapido al datasheet ma non ho trovato i dati di ritardo.
Per usare proficuamente un simulatore, bisogna sapere molta più elettronica di lui
Plug it in - it works better!
Il 555 sta all'elettronica come Arduino all'informatica! (entrambi loro malgrado)
Se volete risposte rispondete a tutte le mie domande
Plug it in - it works better!
Il 555 sta all'elettronica come Arduino all'informatica! (entrambi loro malgrado)
Se volete risposte rispondete a tutte le mie domande
1
voti
Ho guardato anche l'LMC555, anch'io direi che siano piu` rapide. Niente dati neanche li`, e il grafico della frequenza come astabile arriva solo, come nel bipolare, fino a 100kHz
Per usare proficuamente un simulatore, bisogna sapere molta più elettronica di lui
Plug it in - it works better!
Il 555 sta all'elettronica come Arduino all'informatica! (entrambi loro malgrado)
Se volete risposte rispondete a tutte le mie domande
Plug it in - it works better!
Il 555 sta all'elettronica come Arduino all'informatica! (entrambi loro malgrado)
Se volete risposte rispondete a tutte le mie domande
0
voti
grazie ragazzi. Isidoro, ma quindi nemmeno l'LMC555 è indicato per la mia applicazione, o ho capito male ? Non c'è nessun altro modo per farsi una generatore di rampa "veloce" fai-da-te ?
grazie,
Fede
grazie,
Fede
-

Federico80
30 5 - New entry

- Messaggi: 54
- Iscritto il: 16 gen 2013, 11:33
- Località: Padova
1
voti
Non ho trovato i dati. Prova 
Per usare proficuamente un simulatore, bisogna sapere molta più elettronica di lui
Plug it in - it works better!
Il 555 sta all'elettronica come Arduino all'informatica! (entrambi loro malgrado)
Se volete risposte rispondete a tutte le mie domande
Plug it in - it works better!
Il 555 sta all'elettronica come Arduino all'informatica! (entrambi loro malgrado)
Se volete risposte rispondete a tutte le mie domande
0
voti
Prova con una roba del genere.
Non l'ho provato, non è detto che funzioni.
Non l'ho provato, non è detto che funzioni.
-

PietroBaima
90,7k 7 12 13 - G.Master EY

- Messaggi: 12206
- Iscritto il: 12 ago 2012, 1:20
- Località: Londra
1
voti
Federico80 ha scritto:Non c'è nessun altro modo per farsi una generatore di rampa "veloce" fai-da-te ?
Dipende quanto veloce. Se ti bastano alcuni MHz puoi consultare EDN che propone per esempio questo circuito.
Ingegneria : alternativa intelligente alla droga.
-

dimaios
30,2k 7 10 12 - G.Master EY

- Messaggi: 3381
- Iscritto il: 24 ago 2010, 14:12
- Località: Behind the scenes
0
voti
Grazie. Per veloce intendo al massimo 1Mhz, e almeno 300kHz. Grazie del link ci guardo...
Fede
Fede
-

Federico80
30 5 - New entry

- Messaggi: 54
- Iscritto il: 16 gen 2013, 11:33
- Località: Padova
0
voti
Non li ho mai usati ma potresti usare un XR2066 o un ICL8038. Sono vecchi come la tosse ma validi.
Su ebay si trovano:
http://www.ebay.com/sch/i.html?_from=R4 ... 6&_sacat=0
http://www.ebay.com/sch/i.html?_from=R4 ... 8&_sacat=0
Per entrambi la alimentazione duale non è obbligatoria. Poi ci sarebbe il (mitico) MAX038 ma richiede alimentazione duale e per pilotarlo ci vuole un circuito di controllo un po' più elaborato rispetto a questi due, stando a vedere i datasheet.

Su ebay si trovano:
http://www.ebay.com/sch/i.html?_from=R4 ... 6&_sacat=0
http://www.ebay.com/sch/i.html?_from=R4 ... 8&_sacat=0
Per entrambi la alimentazione duale non è obbligatoria. Poi ci sarebbe il (mitico) MAX038 ma richiede alimentazione duale e per pilotarlo ci vuole un circuito di controllo un po' più elaborato rispetto a questi due, stando a vedere i datasheet.

33 messaggi
• Pagina 1 di 4 • 1, 2, 3, 4
Chi c’è in linea
Visitano il forum: Nessuno e 256 ospiti

Elettrotecnica e non solo (admin)
Un gatto tra gli elettroni (IsidoroKZ)
Esperienza e simulazioni (g.schgor)
Moleskine di un idraulico (RenzoDF)
Il Blog di ElectroYou (webmaster)
Idee microcontrollate (TardoFreak)
PICcoli grandi PICMicro (Paolino)
Il blog elettrico di carloc (carloc)
DirtEYblooog (dirtydeeds)
Di tutto... un po' (jordan20)
AK47 (lillo)
Esperienze elettroniche (marco438)
Telecomunicazioni musicali (clavicordo)
Automazione ed Elettronica (gustavo)
Direttive per la sicurezza (ErnestoCappelletti)
EYnfo dall'Alaska (mir)
Apriamo il quadro! (attilio)
H7-25 (asdf)
Passione Elettrica (massimob)
Elettroni a spasso (guidob)
Bloguerra (guerra)




pigreco]=π