come da titolo, per un mio progetto, devo pilotare un carico di 1kW tramite dei transistor. Mettiamo subito in conto che di esperienza con i transistor ne ho poca e niente. Il carico che deve pilotare è di tipo resistivo-induttivo (un motore brushless). Il transistor in questione sarà utilizzato con segnale PWM, quindi un'onda rettangolare(?) a tensione fissa. Non mi serve neanche una grande velocità di commutazione, l'importante è che costi poco
Pilotare carico di potenza tramite transistor
Moderatori:
carloc,
g.schgor,
BrunoValente,
IsidoroKZ
15 messaggi
• Pagina 1 di 2 • 1, 2
0
voti
Salve.
come da titolo, per un mio progetto, devo pilotare un carico di 1kW tramite dei transistor. Mettiamo subito in conto che di esperienza con i transistor ne ho poca e niente. Il carico che deve pilotare è di tipo resistivo-induttivo (un motore brushless). Il transistor in questione sarà utilizzato con segnale PWM, quindi un'onda rettangolare(?) a tensione fissa. Non mi serve neanche una grande velocità di commutazione, l'importante è che costi poco
e che sia affidabile dal punto di vista termico. In ogni caso, non avrei grandi difficoltà ad aletto-ventolare il tutto. Avevo pensato all'IRL540N. Il progetto che sto realizzando è una bici elettrica con motore brushless da 1000W.
come da titolo, per un mio progetto, devo pilotare un carico di 1kW tramite dei transistor. Mettiamo subito in conto che di esperienza con i transistor ne ho poca e niente. Il carico che deve pilotare è di tipo resistivo-induttivo (un motore brushless). Il transistor in questione sarà utilizzato con segnale PWM, quindi un'onda rettangolare(?) a tensione fissa. Non mi serve neanche una grande velocità di commutazione, l'importante è che costi poco
-

FeedTheMario
0 3 - Messaggi: 18
- Iscritto il: 5 ott 2013, 21:13
1
voti
FeedTheMario ha scritto: 1kW tramite dei transistor...Il carico che deve pilotare è di tipo resistivo-induttivo (un motore brushless). ... Il progetto che sto realizzando è una bici elettrica con motore brushless da 1000W.
La potenza che hai considerato per il moltore mi sembra un tantino elevata, però potrei sbagliare, ed in attesa di una risposta migliore della mia puoi dare un'occhiatina a questo Articolo:E.B.Ela mia prima bici elettrica
0
voti
Ciao.
Il motore/ruota che utilizzo ce l'ho gia, comprato di occasione per 50€ praticamente nuovo. è siglato 1000w 48v, quindi penso sia da 1kW. comunque per quanto riguarda l'elettronica di controllo, utilizzo 3 ATMega 328P-Pu (sinceramente sprecati) e un cellulare android con relativa app, collegato tramite bluetooth, per visualizzare i dati in tempo reale (%batteria, velocità, temp. motore, temp. MOSFet). Ho previsto uno shutdown termico, uno di emergenza. Inoltre ho previsto due modalità, una per la strada (max 25km/h e PWM limitato al 50%) e una off road, dove il motore può dare il meglio di se (da utilizzare solo in campagna).
Il motore/ruota che utilizzo ce l'ho gia, comprato di occasione per 50€ praticamente nuovo. è siglato 1000w 48v, quindi penso sia da 1kW. comunque per quanto riguarda l'elettronica di controllo, utilizzo 3 ATMega 328P-Pu (sinceramente sprecati) e un cellulare android con relativa app, collegato tramite bluetooth, per visualizzare i dati in tempo reale (%batteria, velocità, temp. motore, temp. MOSFet). Ho previsto uno shutdown termico, uno di emergenza. Inoltre ho previsto due modalità, una per la strada (max 25km/h e PWM limitato al 50%) e una off road, dove il motore può dare il meglio di se (da utilizzare solo in campagna).
-

FeedTheMario
0 3 - Messaggi: 18
- Iscritto il: 5 ott 2013, 21:13
0
voti
Mi sembra che il MOS sia decisamente troppo piccolo. Inoltre il rumore di commutazione puo` disturbare il microcontrollore. Cercherei se ci fosse qualcosa di gia` fatto (e ingegnerizzato).
Per usare proficuamente un simulatore, bisogna sapere molta più elettronica di lui
Plug it in - it works better!
Il 555 sta all'elettronica come Arduino all'informatica! (entrambi loro malgrado)
Se volete risposte rispondete a tutte le mie domande
Plug it in - it works better!
Il 555 sta all'elettronica come Arduino all'informatica! (entrambi loro malgrado)
Se volete risposte rispondete a tutte le mie domande
0
voti
Quindi il vostro consiglio è di lasciar perdere il DIY e affidarsi a circuiti commerciali tze....
Comunque, a parte gli scherzi, non c'è un modo per pilotare carichi di questa entità in PWM. Per i disturbi al micro, ci avevo pensato, e la mia soluzione sarebbe quella di mettere un'optoisolatore con un transistor per basse potenze, attraverso il quale pilotare i MOSFet.
Comunque, a parte gli scherzi, non c'è un modo per pilotare carichi di questa entità in PWM. Per i disturbi al micro, ci avevo pensato, e la mia soluzione sarebbe quella di mettere un'optoisolatore con un transistor per basse potenze, attraverso il quale pilotare i MOSFet.
-

FeedTheMario
0 3 - Messaggi: 18
- Iscritto il: 5 ott 2013, 21:13
0
voti
Certo che si puo` pilotare un carico del genere in PWM, ma bisogna fare attenzione al layout del circuito, al condensatore di filtro di ingresso, isolamenti vari... pero` si puo` fare!
Per usare proficuamente un simulatore, bisogna sapere molta più elettronica di lui
Plug it in - it works better!
Il 555 sta all'elettronica come Arduino all'informatica! (entrambi loro malgrado)
Se volete risposte rispondete a tutte le mie domande
Plug it in - it works better!
Il 555 sta all'elettronica come Arduino all'informatica! (entrambi loro malgrado)
Se volete risposte rispondete a tutte le mie domande
0
voti
Commutare 22 A induttivi. Si può fare ma non è semplice. Ma una domanda: cosa c'entra il motore brushless? Ti serve mica un inverter invece?
Per il PWM lascia perdere il fai da te. Tra driver e malizie varie di tuo non farai nulla.
Per il PWM lascia perdere il fai da te. Tra driver e malizie varie di tuo non farai nulla.
-

Candy
32,5k 7 10 13 - CRU - Account cancellato su Richiesta utente
- Messaggi: 10123
- Iscritto il: 14 giu 2010, 22:54
0
voti
FeedTheMario ha scritto: Il progetto che sto realizzando è una bici elettrica con motore brushless da 1000W.
Il limite per una bicicletta è 250W oltre i quali diventa in pratica un motorino e ci devi pagare bollo ed assicurazione per girare in strada. Trattasi quindi di un ciclomotore e non più di una bicicletta.
Ingegneria : alternativa intelligente alla droga.
-

dimaios
30,2k 7 10 12 - G.Master EY

- Messaggi: 3381
- Iscritto il: 24 ago 2010, 14:12
- Località: Behind the scenes
0
voti
Il limite per una bicicletta è 250W oltre i quali diventa in pratica un motorino e ci devi pagare bollo ed assicurazione per girare in strada. Trattasi quindi di un ciclomotore e non più di una bicicletta.
Si, ma anche le bici della bosch montano motori da 500W, depotenziati, ma sempre 500W. Alla fine anche io andrei ad usare un motore da 1000W depotenziato (sempre se sono in strada, in campagna userei tutti i 1000W)
Per il PWM lascia perdere il fai da te. Tra driver e malizie varie di tuo non farai nulla.
Il controllo PWM è l'unica cosa che ho pronta, testata e funzionante (provata con transistor per carichi modesti su un motore brushed). Su quello proprio non ho problemi, infatti usando un microcontrollore (ATMega328P-Pu) problemi non ne ho. Il timing del motore brushless (ovvero pilotare le 3 elettrocalamite, grazie all'aiuto dei sensori ad effetto hall) beh.....diciamo che ho l'abbozzo, ma niente di testato e funzionante al 100%. in ogni caso....Pilotare 21A (teniamoci sui 30 per sicurezza). Non avrei problemi con gli isolamenti (strato di epoxy isolante sulle piste, dopo aver saldato) ne col layout del circuito (andrei a fare un PCB in alluminio a strato singolo, con piste stagnate larghe almeno 7mm). Non vedo l'utilità del condensatore di filtro, visto che il tutto sarebbe alimentato a batterie, al massimo un supercondensatore in parallelo alla batteria, per colmare quei buchi di tensione dovuti a incaute accelerazioni instantanee. Comunque, quanto verrebbe a costare il pilotaggio di queste potenze? premetto che mi servirebbero almeno 7
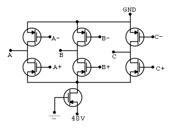
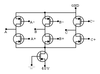
EDIT: Ho un momento di confusione. il motore all'interno è composto da tre elettrocalamite, collegate l'una all'altra. Visto che il motore andrebbe pilotato da un microcontrollore, avevo previsto 6 uscite: positivo e negativo per ognuno dei 3 cavi di collegamento al motore. Pensavo di dover pilotare 1000W per ognuna di queste 6 uscite, ma invece, a quanto ho dedotto, "bastano" anche 500 per canale, o sbaglio? Allego schema del motore, con relativi ingressi digitali dal microcontrollore
Schema molto teorico, dove A, B, e C sono i connettori che vanno al motore, e A-, A+, B-, B+, C-, C+ sono le uscite digitali del microcontrollore, rispettivamente per portare il connettore A a GND, per portarlo a 48V etc
l'ingresso PWM proviene sempre dal microcontrollore, ed è il segnale in PWM con cui modulare l'alimentazione. la mia domanda è, i MOSFet che ho inserito, alla fine, non arrivano a dover sopportare i canonici 1000W, ma solo 500W, visto che ogni bobina viene controllata da due MOSFet. Quindi in generale il circuito sarebbe più facile da fare....è giusto il mio ragionamento o sbaglio?
RE-EDIT chiedo venia per aver scritto un messaggio enorme, si potrebbero usare relay a stato solido?
-

FeedTheMario
0 3 - Messaggi: 18
- Iscritto il: 5 ott 2013, 21:13
0
voti
Salve, mi sono andato a documentare sui relay a stato solido: non richiedono tensioni di innesco elevate (3-32V), quelli da 5€ riescono a pilotare 380 V@25A quindi il costo dei relay a stato solido sarebbe di 35€, un po carucci, ma è una soluzione affidabile (spero). Cosa ne pensate? non mi va di buttare 35€, secondo voi vanno bene?
-

FeedTheMario
0 3 - Messaggi: 18
- Iscritto il: 5 ott 2013, 21:13
15 messaggi
• Pagina 1 di 2 • 1, 2
Chi c’è in linea
Visitano il forum: Nessuno e 41 ospiti

Elettrotecnica e non solo (admin)
Un gatto tra gli elettroni (IsidoroKZ)
Esperienza e simulazioni (g.schgor)
Moleskine di un idraulico (RenzoDF)
Il Blog di ElectroYou (webmaster)
Idee microcontrollate (TardoFreak)
PICcoli grandi PICMicro (Paolino)
Il blog elettrico di carloc (carloc)
DirtEYblooog (dirtydeeds)
Di tutto... un po' (jordan20)
AK47 (lillo)
Esperienze elettroniche (marco438)
Telecomunicazioni musicali (clavicordo)
Automazione ed Elettronica (gustavo)
Direttive per la sicurezza (ErnestoCappelletti)
EYnfo dall'Alaska (mir)
Apriamo il quadro! (attilio)
H7-25 (asdf)
Passione Elettrica (massimob)
Elettroni a spasso (guidob)
Bloguerra (guerra)

