1) YASUA mi pare buona marca o sbaglio?
2) NPW36-12 36W cioe' quanti Ampere e' ?
3) come la carico per non rovinarla, credo solita lampadina in serie da auto ma a che tensione 13,8 volt i 14,4 v o ?
graziue

Moderatori:
carloc,
g.schgor,
BrunoValente,
IsidoroKZ




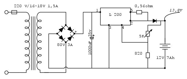
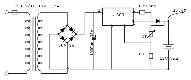
Unica precauzione: non lasciare la batteria collegata con il caricabatteria spento altrimenti, sul lumgo periodo, la batteria si scaricherà sul partitore di regolazione della tensione
Visitano il forum: Nessuno e 28 ospiti