Funziona, ma quanto dura lo spegnimento del led?
E quando stacco l alimentazione, perché il led resta sempre un po' acceso?
Spegnimento graduale di un LED tramite nNE555
Moderatori:
carloc,
g.schgor,
BrunoValente,
IsidoroKZ
43 messaggi
• Pagina 3 di 5 • 1, 2, 3, 4, 5
0
voti
Ho chiesto di staccare il diodo dall'alimentazione positiva e riattaccarlo a quella negativa, e aspetta che si spenga. Va bene il tempo di spegnimento? Aspetta che si spenga.
Non ho detto di staccare l'alimentazione.
Non ho detto di staccare l'alimentazione.
Per usare proficuamente un simulatore, bisogna sapere molta più elettronica di lui
Plug it in - it works better!
Il 555 sta all'elettronica come Arduino all'informatica! (entrambi loro malgrado)
Se volete risposte rispondete a tutte le mie domande
Plug it in - it works better!
Il 555 sta all'elettronica come Arduino all'informatica! (entrambi loro malgrado)
Se volete risposte rispondete a tutte le mie domande
0
voti
Ho chiesto quanto ci metteva perché sono stato 16 minuti e ancora doveva ridurre la luminosità. Quindi così non va bene, è troppo... Massimo dovrebbe essere 15 minuti, ovvero che dopo 15 minuti deve essere spento. 
0
voti
16 minuti senza ridurre la luminosita` mi pare troppo :).
Avevi scollegato il diodo dall'alimentazione positiva?
Avevi scollegato il diodo dall'alimentazione positiva?
Per usare proficuamente un simulatore, bisogna sapere molta più elettronica di lui
Plug it in - it works better!
Il 555 sta all'elettronica come Arduino all'informatica! (entrambi loro malgrado)
Se volete risposte rispondete a tutte le mie domande
Plug it in - it works better!
Il 555 sta all'elettronica come Arduino all'informatica! (entrambi loro malgrado)
Se volete risposte rispondete a tutte le mie domande
0
voti
Ehm... Mi ero dimenticato :P
La luminosità iniziala va benissimo ma appena inizia a spwgnersi diventa troppo poco luminosa.. Sembra vada bene. Inoltre avevo pensato di poter accendere il led con il pulsante e poi nel caso volessi spegnerlo prima che passino i 15-20 minuti,spagnerlo io manualmente tramite la pressione del tasto. È possibile?
Edit: il led resta sempre un pochettino acceso.. Come si può fare per farlo spegnere completamente?
La luminosità iniziala va benissimo ma appena inizia a spwgnersi diventa troppo poco luminosa.. Sembra vada bene. Inoltre avevo pensato di poter accendere il led con il pulsante e poi nel caso volessi spegnerlo prima che passino i 15-20 minuti,spagnerlo io manualmente tramite la pressione del tasto. È possibile?
Edit: il led resta sempre un pochettino acceso.. Come si può fare per farlo spegnere completamente?
0
voti
Si`, si puo` spegnere con un tasto. Ma lo vediamo dopo. Adesso conferma se la luminosita` va bene e il tempo di spegnimento pure. Poi se ne monta un altro pezzo.
Per usare proficuamente un simulatore, bisogna sapere molta più elettronica di lui
Plug it in - it works better!
Il 555 sta all'elettronica come Arduino all'informatica! (entrambi loro malgrado)
Se volete risposte rispondete a tutte le mie domande
Plug it in - it works better!
Il 555 sta all'elettronica come Arduino all'informatica! (entrambi loro malgrado)
Se volete risposte rispondete a tutte le mie domande
1
voti
Oops, scusa, mi ero dimenticato del thread. Spero che nel frattempo tuo figlio non sia gia` partito per militare 
Dici che quando stacchi il diodo dal positivo il led comunque rimane sempre un po' acceso? A luminosita` costante o scende molto adagio? Quanto tempo hai aspettato?
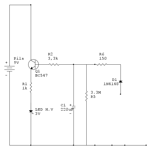
Aggiungi la resistenza R5 da 3.3Mohm che ti avevo fatto togliere, e vedi se lo spegnimento e` piu` veloce e completo.
Dici che quando stacchi il diodo dal positivo il led comunque rimane sempre un po' acceso? A luminosita` costante o scende molto adagio? Quanto tempo hai aspettato?
Aggiungi la resistenza R5 da 3.3Mohm che ti avevo fatto togliere, e vedi se lo spegnimento e` piu` veloce e completo.
Per usare proficuamente un simulatore, bisogna sapere molta più elettronica di lui
Plug it in - it works better!
Il 555 sta all'elettronica come Arduino all'informatica! (entrambi loro malgrado)
Se volete risposte rispondete a tutte le mie domande
Plug it in - it works better!
Il 555 sta all'elettronica come Arduino all'informatica! (entrambi loro malgrado)
Se volete risposte rispondete a tutte le mie domande
0
voti
Ok, è perfetto! :) la durata è di 7 minuti circa con led completamente spento. Dovevo verificare però se assorbiva corrente completamente spento
Adesso bisogna aggiungere il tasto per l accensione e che funga anche da spegnimento in caso non serva più.
Inoltre mi chiedevo se fosse possibile aggiungere una ninna nanna che parta sempre alla prima pressione del tasto e che si spenga insieme al led (gradualmente) oppure drasticamente (insieme al led) se dovessi ripremere il pulsante.
Adesso bisogna aggiungere il tasto per l accensione e che funga anche da spegnimento in caso non serva più.
Inoltre mi chiedevo se fosse possibile aggiungere una ninna nanna che parta sempre alla prima pressione del tasto e che si spenga insieme al led (gradualmente) oppure drasticamente (insieme al led) se dovessi ripremere il pulsante.
43 messaggi
• Pagina 3 di 5 • 1, 2, 3, 4, 5
Chi c’è in linea
Visitano il forum: Nessuno e 256 ospiti

Elettrotecnica e non solo (admin)
Un gatto tra gli elettroni (IsidoroKZ)
Esperienza e simulazioni (g.schgor)
Moleskine di un idraulico (RenzoDF)
Il Blog di ElectroYou (webmaster)
Idee microcontrollate (TardoFreak)
PICcoli grandi PICMicro (Paolino)
Il blog elettrico di carloc (carloc)
DirtEYblooog (dirtydeeds)
Di tutto... un po' (jordan20)
AK47 (lillo)
Esperienze elettroniche (marco438)
Telecomunicazioni musicali (clavicordo)
Automazione ed Elettronica (gustavo)
Direttive per la sicurezza (ErnestoCappelletti)
EYnfo dall'Alaska (mir)
Apriamo il quadro! (attilio)
H7-25 (asdf)
Passione Elettrica (massimob)
Elettroni a spasso (guidob)
Bloguerra (guerra)



