Cos'è ElectroYou | Login Iscriviti

ElectroYou - la comunità dei professionisti del mondo elettrico

Esercizio Raddrizzatore a ponte

Elettronica lineare e digitale: didattica ed applicazioni

Moderatori: Foto Utentecarloc, Foto Utenteg.schgor, Foto UtenteBrunoValente, Foto UtenteIsidoroKZ

0
voti

[1] Esercizio Raddrizzatore a ponte

Messaggioda Foto UtenteGnao89 » 10 feb 2015, 20:44

Salve a tutti, vorrei gentilmente avere una mano con questo esercizio:

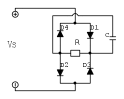
"Si disegni un circuito raddrizzatore a ponte, con un condensatore di filtro collegato ai capi del resistore di carico R, nel caso in cui il secondo trasformatore fornisca una sinusoide di frequenza 60 Hz e 12V efficaci, sia VD= 0.8 V e R= 100 ohm-
Si determini il valore di C tale che la tensione di ondulazione non sia più grande di 1Vpp. Si determini la corrente sul carico e la tensione PIV da usare."


Il circuito disegnato dovrebbe essere a grandi linee questo giusto?



Ho pensato di risolverlo cosi (correggetemi dove sbaglio):
Innanzitutto l'esercizio mi da la tensione efficace applicata al raddrizzatore,da cui ho ricavato la tensione nominale usando la seguente formula:

V_{Eff} = V_{p}/\sqrt{}(2) ----> V_{p} = 16.97 V

Fatto ciò ho calcolato il valore del condensatore usando la formula per ricavare la tensione di ripple:

V_{r} = \frac{V_{p}}{fCR} ----> C = \frac{V_{p}}{fV_{r}R} = 2.8 mF

Ora per calcolare la corrente nel carico, è possibile tener conto della maglia D1 R D4 e da essa calcolarsi la tensione sul carico (sapendo che VD = 0.8V) e di conseguenza la corrente?

V_{R} = V_{D1} + V_{D4} = 0.8 + 0.8 = 1.6 V ----> I_{R} = \frac{V_{R}}{R} =\frac{1.6}{100} = 16 mA

Ed infine la tensione PIV di un raddrizzatore a ponte è data da PIV = V_{p} - V_{D0} = 16.97 - 0.8 = 16.17 V ?

Vi ringrazio in anticipo..
Buona serata a tutti!
Avatar utente
Foto UtenteGnao89
3 3
 
Messaggi: 43
Iscritto il: 23 ago 2011, 17:00

0
voti

[2] Re: Esercizio Raddrizzatore a ponte

Messaggioda Foto UtenteIsidoroKZ » 10 feb 2015, 21:21

La tensione di picco dopo i diodi e` di 1.6V minore, quindi solo 15.4V. La formula per il ripple nel raddrizzatore a doppia semionda mi pare abbia un fattore 2 in piu` a denominatore. La corrente sul carico e` ovviamente V/I, poi dipende se prendi la tensione di picco (15.4V) oppure quella media che e` circa mezzo ripple di meno, quindi circa 14.9V. La tensione inversa e` quella che hai calcolato, mentre non ho capito come hai calcolato la corrente sul carico.
Per usare proficuamente un simulatore, bisogna sapere molta più elettronica di lui
Plug it in - it works better!
Il 555 sta all'elettronica come Arduino all'informatica! (entrambi loro malgrado)
Se volete risposte rispondete a tutte le mie domande
Avatar utente
Foto UtenteIsidoroKZ
121,2k 1 3 8
G.Master EY
G.Master EY
 
Messaggi: 21059
Iscritto il: 17 ott 2009, 0:00

0
voti

[3] Re: Esercizio Raddrizzatore a ponte

Messaggioda Foto UtenteGnao89 » 11 feb 2015, 1:50

Ciao e grazie per la risposta.

Come mai la tensione di picco dopo i diodi è di 1.6V minore? Come ci si riconduce a questa cosa?

Comunque per il calcolo della corrente nel carico ho usato la relarione V/R solo che ho sbagliato a calcolare la V usando la LKT alla maglia D1 R D4 (sono andato cosi a tentativi visto che non avevo la più pallida idea di come procedere). Quindi dovrei usare la Tensione di picco per calcolarmela (15.4/R) ? E quando è opportuno usare usare la tensione media?

Ps si vedendo un po su internet ho trovato questa formula per il raddrizzatore a doppia semionda:
V_{r} = (V_{p}-V_{on})\frac{T}{2RC}
Von sarebbe la VD data in traccia giusto?
Avatar utente
Foto UtenteGnao89
3 3
 
Messaggi: 43
Iscritto il: 23 ago 2011, 17:00

0
voti

[4] Re: Esercizio Raddrizzatore a ponte

Messaggioda Foto UtenteIsidoroKZ » 11 feb 2015, 2:33

La tensione di picco sul condensatore e` pari a quella sul secondario meno due cadute di diodo, VD.

La corrente sul carico non e` costante, ha anche lei un ripple uguale a quello della tensione. Io userei la tensione e quindi la corrente media.

Si`, la Von e` la stessa cosa di VD, ma devi moltiplicare per due perche' ci sono due diodi.

Chi ti ha dato il problema dovrebbe anche aver spiegato come fare a risolverlo, non dovresti andare in giro su internet dove si trova di tutto e il contrario di tutto.

Ad esempio quella formula sovrastima la capacita` necessaria: il ripple vero che si ottiene e` minore di 1V che avevi impostato.
Per usare proficuamente un simulatore, bisogna sapere molta più elettronica di lui
Plug it in - it works better!
Il 555 sta all'elettronica come Arduino all'informatica! (entrambi loro malgrado)
Se volete risposte rispondete a tutte le mie domande
Avatar utente
Foto UtenteIsidoroKZ
121,2k 1 3 8
G.Master EY
G.Master EY
 
Messaggi: 21059
Iscritto il: 17 ott 2009, 0:00

0
voti

[5] Re: Esercizio Raddrizzatore a ponte

Messaggioda Foto UtenteGnao89 » 11 feb 2015, 15:47

Hai pienamente ragione sul fatto di internet, purtroppo per motivi che non sto qui a spiegare (se no vi sparereste insieme a me :?) devo sostenere l'esame di Elettronica con un professore diverso da quello con cui ho seguito. Ovvimente il programma dei due prof non è lo stesso e proprio per questo sto cercando di integrare da libri/appunti e in questo caso internet.

Comunque potresti dirmi che formula posso usare per ricavare la tensione media? E che formula mi consigli di usare per ricavarmi il valore del condensatore?

Ricapitolando, disegnato il circuito:

- ricavo dalla tensione efficace la tensione nominale e sottrago 2 cadute di diodo VD;
- calcolo il valore del condensatore mediante l'apposita formula;
- calcolo la tensione media sul carico, quindi la corrente media (Vmedia/R)
- infine calcolo la tensione inversa (PIV= Vp-VD0)

Ti ringrazio per la pazienza con cui mi rispondi e mi scuso se insisto sulle ovvietà ma vorrei essere sicuro di quello che dico e faccio.
Avatar utente
Foto UtenteGnao89
3 3
 
Messaggi: 43
Iscritto il: 23 ago 2011, 17:00

0
voti

[6] Re: Esercizio Raddrizzatore a ponte

Messaggioda Foto UtenteIsidoroKZ » 11 feb 2015, 17:05

I conti e le formule che hai trovato suppongono un ripple a dente di sega, in cui il condensatore si scarica per un semiperiodo intero. La tensione media e` pari a quella di picco meno meta` della tesione di ripple, vedi disegno.



L'approssimazione che il condensatore si scarichi per mezzo periodo completo e` solo una approssimazione anche un po' brutale, che fa sovradimensionare un pochino il condensatore, ma ha il vantaggio che la formula del ripple e della capacita` e` invertibile. C'e` una formula piu` precisa per calcolare la capacita` ma non e` invertibile. Dato il ripple puoi calcolare lacapacita`, ma data la capacita` non puoi calcolare analiticamente il ripple.
Per usare proficuamente un simulatore, bisogna sapere molta più elettronica di lui
Plug it in - it works better!
Il 555 sta all'elettronica come Arduino all'informatica! (entrambi loro malgrado)
Se volete risposte rispondete a tutte le mie domande
Avatar utente
Foto UtenteIsidoroKZ
121,2k 1 3 8
G.Master EY
G.Master EY
 
Messaggi: 21059
Iscritto il: 17 ott 2009, 0:00

0
voti

[7] Re: Esercizio Raddrizzatore a ponte

Messaggioda Foto UtenteGnao89 » 11 feb 2015, 18:50

Ti ringrazio sei stato molto gentile e paziente. Dovrei aver capito :-o
Se ho ancora difficoltà scriverò qui sotto..
Buona serata.. O_/
Avatar utente
Foto UtenteGnao89
3 3
 
Messaggi: 43
Iscritto il: 23 ago 2011, 17:00


Torna a Elettronica generale

Chi c’è in linea

Visitano il forum: Google [Bot] e 55 ospiti