Funzionamento Invertitore NMOS
Moderatori:
carloc,
g.schgor,
BrunoValente,
IsidoroKZ
13 messaggi
• Pagina 1 di 2 • 1, 2
0
voti
Salve a tutti,avrei bisogno del vostro aiuto perché sto incontrando enormi difficoltà su un argomento banale,ossia l'invertitore NMOS con carico resistivo. Non riesco a capire come possa questo componente,mediante i valori di tensione restituire uno 0 o 1 logico. Le mie difficoltà derivano da difficoltà nell'analisi del circuito e soprattutto di quali sono le maglie che vengono considerate nell'analisi. Vi sarei enormemente grato se qualcuno di voi potesse darmi una mano,in modo da aver un costruttivo confronto e cercare di risolvere il problema. In ogni caso vi ringrazio e mando un saluto a tutti i membri dello staff e non 
0
voti
Certamente,spero si capisca qualcosa
0
voti
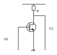
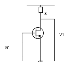
Sarà mica questo il circuito ?
Dato che mi sembra un po' strano che la tensione di uscita
sia sul Gate dell' NMOS. 
Dato che mi sembra un po' strano che la tensione di uscita
sia sul Gate dell' NMOS. 0
voti
Una spiegazione veloce veloce è che quanto più è alto il valore della tensione di ingresso rispetto alla tensione di soglia sul Gate del MOS, più il transistore stesso lascia circolare corrente nel canale, diminuendo la resistenza interna
fino a imporre un cortocircuito quasi diretto con GND.
Chiamiamo questa corrente
(corrente di Drain) che comunque è limitata, al massimo, dalla tensione di alimentazione
e dalla resistenza
sul Drain..
E dato che

Più aumenta la corrente più diminuisce la tensione di uscita
.

fino a imporre un cortocircuito quasi diretto con GND.Chiamiamo questa corrente
(corrente di Drain) che comunque è limitata, al massimo, dalla tensione di alimentazione
e dalla resistenza
sul Drain..E dato che

Più aumenta la corrente più diminuisce la tensione di uscita
.
0
voti
In sostanza, per una tensione di ingresso minore della tensione di soglia, il MOS resta interdetto, e l' uscita è alta, grazie al resistore di pull-up.
Mentre per una tensione di ingresso maggiore della tensione di soglia, il MOS comincia a condurre; in un primo momento c' è una fase di transizione, durante la quale il MOS si trova in saturazione (e ci sta poco tempo, essendo un punto di equilibrio instabile). Poi il suo funzionamento passa in triodo (o zona lineare), e l' uscita si porta bassa, in un punto di equilibrio stabile.
Mentre per una tensione di ingresso maggiore della tensione di soglia, il MOS comincia a condurre; in un primo momento c' è una fase di transizione, durante la quale il MOS si trova in saturazione (e ci sta poco tempo, essendo un punto di equilibrio instabile). Poi il suo funzionamento passa in triodo (o zona lineare), e l' uscita si porta bassa, in un punto di equilibrio stabile.
3
voti
gotthard ha scritto:in un primo momento c' è una fase di transizione, durante la quale il MOS si trova in saturazione (e ci sta poco tempo, essendo un punto di equilibrio instabile)
Perche' e` instabile? Non ci sono retroazioni positive!
Per usare proficuamente un simulatore, bisogna sapere molta più elettronica di lui
Plug it in - it works better!
Il 555 sta all'elettronica come Arduino all'informatica! (entrambi loro malgrado)
Se volete risposte rispondete a tutte le mie domande
Plug it in - it works better!
Il 555 sta all'elettronica come Arduino all'informatica! (entrambi loro malgrado)
Se volete risposte rispondete a tutte le mie domande
1
voti
IsidoroKZ ha scritto:Perche' e` instabile? Non ci sono retroazioni positive!
Intendevo che quella zona è ad alto guadagno (cioè ad elevata pendenza)!
Nella VTC, i punti a tangente -1, cioè in corrispondenza dei valori della tensione di ingresso
e
, separano, entrambi, una zona a guadagno minore di 1, da una zona con guadagno maggiore di 1.0
voti
Cosi` va molto meglio 
Per usare proficuamente un simulatore, bisogna sapere molta più elettronica di lui
Plug it in - it works better!
Il 555 sta all'elettronica come Arduino all'informatica! (entrambi loro malgrado)
Se volete risposte rispondete a tutte le mie domande
Plug it in - it works better!
Il 555 sta all'elettronica come Arduino all'informatica! (entrambi loro malgrado)
Se volete risposte rispondete a tutte le mie domande
13 messaggi
• Pagina 1 di 2 • 1, 2
Chi c’è in linea
Visitano il forum: Nessuno e 281 ospiti

Elettrotecnica e non solo (admin)
Un gatto tra gli elettroni (IsidoroKZ)
Esperienza e simulazioni (g.schgor)
Moleskine di un idraulico (RenzoDF)
Il Blog di ElectroYou (webmaster)
Idee microcontrollate (TardoFreak)
PICcoli grandi PICMicro (Paolino)
Il blog elettrico di carloc (carloc)
DirtEYblooog (dirtydeeds)
Di tutto... un po' (jordan20)
AK47 (lillo)
Esperienze elettroniche (marco438)
Telecomunicazioni musicali (clavicordo)
Automazione ed Elettronica (gustavo)
Direttive per la sicurezza (ErnestoCappelletti)
EYnfo dall'Alaska (mir)
Apriamo il quadro! (attilio)
H7-25 (asdf)
Passione Elettrica (massimob)
Elettroni a spasso (guidob)
Bloguerra (guerra)







