Ho una domanda da sottoporvi:
Se cerco di trovare l'equivalente di thevenin ad na porta ma il mio circuito presente un generatore dipendente, nel calcolo della resistenza equivalente quel generatore che fine fa? Non credo che vada spento perché non avrebbe senso, ma non credo neanche io debba ignorarlo nel computo delle resistenze, però non so come comportarmi
Dubbio sull'equivalente di Thevenin
Moderatori:
g.schgor,
IsidoroKZ
9 messaggi
• Pagina 1 di 1
0
voti
2
voti
Il generatore dipendente rimane li dov'è.
Per calcolare la resistenza equivalente fai finta di imprimere una certa corrente nella porta che stai consideranto, chiamiamola
. Avrai quindi una certa tensione ai capi della porta, ti calcoli questa tensione in funzione di
, la resistenza equivalente sarà il rapporto tra le due.
In tutto questo il generatore dipendente rimane li dov'è e si comporta normalmente secondo la sua legge di bipolo.
Hai un esempio di esercizio che non riesci a svolgere?
Per calcolare la resistenza equivalente fai finta di imprimere una certa corrente nella porta che stai consideranto, chiamiamola
. Avrai quindi una certa tensione ai capi della porta, ti calcoli questa tensione in funzione di
, la resistenza equivalente sarà il rapporto tra le due.In tutto questo il generatore dipendente rimane li dov'è e si comporta normalmente secondo la sua legge di bipolo.
Hai un esempio di esercizio che non riesci a svolgere?
Atlant.
Behind every great man is a woman rolling her eyes.
Behind every great man is a woman rolling her eyes.
1
voti
spud ha scritto:
Hai un esempio di esercizio che non riesci a svolgere?
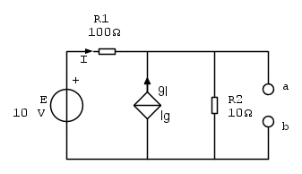
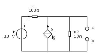
devo calcolare l'equivalente di thevenin alla porta a-b
Il mio generatore indipendente è quello che in figura ho indicato con Ig (credo di non ave scaricato la libreria appropriata e quindi non sono riuscito a trovare il simbolo corrispondente al generatore dipendente)
0
voti
Io ho considerato la convenzione del generatore, e quindi nella mia testa indicare la corrente sarebbe stato sufficiente a far capire anche il verso della tensione per il generatore di tensione, ma forse ho sbagliato io, scusate 
0
voti
COmunque la tensione va verso l'alto, o per essere più chiari il meno è in basso e il più in alto.
Purtroppo sono fuori città e non ho la possibilità di modificare il disegno in fico, altrimenti l'avrei fatto
Purtroppo sono fuori città e non ho la possibilità di modificare il disegno in fico, altrimenti l'avrei fatto
2
voti
Pare di capire che i segni siano questi, e` corretto?
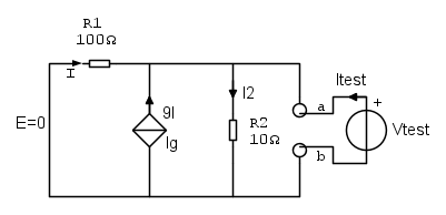
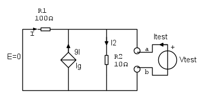
Se vuoi calcolare la resistenza, spegni i generatori indipendenti e lasci quelli controllati, che sarebbe opportuno disegnare con il loro simbolo, come ho fatto sopra.
Per calcolare l'impedenza vista fra i morsetti a e b spegni in generatori indipedenti, solo E in questo caso, e metti un generatore di prova ai morsetti.
Dato che hai tanti elementi in parallelo, conviene mettere un generatore di tensione Vtest e calcoli la corrente Itest che esce dal generatore.
A questo punto sai andare avanti?
Se vuoi calcolare la resistenza, spegni i generatori indipendenti e lasci quelli controllati, che sarebbe opportuno disegnare con il loro simbolo, come ho fatto sopra.
Per calcolare l'impedenza vista fra i morsetti a e b spegni in generatori indipedenti, solo E in questo caso, e metti un generatore di prova ai morsetti.
Dato che hai tanti elementi in parallelo, conviene mettere un generatore di tensione Vtest e calcoli la corrente Itest che esce dal generatore.
A questo punto sai andare avanti?
Per usare proficuamente un simulatore, bisogna sapere molta più elettronica di lui
Plug it in - it works better!
Il 555 sta all'elettronica come Arduino all'informatica! (entrambi loro malgrado)
Se volete risposte rispondete a tutte le mie domande
Plug it in - it works better!
Il 555 sta all'elettronica come Arduino all'informatica! (entrambi loro malgrado)
Se volete risposte rispondete a tutte le mie domande
9 messaggi
• Pagina 1 di 1
Torna a Elettrotecnica generale
Chi c’è in linea
Visitano il forum: Nessuno e 120 ospiti

Elettrotecnica e non solo (admin)
Un gatto tra gli elettroni (IsidoroKZ)
Esperienza e simulazioni (g.schgor)
Moleskine di un idraulico (RenzoDF)
Il Blog di ElectroYou (webmaster)
Idee microcontrollate (TardoFreak)
PICcoli grandi PICMicro (Paolino)
Il blog elettrico di carloc (carloc)
DirtEYblooog (dirtydeeds)
Di tutto... un po' (jordan20)
AK47 (lillo)
Esperienze elettroniche (marco438)
Telecomunicazioni musicali (clavicordo)
Automazione ed Elettronica (gustavo)
Direttive per la sicurezza (ErnestoCappelletti)
EYnfo dall'Alaska (mir)
Apriamo il quadro! (attilio)
H7-25 (asdf)
Passione Elettrica (massimob)
Elettroni a spasso (guidob)
Bloguerra (guerra)






