buonasera a tutto il forum,
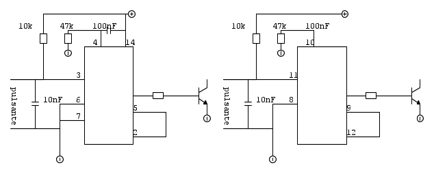
ho trovato questo schema che fa funzionare un rele' da bistabile con un solo pulsante
io vorrei evitare che si possano trovare le due uscite contemporaneamente a livello 1
si puo' fare senza troppe complicazioni?
una cosa che non riesco a capire : al momento che alimento il circuito sono entrambi a livello 0 o sbaglio ?
grazie mille e buona cena a tutti
evitare 2 uscite alte insieme
Moderatori:
carloc,
g.schgor,
BrunoValente,
IsidoroKZ
15 messaggi
• Pagina 1 di 2 • 1, 2
0
voti
Quali sono le due uscite?
Sarebbe anche gentile se tu rifacessi lo schemino in FidoCAD, come da regolamento. È molto piú semplice per chi legge lo schema se invece di un rettangolo con la scritta 4013 usi i simboli logici di un Flip-Flop.
Ciao Boiler
Sarebbe anche gentile se tu rifacessi lo schemino in FidoCAD, come da regolamento. È molto piú semplice per chi legge lo schema se invece di un rettangolo con la scritta 4013 usi i simboli logici di un Flip-Flop.
Ciao Boiler
0
voti
scusa credevo di averlo scritto , ho 2 circuiti uguali (il 4013) ha 2 flip flop
come si fa a installare fidocad su ubuntu? c'e' una guida?
come si fa a installare fidocad su ubuntu? c'e' una guida?
-

danielealfa
243 2 4 7 - Expert

- Messaggi: 1313
- Iscritto il: 27 mag 2009, 22:51
1
voti
danielealfa ha scritto:scusa credevo di averlo scritto , ho 2 circuiti uguali (il 4013) ha 2 flip flop
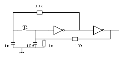
Metti una porta NOR (4001) in uscita al canale secondario (quello che viene inibito se tutte e due le uscite vanno a 1). La porta NOR dà però in uscita 1 se e soltanto se ambo gli ingressi sono 0, quindi il canale secondario devi prelevarlo da Q-negato e non da Q.
Per dovere di cronaca, il circuito è una ciofeca
come si fa a installare fidocad su ubuntu? c'e' una guida?
È Java, non va installato, da console, java <nome-del-programma>
Ciao Boiler
0
voti
non ho il simbolo del flip flop ...ho messi i 2 circuiti anche se sono nello stesso integrato
-

danielealfa
243 2 4 7 - Expert

- Messaggi: 1313
- Iscritto il: 27 mag 2009, 22:51
1
voti
Ripeto, il circuito è una ciofeca. Il debouncing è probabilmente stato riciclato (senza capirne il funzionamento) da un circuito con un flip-flop a fianco attivo negativo. Con questi componenti siamo oltre i 100 microsecondi di raise-time. Il 4013 specifica un massimo di 10 microsecondi. Prima o poi l'insorgere di metastabilità è una garanzia.
Non parliamo poi di quella tristezza di power-on-reset.
Se permetti...
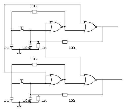
All'accensione il condensatore da 10 nF è scarico a causa del resistore da 1M in parallelo. L'ingresso del primo gate è quindi basso. Questo forza l'uscita allo stesso stato. L'unica possibilità che abbiamo di lasciare questo stato è caricare il condensatore da 10 nF, ma questo è saldamente tenuto a 0 V attraverso il resistore da 10k. Può succedere che il condensatore venga caricato durante il transiente di accensione? Se i due gates sono nello stesso package si accendono contemporaneamente e se siamo sfigati c'è un intervallo pari alla differenza dei propagation-delays durante il quale l'uscita può essere alta. Se questo intervallo eccede il tempo necessario a caricare 10 nF attraverso 10k fino al threshold del gate, allora sì, abbiamo un problema. Ma siamo due ordini di grandezza sotto. Il power-on reset è quantomento granitico.
La commutazione avviene (ovviamente) azionando il tasto. Nel frattempo il condensatore da 1 μF si è caricato al potenziale presente al nodo tra i due gates (che è alto se l'uscita è bassa e viceversa). Premento il pulsante mettiamo in parallelo i condensatori. Uno (da 10 nF) cerca di tenere lo stato attuale, l'altro (da 1 μF) cerca di commutarlo. Credo sia chiaro chi vince
Il potenziale vincitore (ovviamente quello che era presente tra i due gates) si trova ora all'ingresso del primo gate, che commuta e porta l'uscita (attraverso il secondo gate) all'altro stato.
E ora il condensatore grosso e grasso può essere caricato al nuovo potenziale.
Ancora una parola sulla stabilità di questo circuito: l'impedenza d'ingresso si un gate CMOS è molto elevata, basta un nulla e commuta. I 10k di feedback basterebbero nel 95% dei casi a tenere lo stato ben determinato ed evitare commutazioni spurie, nel restante 5% dei casi interviene il condensatore del power-on reset a fare da blando filtro.
Questo circuito sostituisce il tuo flip-flop.
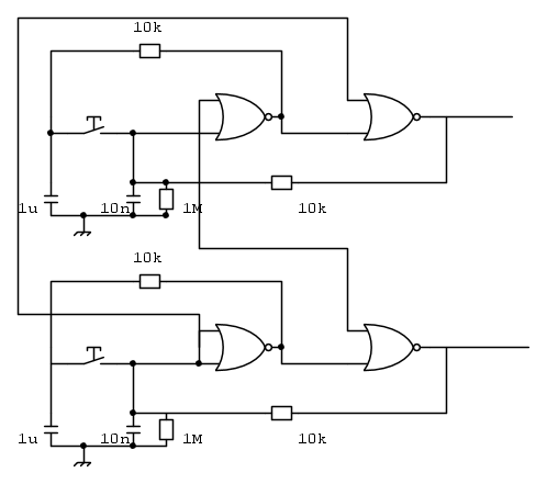
Compito a casa: usando una porte NOR si possono simulare tutti gli altri gate. Ridisegna il circuito usando porte NOR e introducendo la modifica che ti ho detto per evitare la presenza di due uscite contemporaneamente attive.
Ciao Boiler
Non parliamo poi di quella tristezza di power-on-reset.
Se permetti...
All'accensione il condensatore da 10 nF è scarico a causa del resistore da 1M in parallelo. L'ingresso del primo gate è quindi basso. Questo forza l'uscita allo stesso stato. L'unica possibilità che abbiamo di lasciare questo stato è caricare il condensatore da 10 nF, ma questo è saldamente tenuto a 0 V attraverso il resistore da 10k. Può succedere che il condensatore venga caricato durante il transiente di accensione? Se i due gates sono nello stesso package si accendono contemporaneamente e se siamo sfigati c'è un intervallo pari alla differenza dei propagation-delays durante il quale l'uscita può essere alta. Se questo intervallo eccede il tempo necessario a caricare 10 nF attraverso 10k fino al threshold del gate, allora sì, abbiamo un problema. Ma siamo due ordini di grandezza sotto. Il power-on reset è quantomento granitico.
La commutazione avviene (ovviamente) azionando il tasto. Nel frattempo il condensatore da 1 μF si è caricato al potenziale presente al nodo tra i due gates (che è alto se l'uscita è bassa e viceversa). Premento il pulsante mettiamo in parallelo i condensatori. Uno (da 10 nF) cerca di tenere lo stato attuale, l'altro (da 1 μF) cerca di commutarlo. Credo sia chiaro chi vince
Il potenziale vincitore (ovviamente quello che era presente tra i due gates) si trova ora all'ingresso del primo gate, che commuta e porta l'uscita (attraverso il secondo gate) all'altro stato.
E ora il condensatore grosso e grasso può essere caricato al nuovo potenziale.
Ancora una parola sulla stabilità di questo circuito: l'impedenza d'ingresso si un gate CMOS è molto elevata, basta un nulla e commuta. I 10k di feedback basterebbero nel 95% dei casi a tenere lo stato ben determinato ed evitare commutazioni spurie, nel restante 5% dei casi interviene il condensatore del power-on reset a fare da blando filtro.
Questo circuito sostituisce il tuo flip-flop.
Compito a casa: usando una porte NOR si possono simulare tutti gli altri gate. Ridisegna il circuito usando porte NOR e introducendo la modifica che ti ho detto per evitare la presenza di due uscite contemporaneamente attive.
Ciao Boiler
0
voti
ok, grazie per il prezioso indizio, pero' io ho in problema , se si puoi definire cosi,
ho un polo dei pulsanti connesso a gnd, o eventualmente a vcc 12 volt,
mi viene un po' problematico, a meno che al posto del pulsante possa usare un transistor
ia quale base e' comandata dal pulsante, cosi 'e' fattibile?
ho un polo dei pulsanti connesso a gnd, o eventualmente a vcc 12 volt,
mi viene un po' problematico, a meno che al posto del pulsante possa usare un transistor
ia quale base e' comandata dal pulsante, cosi 'e' fattibile?
-

danielealfa
243 2 4 7 - Expert

- Messaggi: 1313
- Iscritto il: 27 mag 2009, 22:51
0
voti
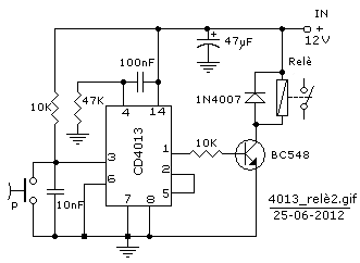
ciao , grazie della tua spiegazione cosi approfondita, ho pensato a questa soluzione, spero che
sia giusta, almeno e succo della mia testa..
sia giusta, almeno e succo della mia testa..
-

danielealfa
243 2 4 7 - Expert

- Messaggi: 1313
- Iscritto il: 27 mag 2009, 22:51
15 messaggi
• Pagina 1 di 2 • 1, 2
Chi c’è in linea
Visitano il forum: Nessuno e 121 ospiti

Elettrotecnica e non solo (admin)
Un gatto tra gli elettroni (IsidoroKZ)
Esperienza e simulazioni (g.schgor)
Moleskine di un idraulico (RenzoDF)
Il Blog di ElectroYou (webmaster)
Idee microcontrollate (TardoFreak)
PICcoli grandi PICMicro (Paolino)
Il blog elettrico di carloc (carloc)
DirtEYblooog (dirtydeeds)
Di tutto... un po' (jordan20)
AK47 (lillo)
Esperienze elettroniche (marco438)
Telecomunicazioni musicali (clavicordo)
Automazione ed Elettronica (gustavo)
Direttive per la sicurezza (ErnestoCappelletti)
EYnfo dall'Alaska (mir)
Apriamo il quadro! (attilio)
H7-25 (asdf)
Passione Elettrica (massimob)
Elettroni a spasso (guidob)
Bloguerra (guerra)





