Cos'è ElectroYou | Login Iscriviti

ElectroYou - la comunità dei professionisti del mondo elettrico

Multivibratore MONOSTABILE con Timer 555

Elettronica lineare e digitale: didattica ed applicazioni

Moderatori: Foto Utentecarloc, Foto Utenteg.schgor, Foto UtenteBrunoValente, Foto UtenteIsidoroKZ

0
voti

[1] Multivibratore MONOSTABILE con Timer 555

Messaggioda Foto Utenteeolina » 20 apr 2015, 22:28

Ciao a tutti,

ho realizzato un timer seguendo il tutorial http://www.electroyou.it/bagolaro/wiki/ ... _timer_555.

Immagine

C=58uF
R=trimmer 100K + resistenza in serie da 1K.

Il timer funziona perfettamente, ma se in parallelo al LED inserisco un relè, il LED resta acceso fisso ed il relè eccitato...

Cosa sto sbagliando?


Grazie
luca
Avatar utente
Foto Utenteeolina
10 2
 
Messaggi: 20
Iscritto il: 12 apr 2015, 10:15

0
voti

[2] Re: Multivibratore MONOSTABILE con Timer 555

Messaggioda Foto UtenteRussell » 20 apr 2015, 22:37

strano, puoi disegnale la modifica?

tanto per capire se ti sei messo anche in parallelo a R3, se poi hai messo un diodo in anti-parallelo alla bobina del relè, ecc..

forse sarebbe anche utile una foto
Avatar utente
Foto UtenteRussell
3.373 3 5 9
Master
Master
 
Messaggi: 2193
Iscritto il: 4 ott 2009, 10:25

0
voti

[3] Re: Multivibratore MONOSTABILE con Timer 555

Messaggioda Foto Utenteeolina » 20 apr 2015, 22:42

In pratica ho connesso il relè in parallelo al LED, non ho messo nessun diodo.

Possibile che sia la bobina del relè a dare "fastidio"?
Avatar utente
Foto Utenteeolina
10 2
 
Messaggi: 20
Iscritto il: 12 apr 2015, 10:15

1
voti

[4] Re: Multivibratore MONOSTABILE con Timer 555

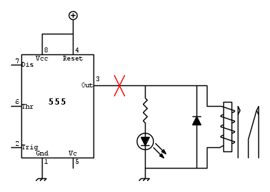
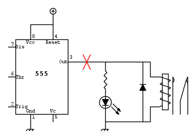
Messaggioda Foto UtenteRussell » 20 apr 2015, 22:47

dovresti indicativamente fare cosi'



quale relè stai usando, e qual è la tesione di alimentazione?
Avatar utente
Foto UtenteRussell
3.373 3 5 9
Master
Master
 
Messaggi: 2193
Iscritto il: 4 ott 2009, 10:25

0
voti

[5] Re: Multivibratore MONOSTABILE con Timer 555

Messaggioda Foto Utenteeolina » 20 apr 2015, 22:53

Provato con 1N4001, stesso comportamento => Il LED resta acceso ed il rele eccitato.

Se tolgo il rele e lascio solo il LED funziona perfettamente :roll: :roll:
Avatar utente
Foto Utenteeolina
10 2
 
Messaggi: 20
Iscritto il: 12 apr 2015, 10:15

0
voti

[6] Re: Multivibratore MONOSTABILE con Timer 555

Messaggioda Foto UtenteRussell » 20 apr 2015, 22:56

probabilmente stai commettendo un errore
ricontrolla bene i collegamenti del relè, e magari lascia i 3 terminali di uscita disconnessi.
Avatar utente
Foto UtenteRussell
3.373 3 5 9
Master
Master
 
Messaggi: 2193
Iscritto il: 4 ott 2009, 10:25

0
voti

[7] Re: Multivibratore MONOSTABILE con Timer 555

Messaggioda Foto Utenteeolina » 20 apr 2015, 23:03

Non riesco a spiegarmi il perché...

Ho provato a connettere solo i 2 terminali del relè (lato bobina) ma niente da fare, stesso comportamento.

Non appena disconnetto il relè si spegne anche il LED :evil:
Avatar utente
Foto Utenteeolina
10 2
 
Messaggi: 20
Iscritto il: 12 apr 2015, 10:15

0
voti

[8] Re: Multivibratore MONOSTABILE con Timer 555

Messaggioda Foto UtenteRussell » 20 apr 2015, 23:15

interrompendo questa terminazione, ovviamente, si spegne tutto vero?




comunque serve una foto ... altrimenti a suon di ipotesi la cosa dovrebbe presto diventare piuttosto ridicola
Avatar utente
Foto UtenteRussell
3.373 3 5 9
Master
Master
 
Messaggi: 2193
Iscritto il: 4 ott 2009, 10:25

0
voti

[9] Re: Multivibratore MONOSTABILE con Timer 555

Messaggioda Foto Utenteeolina » 21 apr 2015, 19:25

Ho risolto inserendo un diodo a valle del piedino 3 del ne555 (in aggiunta al diodo in anti-parallelo alla bobina del relè indicato da Russell)

Scusate se non ho postato la foto, ma è un "prototipo" su breadboard e con tutti i fili ci si capiva veramente poco :D

grazie 1000 per il supporto :ok:
luca
Avatar utente
Foto Utenteeolina
10 2
 
Messaggi: 20
Iscritto il: 12 apr 2015, 10:15

0
voti

[10] Re: Multivibratore MONOSTABILE con Timer 555

Messaggioda Foto Utenteeolina » 28 apr 2015, 22:16

E' possibile fare in modo che il timer parta solo se il pulsante è premuto per 2-3 secondi anziché farlo partire immediatamente?
Avatar utente
Foto Utenteeolina
10 2
 
Messaggi: 20
Iscritto il: 12 apr 2015, 10:15

Prossimo

Torna a Elettronica generale

Chi c’è in linea

Visitano il forum: Nessuno e 99 ospiti