Ciao,
per alcuni miei vari progetti didattici mi sto basando sul semplice ma versatile NE555; dopo la necessità dello stroboscopio, mi servirebbe un altro circuito: un timer ciclico.
In pratica questo timer, una volta alimentato, dovrebbe attivare per due minuti un relè, quindi disattivarlo per due minuti, poi nuovamente attivarlo per due minuti e così via, continuamente. Magari con la presenza di un trimmer per regolare la durata del tempo di attivazione e disattivazione (dovranno essere uguali).
Avete qualche schema da suggerirmi?
Grazie.
Ancora NE555: timer ciclico
Moderatori:
carloc,
g.schgor,
BrunoValente,
IsidoroKZ
18 messaggi
• Pagina 1 di 2 • 1, 2
0
voti
2 minuti sono tanti
ti conviene probabilmente affidarti ad un divisore di frequenza, partendo da un oscillatore a frequenza piu' alta
lo puoi fare con un 4020
http://www.datasheetcatalog.com/info_redirect/datasheet2/9/0paqd91zcls9g4akywgtgso3y1ky.pdf.shtml
oppure puoi usare un 4060 eliminando la necessità del 555
http://www.datasheetcatalog.com/info_redirect/datasheet2/4/084y37fdt83lotw0s2yph6cciryy.pdf.shtml
ti conviene probabilmente affidarti ad un divisore di frequenza, partendo da un oscillatore a frequenza piu' alta
lo puoi fare con un 4020
http://www.datasheetcatalog.com/info_redirect/datasheet2/9/0paqd91zcls9g4akywgtgso3y1ky.pdf.shtml
oppure puoi usare un 4060 eliminando la necessità del 555
http://www.datasheetcatalog.com/info_redirect/datasheet2/4/084y37fdt83lotw0s2yph6cciryy.pdf.shtml
0
voti
Se non sbaglio, una volta mi sembra di aver letto, difatti, che il 555 non è indicato o non è preciso per tempistiche lunghe, vero? Oppure non va bene a prescindere? Nel caso della precisione non è per me un problema.
Qualche schema con entrambe le soluzioni?
Qualche schema con entrambe le soluzioni?
-

DaveDiamond
0 4 - Frequentatore

- Messaggi: 140
- Iscritto il: 27 mar 2011, 18:44
0
voti
non è un problema del 555, è un problema relativo al condensatore che devi scaricare attraverso una resistenza, questo dovrebbe avvenire in svariati secondi, ma come puoi immaginare ti servirebbe un condensatore piuttosto grande, come pure ti servirebbe una resistenza alta per rendere minimo il passaggio della corrente di scarica. Il tutto condito dal fatto che precisione piu' o precisione meno ti aspetti che questo avvenga nei tempi da te prestabiliti. Come puoi intuire la difficoltà sarebbe elevata.
Se serve uno schema, facile:
prendi il 555 astabile da qui
http://www.electroyou.it/bagolaro/wiki/tutorial_timer_555
lo imposti per un periodo intorno al secondo, e mandi l'uscita in ingresso al divisore di frequenza 4020
(http://pdf.datasheetcatalog.com/datasheet2/9/0paqd91zcls9g4akywgtgso3y1ky.pdf)
entri nel pin 10 e fai dividere
prelevi l'uscita Q7 (pin 6) o Q6 (pin 4) e dovresti ritrovarti l'onda quadra di periodo sul minuto
Considera in pratica che Q0 è il tuo segnale, Q1 è il tuo segnale a periodo doppio, Q2 a periodo quadruplo, ecc
Ricordati solo di alimentare correttamente il 4020, ovvero pin 16 e pin 8, e metti il piedino RESET (pin 11) verso massa.
Se serve uno schema, facile:
prendi il 555 astabile da qui
http://www.electroyou.it/bagolaro/wiki/tutorial_timer_555
lo imposti per un periodo intorno al secondo, e mandi l'uscita in ingresso al divisore di frequenza 4020
(http://pdf.datasheetcatalog.com/datasheet2/9/0paqd91zcls9g4akywgtgso3y1ky.pdf)
entri nel pin 10 e fai dividere
prelevi l'uscita Q7 (pin 6) o Q6 (pin 4) e dovresti ritrovarti l'onda quadra di periodo sul minuto
Considera in pratica che Q0 è il tuo segnale, Q1 è il tuo segnale a periodo doppio, Q2 a periodo quadruplo, ecc
Ricordati solo di alimentare correttamente il 4020, ovvero pin 16 e pin 8, e metti il piedino RESET (pin 11) verso massa.
0
voti
Beh, questo è elementare ma non è che non funziona..
I valori vanno rivisti, le due capacità andranno sul migliaio di microfarad e devono essere condensatori elettrolitici molto sovradimensionati come tensione di lavoro per garantire che abbiano una bassa corrente di dispersione.
I valori vanno rivisti, le due capacità andranno sul migliaio di microfarad e devono essere condensatori elettrolitici molto sovradimensionati come tensione di lavoro per garantire che abbiano una bassa corrente di dispersione.
0
voti

"Non farei mai parte di un club che accettasse la mia iscrizione" (G. Marx)
-

claudiocedrone
21,3k 4 7 9 - Master EY

- Messaggi: 15302
- Iscritto il: 18 gen 2012, 13:36
0
voti
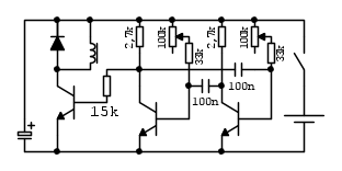
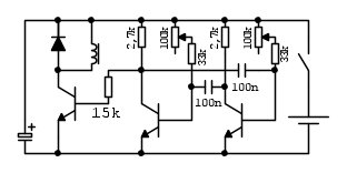
claudiocedrone ha scritto:... due trimmer vanno obbligatoriamente cortocircuitati col cursore e non lasciati "appesi" come nello schema.
Questa modalità, ovvero di collegare il terminale inutilizzato di un trimmer col suo cursore, l'ho già incontrato anche in altri schemi; da quello che ho capito è necessario farlo quando un potenziometro/trimmer è collegato in serie ad una resistenza; come mai bisogna fare ciò?
-

DaveDiamond
0 4 - Frequentatore

- Messaggi: 140
- Iscritto il: 27 mar 2011, 18:44
0
voti
P.s. Non me ne voglia
"Non farei mai parte di un club che accettasse la mia iscrizione" (G. Marx)
-

claudiocedrone
21,3k 4 7 9 - Master EY

- Messaggi: 15302
- Iscritto il: 18 gen 2012, 13:36
0
voti
Anche io mi sono interessato a questa storia del collegamento del potenziometro per esempio nel mio Resistor decade box. Se ho capito bene è una questione di efficienza/ridondanza. Ciò consente in caso di guasto di far lavorare comunque il circuito con il massimo valore del potenziometro, perdendo soltanto la possibilità di regolarlo.
Puoi gentilmente confermare
claudiocedrone?
Puoi gentilmente confermare
Più so e più mi accorgo di non sapere.
Qualsiasi cosa abbia scritto, tieni presente che sono ancora al mio primo rocchetto di stagno.
Qualsiasi cosa abbia scritto, tieni presente che sono ancora al mio primo rocchetto di stagno.
0
voti

"Non farei mai parte di un club che accettasse la mia iscrizione" (G. Marx)
-

claudiocedrone
21,3k 4 7 9 - Master EY

- Messaggi: 15302
- Iscritto il: 18 gen 2012, 13:36
18 messaggi
• Pagina 1 di 2 • 1, 2
Chi c’è in linea
Visitano il forum: Nessuno e 25 ospiti

Elettrotecnica e non solo (admin)
Un gatto tra gli elettroni (IsidoroKZ)
Esperienza e simulazioni (g.schgor)
Moleskine di un idraulico (RenzoDF)
Il Blog di ElectroYou (webmaster)
Idee microcontrollate (TardoFreak)
PICcoli grandi PICMicro (Paolino)
Il blog elettrico di carloc (carloc)
DirtEYblooog (dirtydeeds)
Di tutto... un po' (jordan20)
AK47 (lillo)
Esperienze elettroniche (marco438)
Telecomunicazioni musicali (clavicordo)
Automazione ed Elettronica (gustavo)
Direttive per la sicurezza (ErnestoCappelletti)
EYnfo dall'Alaska (mir)
Apriamo il quadro! (attilio)
H7-25 (asdf)
Passione Elettrica (massimob)
Elettroni a spasso (guidob)
Bloguerra (guerra)





