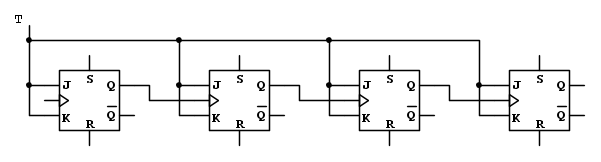
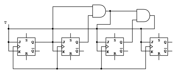
Salve potreste dirmi se questi due contatori sono rispettivamente un contatore asincrono up e sincrono up, entrambi di modulo 16
Grazie
conferma contatore sincrono e asincrono modulo 16
Moderatori:
carloc,
g.schgor,
BrunoValente,
IsidoroKZ
8 messaggi
• Pagina 1 di 1
0
voti
No, quelli disegnati hanno le uscite bloccate ad un valore indefinito.
http://millefori.altervista.org
Tool gratuito per chi sviluppa su millefori.
Tutti sanno che una cosa è impossibile da realizzare, finché arriva uno sprovveduto che non lo sa e la inventa. (A. Einstein)
Se non c'e` un 555 non e` un buon progetto (IsidoroKZ)
Strumento per formule
Tool gratuito per chi sviluppa su millefori.
Tutti sanno che una cosa è impossibile da realizzare, finché arriva uno sprovveduto che non lo sa e la inventa. (A. Einstein)
Se non c'e` un 555 non e` un buon progetto (IsidoroKZ)
Strumento per formule
-

posta10100
5.550 4 10 13 - Master EY

- Messaggi: 4832
- Iscritto il: 5 nov 2006, 0:09
0
voti
ah e come faccio a non dargli valori indefiniti?
-

LoScienziato
10 4 - New entry

- Messaggi: 87
- Iscritto il: 5 gen 2015, 20:59
0
voti
Dalla domanda credo che tu stia studiando elettronica in un istituto tecnico, sbaglio?
Non voglio darti la risposta pronta altrimenti non impari niente.
Considera un singolo FF, prova a descrivere come si comportano le uscite in funzione dei vari ingressi.
Non voglio darti la risposta pronta altrimenti non impari niente.
Considera un singolo FF, prova a descrivere come si comportano le uscite in funzione dei vari ingressi.
http://millefori.altervista.org
Tool gratuito per chi sviluppa su millefori.
Tutti sanno che una cosa è impossibile da realizzare, finché arriva uno sprovveduto che non lo sa e la inventa. (A. Einstein)
Se non c'e` un 555 non e` un buon progetto (IsidoroKZ)
Strumento per formule
Tool gratuito per chi sviluppa su millefori.
Tutti sanno che una cosa è impossibile da realizzare, finché arriva uno sprovveduto che non lo sa e la inventa. (A. Einstein)
Se non c'e` un 555 non e` un buon progetto (IsidoroKZ)
Strumento per formule
-

posta10100
5.550 4 10 13 - Master EY

- Messaggi: 4832
- Iscritto il: 5 nov 2006, 0:09
0
voti
posta10100 ha scritto:Dalla domanda credo che tu stia studiando elettronica in un istituto tecnico, sbaglio?
non sbagli, frequento un istituto tecnico
nei FF T se l'ingresso è a 0 l'uscita è in memorizzazione
se l'ingrezzo è a 1 si complementa l'uscita rispetto al valore precedente
-

LoScienziato
10 4 - New entry

- Messaggi: 87
- Iscritto il: 5 gen 2015, 20:59
0
voti
E S, R, CLK?
http://millefori.altervista.org
Tool gratuito per chi sviluppa su millefori.
Tutti sanno che una cosa è impossibile da realizzare, finché arriva uno sprovveduto che non lo sa e la inventa. (A. Einstein)
Se non c'e` un 555 non e` un buon progetto (IsidoroKZ)
Strumento per formule
Tool gratuito per chi sviluppa su millefori.
Tutti sanno che una cosa è impossibile da realizzare, finché arriva uno sprovveduto che non lo sa e la inventa. (A. Einstein)
Se non c'e` un 555 non e` un buon progetto (IsidoroKZ)
Strumento per formule
-

posta10100
5.550 4 10 13 - Master EY

- Messaggi: 4832
- Iscritto il: 5 nov 2006, 0:09
0
voti
s e r sarebbero il preset e il clear, mi pare servano a forzare l'uscita rispettivamente a 1 e 0
mentre il clock scandisce il tempo del contatore
mentre il clock scandisce il tempo del contatore
-

LoScienziato
10 4 - New entry

- Messaggi: 87
- Iscritto il: 5 gen 2015, 20:59
0
voti
LoScienziato ha scritto:s e r sarebbero il preset e il clear, mi pare servano a forzare l'uscita rispettivamente a 1 e 0
Ok, ma se le lasci flottanti che valore assumerà l'uscita?
LoScienziato ha scritto:il clock scandisce il tempo del contatore
Noi stavamo parlando del singolo FF, non dell'intero contatore.
Il fronte di salita del CLK (attivo alto nel tuo schema) identifica il momento in cui l'uscita inizia a cambiare (o non cambiare nel caso in cui venga selezionata la configurazione di memoria).
Dovremmo anche tener conto del tempo di SETUP e di HOLD. Il tempo di SETUP è il tempo minimo che deve trascorrere dal momento in cui gli ingressi del FF hanno uno stato logico stabile prima del fronte di salita del CLK, il tempo di HOLD è il tempo minimo a partire dal fronte di salita del CLK durante il quale gli ingressi devono rimanere ad uno stato logico stabile.
Nel tuo schema il CLK è flottante per entrambe le configurazioni, stessa cosa per S ed R, cosa succede al circuito se riceve inputs casuali?

http://millefori.altervista.org
Tool gratuito per chi sviluppa su millefori.
Tutti sanno che una cosa è impossibile da realizzare, finché arriva uno sprovveduto che non lo sa e la inventa. (A. Einstein)
Se non c'e` un 555 non e` un buon progetto (IsidoroKZ)
Strumento per formule
Tool gratuito per chi sviluppa su millefori.
Tutti sanno che una cosa è impossibile da realizzare, finché arriva uno sprovveduto che non lo sa e la inventa. (A. Einstein)
Se non c'e` un 555 non e` un buon progetto (IsidoroKZ)
Strumento per formule
-

posta10100
5.550 4 10 13 - Master EY

- Messaggi: 4832
- Iscritto il: 5 nov 2006, 0:09
8 messaggi
• Pagina 1 di 1
Chi c’è in linea
Visitano il forum: Nessuno e 245 ospiti

Elettrotecnica e non solo (admin)
Un gatto tra gli elettroni (IsidoroKZ)
Esperienza e simulazioni (g.schgor)
Moleskine di un idraulico (RenzoDF)
Il Blog di ElectroYou (webmaster)
Idee microcontrollate (TardoFreak)
PICcoli grandi PICMicro (Paolino)
Il blog elettrico di carloc (carloc)
DirtEYblooog (dirtydeeds)
Di tutto... un po' (jordan20)
AK47 (lillo)
Esperienze elettroniche (marco438)
Telecomunicazioni musicali (clavicordo)
Automazione ed Elettronica (gustavo)
Direttive per la sicurezza (ErnestoCappelletti)
EYnfo dall'Alaska (mir)
Apriamo il quadro! (attilio)
H7-25 (asdf)
Passione Elettrica (massimob)
Elettroni a spasso (guidob)
Bloguerra (guerra)
