Cos'è ElectroYou | Login Iscriviti

ElectroYou - la comunità dei professionisti del mondo elettrico

centro banda BJT con condensatore in parallelo

Circuiti, campi elettromagnetici e teoria delle linee di trasmissione e distribuzione dell’energia elettrica

Moderatori: Foto Utenteg.schgor, Foto UtenteIsidoroKZ

0
voti

[1] centro banda BJT con condensatore in parallelo

Messaggioda Foto Utentecamaleonte » 28 giu 2015, 3:46

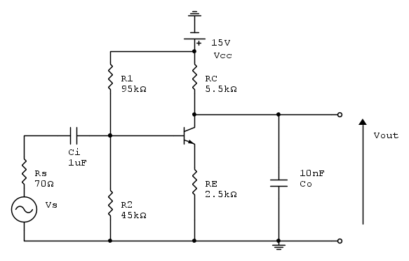
Ciao, dopo tanto sono ritornato...

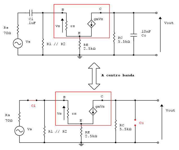
So che in centro banda, i condensatori di accoppiamento ( Ci in questo caso ), sono
dei corto circuiti perché
\left. X_c\right|_{s\rightarrow\infty}= \frac {1}{sC} = 0
Ossia al posto del condensatore Ci considero un corto circuto.

La domanda è, cosa diventa Co in parallelo all'uscita?
Dovrebbe cortocircuitarsi come quello di ingresso ingresso e annullarmi l'uscita.
Mi hanno detto che per Co non succede questo, non sanno dirmi chiaramente il perché.

Avatar utente
Foto Utentecamaleonte
15 1 2
 
Messaggi: 25
Iscritto il: 10 ott 2012, 19:39

2
voti

[2] Re: centro banda BJT con condensatore in parallelo

Messaggioda Foto Utenteg.schgor » 28 giu 2015, 6:32

camaleonte ha scritto:Mi hanno detto che per Co non succede

Chi te l'ha detto?
La "risposta" del circuito è questa
RispAmpl.gif

Come si vede, ha una banda passante
ra 2Hz e 8kHz ed un guadagno di 6dB .
Se aumenti Co si riducono entrambi
(p.es. con Co=1uF la banda passante
si riduce a soli 80Hz)
Avatar utente
Foto Utenteg.schgor
57,8k 9 12 13
G.Master EY
G.Master EY
 
Messaggi: 16971
Iscritto il: 25 ott 2005, 9:58
Località: MILANO

1
voti

[3] Re: centro banda BJT con condensatore in parallelo

Messaggioda Foto Utentesila2012 » 28 giu 2015, 8:16

Nel range inziale di frequenze (quello detto basse frequenze) comincia da intervenire Ci mentre Co è sostanzialmente aperto viceversa esiste un intervallo di frequenze in cui Ci è chiuso mentre Co è aperto (quello che viene chiamato medie frequenze o centrobanda) ,per frequenze superiori a questo intervallo (detto alte frequenze) comincia ad agire anche Co e si può ritenere che Ci sia già chiuso.D'altronde anche i valori dei due condensatori sono molto diversi uno è dell' ordine dei uF l'atro dei nF ed ovviamente intervengono in modo diverso.Per trovare i poli si potrebbe fare un ragionamento di separazione in banda (ma non molto preciso e potrebbe portare ad errori di valutazione se non si prendono le dovute cautele) oppure utilizzare il metodo di Grabel.Il dubbio ti è giustamene sorto in quanto la maggior parte dei testi italiani ed inglesi non ne parla ed inoltre in molte università italiane non viene trattato in maniera approfondita tale argomento,putroppo ad oggi vale ancora il discorso università diverse conoscenze in uscita diverse...pensa che esistono università italiane dove all'esame di elettronica 2 non si fanno esercizi sulla risposta in frequenza di circuiti a transistori ed operazionali...
Avatar utente
Foto Utentesila2012
138 1 4
New entry
New entry
 
Messaggi: 83
Iscritto il: 13 ott 2012, 8:35

5
voti

[4] Re: centro banda BJT con condensatore in parallelo

Messaggioda Foto UtenteIsidoroKZ » 28 giu 2015, 9:17

Prova a dare un'occhiata anche a questo messaggio

viewtopic.php?t=58459#p579056

Altra cosa da tenere presente per l'analisi dei circuiti e` che un condensatore in serie al segnale introduce uno zero nell'origine e un polo al finito: se si apre non passa nulla e quindi hai uno zero a frequenza nulla. Invece un condensatore in parallelo al segnale da` un polo al finito e uno zero all'infinito: se il condensatore si cortocircuita non esce piu` nulla e quindi hai uno zero di trasmissione e questo capita a frequenza infinita.

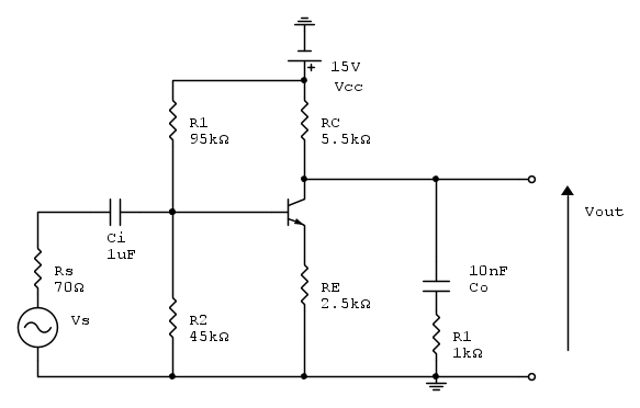
Diverso sarebbe questo caso



Qui il condensatore non e` in parallelo al segnale, anche se diventasse un cortocircuito non riuscirebbe ad annullare il segnale in uscita, quindi niente zero all'infinito.

In questo caso il ragionamento e` piu` o meno il seguente. A bassa frequenza, quando Co ancora non interviene, il guadagno e` quello di centro banda, 6dB come ha calcolato [user]gschgor[/user]. Di mano in mano che aumenta la frequenza l'impedenza del condensatore diminuisce e l'impedenza di carico del transistore scende, cosi` pure il guadagno. Ma quando l'impedenza di Co diventa uguale, e poi piu` piccola, di R1, allora la serie R1 Co e` dominata da R1 e quindi da questa frequenza in avanti il guadagno non scende praticamente piu`: si ha uno zero di trasmissione al finito.

Discorso duale si puo` fare per Ci: se in parallelo a Ci ci fosse una resistenza, lo zero di Ci non sarebbe piu` a frequenza nulla, ma diventerebbe a frequenza maggiore di zero.

Ultima nota: in questo caso il metodo di Grabel non serve perche' i due condensatori sono separati per maglie e si puo` calcolare indipendentemente la frequenza dei poli usando la resistenza equivalente vista da ciascun condensatore.
Per usare proficuamente un simulatore, bisogna sapere molta più elettronica di lui
Plug it in - it works better!
Il 555 sta all'elettronica come Arduino all'informatica! (entrambi loro malgrado)
Se volete risposte rispondete a tutte le mie domande
Avatar utente
Foto UtenteIsidoroKZ
121,2k 1 3 8
G.Master EY
G.Master EY
 
Messaggi: 21059
Iscritto il: 17 ott 2009, 0:00

2
voti

[5] Re: centro banda BJT con condensatore in parallelo

Messaggioda Foto Utentesila2012 » 28 giu 2015, 9:39

Infatti nell'esempio particoalre di Isidoro calcolando in guadagno dello stadio per f->infinito ed il guadagno a "centrobanda" con Ci chiuso e con Co ancora aperto, conoscendo il valore del polo introdotto da Co è possibile calcolare la posizione dello zero finito di Co.Giusto isidoro?In effetti se i condensatori sono indipendenti e non interagenti è possibile usare tranqillamene il metodo della resistenza vista
Avatar utente
Foto Utentesila2012
138 1 4
New entry
New entry
 
Messaggi: 83
Iscritto il: 13 ott 2012, 8:35

0
voti

[6] Re: centro banda BJT con condensatore in parallelo

Messaggioda Foto Utentecamaleonte » 28 giu 2015, 12:25

Grazie a tutti.

g.schgor ha scritto:
camaleonte ha scritto:Mi hanno detto che per Co non succede

Chi te l'ha detto?

Colleghi di università, corso di elettronica.
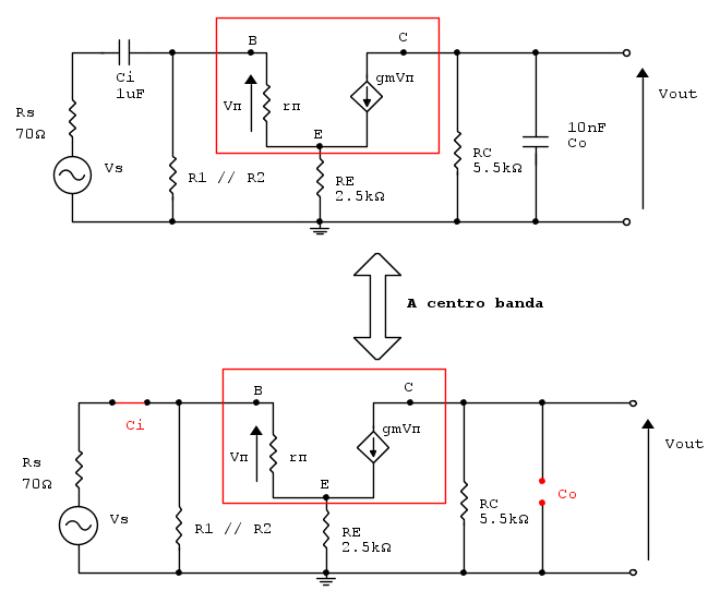
"perché, Co non va cortocircuitato come Ci se tutte sono sottoposte alla stessa frequenza ?"
Risposta colleghi: "Bu, è così, altrimenti si annulla l'uscita."

Questo è quello che dicono i colleghi:
Se a Co, ci fosse stata una R in serie, Co si sarebbe potuto cortocircuitare tranquillamente
Ma in questo caso, invece, ho :

Avatar utente
Foto Utentecamaleonte
15 1 2
 
Messaggi: 25
Iscritto il: 10 ott 2012, 19:39

4
voti

[7] Re: centro banda BJT con condensatore in parallelo

Messaggioda Foto Utenteg.schgor » 28 giu 2015, 15:12

Questo in teoria, ma se provi a mettere un Co=1uF,
ottieni questa risposta:
RispAmpl1.gif
RispAmpl1.gif (6.48 KiB) Osservato 11255 volte

(se la banda è troppo stretta, si abbassa anche il guadagno al centro)
Avatar utente
Foto Utenteg.schgor
57,8k 9 12 13
G.Master EY
G.Master EY
 
Messaggi: 16971
Iscritto il: 25 ott 2005, 9:58
Località: MILANO

3
voti

[8] Re: centro banda BJT con condensatore in parallelo

Messaggioda Foto Utentecarloc » 29 giu 2015, 8:26

sila2012 ha scritto:Infatti nell'esempio particoalre di Isidoro calcolando in guadagno dello stadio per f->infinito ed il guadagno a "centrobanda" con Ci chiuso e con Co ancora aperto, conoscendo il valore del polo introdotto da Co è possibile calcolare la posizione dello zero finito di Co.....


:ok: ma anche più semplicemente: lo zero al finito di Co R1 "per ispezione" vale \omega_\text{z}=1/C_oR_1 ;-)
Se ti serve il valore di beta: hai sbagliato il progetto!
Avatar utente
Foto Utentecarloc
33,8k 6 11 13
G.Master EY
G.Master EY
 
Messaggi: 2153
Iscritto il: 7 set 2010, 19:23

0
voti

[9] Re: centro banda BJT con condensatore in parallelo

Messaggioda Foto Utentesila2012 » 29 giu 2015, 8:33

per il calcolo dello zero hai imposto

\frac{1}{sC}+R=0


giusto?
Avatar utente
Foto Utentesila2012
138 1 4
New entry
New entry
 
Messaggi: 83
Iscritto il: 13 ott 2012, 8:35

2
voti

[10] Re: centro banda BJT con condensatore in parallelo

Messaggioda Foto Utentecarloc » 29 giu 2015, 8:44

Sì sì esatto :D ... cerchi per quale "s" l'impedenza della serie CoR1 vale zero e ti annulla l'uscita :ok:

E se noti ti viene correttamente un valore "reale e negativo" ;-) nel dominio di s.
Se ti serve il valore di beta: hai sbagliato il progetto!
Avatar utente
Foto Utentecarloc
33,8k 6 11 13
G.Master EY
G.Master EY
 
Messaggi: 2153
Iscritto il: 7 set 2010, 19:23

Prossimo

Torna a Elettrotecnica generale

Chi c’è in linea

Visitano il forum: Nessuno e 127 ospiti