centro banda BJT con condensatore in parallelo
Moderatori:
g.schgor,
IsidoroKZ
27 messaggi
• Pagina 2 di 3 • 1, 2, 3
2
voti
Si nota una certa scuola pisana....pellegrini and new generation company docet....queste cose vengono trattate bene solo in pochissime univerità italiane...Pisa,Politecnico Torino,Padova....
0
voti
carloc ha scritto:Sì sì esatto... cerchi per quale "s" l'impedenza della serie CoR1 vale zero e ti annulla l'uscita
![]()
E se noti ti viene correttamente un valore "reale e negativo"nel dominio di s.
CoRC forse, non Ri
-

camaleonte
15 1 2 - Messaggi: 25
- Iscritto il: 10 ott 2012, 19:39
3
voti
mmmm stavo parlando dello zero nella maglia di uscita del circuito di
IsidoroKZ
... e comunque nel tuo circuito
1/CoRc dà la frequenza del polo, non dello zero
IsidoroKZ ha scritto:
... e comunque nel tuo circuito
camaleonte ha scritto:
1/CoRc dà la frequenza del polo, non dello zero
Se ti serve il valore di beta: hai sbagliato il progetto!
2
voti
sila2012 ha scritto:Si nota una certa scuola pisana...
Direi che a vario titolo ne hai beccati 2 su 3
Se ti serve il valore di beta: hai sbagliato il progetto!
0
voti
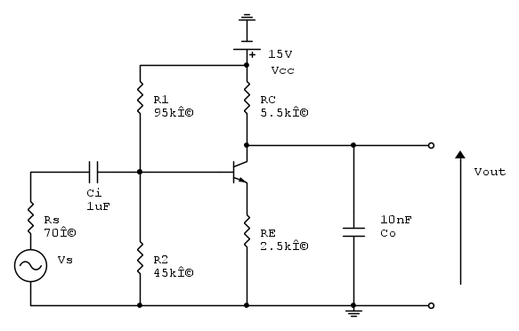
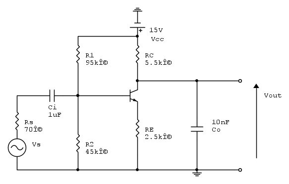
Ciao a tutti,sto seguendo con attenzione questa conversazione, ho qualche dubbio su questo esercizio, qualcuno mi da una mano?in questo caso devo considerare solo alle basse frequenze, quindi solo c1?
ciao e grazie
ciao e grazie
-

galantuomo
0 1 - Messaggi: 1
- Iscritto il: 1 lug 2015, 9:34
0
voti
galantuomo ha scritto:Ciao a tutti,sto seguendo con attenzione questa conversazione, ho qualche dubbio su questo esercizio, qualcuno mi da una mano?in questo caso devo considerare solo alle basse frequenze, quindi solo c1?
ciao e grazie
Una volta usato il programma per nascondere le scritte del pdf, potevi pure ritagliare l'immagine e e mostrare solo il circuito con il testo.
Manca la base ?
Puoi usare il metodo delle costanti di tempo, spegni i generatori indipendenti e uno alla volta calcoli la Rvista dal singolo condensatore.
Ne lasci uno attivo e gli altri li cortocircuti, uno alla volta, ti trovi la R che vede ai suoi capi.
-

camaleonte
15 1 2 - Messaggi: 25
- Iscritto il: 10 ott 2012, 19:39
1
voti
sila2012 ha scritto:Si nota una certa scuola pisana....pellegrini and new generation company docet....queste cose vengono trattate bene solo in pochissime univerità italiane...Pisa,Politecnico Torino,Padova....
non so se hai studiato in tutte le altre università d'italia, ma ti assicuro che anche altrove le trattiamo bene...
1
voti
Non voglio fare polemiche....ma ti assicuro al 100% che in molte università italiane non si trattano bene questi argomenti...non trattano il metodo di grabel,teoremi particolari sulla reazione,separazione in banda..etc...potrei farti un elenco...può essere che la tua rientri in quella in cui si fa ancora qualcosa...Sono certo al 100% (perché ho amici che studiano li) che p.es tali cose non si fanno alla Sapienza,Tor Vergata,Napoli,Univ della Calabria,Univ Salerno e potrei continuare..ma ripeto non voglio fare polemiche
2
voti
camaleonte ha scritto:galantuomo ha scritto:Puoi usare il metodo delle costanti di tempo, spegni i generatori indipendenti e uno alla volta calcoli la Rvista dal singolo condensatore.
Ne lasci uno attivo e gli altri li cortocircuti, uno alla volta, ti trovi la R che vede ai suoi capi.
purtroppo questo è il metodo che viene insegnato in diverse università Italiane ma è sbagliato...il metodo in questione può dare delle stime accettabili se e solo se è presente un polo dominante e gli atri zeri non determinano particolari alterazioni della risposta in freq.
27 messaggi
• Pagina 2 di 3 • 1, 2, 3
Torna a Elettrotecnica generale
Chi c’è in linea
Visitano il forum: Nessuno e 42 ospiti

Elettrotecnica e non solo (admin)
Un gatto tra gli elettroni (IsidoroKZ)
Esperienza e simulazioni (g.schgor)
Moleskine di un idraulico (RenzoDF)
Il Blog di ElectroYou (webmaster)
Idee microcontrollate (TardoFreak)
PICcoli grandi PICMicro (Paolino)
Il blog elettrico di carloc (carloc)
DirtEYblooog (dirtydeeds)
Di tutto... un po' (jordan20)
AK47 (lillo)
Esperienze elettroniche (marco438)
Telecomunicazioni musicali (clavicordo)
Automazione ed Elettronica (gustavo)
Direttive per la sicurezza (ErnestoCappelletti)
EYnfo dall'Alaska (mir)
Apriamo il quadro! (attilio)
H7-25 (asdf)
Passione Elettrica (massimob)
Elettroni a spasso (guidob)
Bloguerra (guerra)






