Quel calcolo lo faccio in questo modo. Uso i parametri a pi greco ibrido, i parametri h non mi piacciono, vedi qui
viewtopic.php?f=1&t=15239&start=10#p99918Poi uso un modello di piccolo segnale in cui c'e` solo

e

e lo disegno con il simbolo di un transistor, almeno vedo il circuito su cui sto lavorando. Di questo modello so l'impedenza che si vede guardando dentro la base e dentro l'emettitore.
Se serve anche

la aggiungo di fuori dal transistor, in modo da avere sott'occhio il circuito. Se si passa al circuito equivalente il circuito originale sparisce, e non ci capisco piu` nulla.
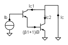
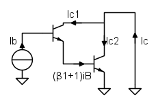
Nella figura di sinistra c'e` lo schema iniziale, con generatore di corrente all'ingresso e cortocircuito sull'uscita per poter trovare il rapporto
Se inizialmente si trascura l'effetto della

, si ha subito che

da cui

dove ho chiamato

il beta complessivo della coppia Darlington in assenza di

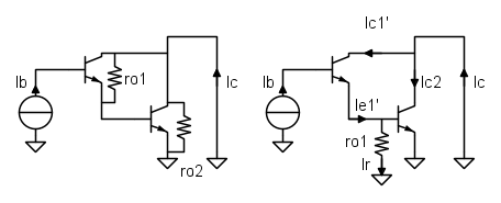
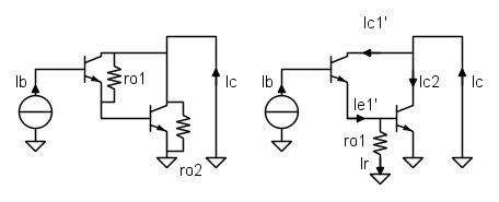
Se vogliamo mettere anche l'effetto di

sul calcolo di

si ha il circuito di sinistra, che puo` essere semplificato come in quello a destra, in cui

e` stata eliminata perche' in cortocircuito e

e` stata disegnata in posizione piu` chiara.
Gli apici primo si riferiscono alla corrente del transistore ideale, senza la ro.
La corrente

, se si contano tutti i contributi, risulta pari a

L'ultimo termine non scompare, anche se ho spostato

Adesso diventa facile fare il conto. Si ha

e

. La corrente di emettitore del primo transistore arriva sul parallelo di

e si ripartisce con la regola del partitore

, mentre la corrente sulla resistenza

vale

Mettendo tutto insieme si ha questo risultato (assurdo!)
Usando la definizione di

data sopra, l'espressione diventa piu` compatta

Da notare che considerando la

il guadagno di corrente diminuisce.
TRASCURANDO il termine +1 rispetto a

si ha

e questo e` il risultato che hai sul tuo libro.
Il conto e` assurdo perche' usando i parametri a pigreco ibrido si vede immediatamente che

e che

. Considerando che

si ha che

da cui considerando che VA sono uno o piu` centinaia di volt, mentre VT sono circa 25mV, si ha che

e` almeno 3 se non 4 ordini di grandezza maggiore di

.
Dalla equazione

si vede che essendo il beta equivalente dalle parti, al piu` di 10^4 e rpi/ro dalle parti di 10^-3 o 10^-4, la variazione del beta equivalente, considerando ro1, e` di qualche unita` su molte migliaia di unita`.
Tutto questo si classifica come pura, completa, totale e assoluta perdita di tempo e di sanita` mentale.