vorrei chiedervi un chiarimento, sto ristrutturando un appartamento sito al piano terra della mia casa (composta da 2 piani più mansarda).
con l'avvento del digitale terrestre rinnovai tutto l'impianto tv, ma l'appartamento al piano terra non è mai stato collegato in quanto precendentemente non era di mia proprietà.
adesso, con la ristrutturazione, vorrei collegare l'antenna ma ho un dubbio su quale componente utilizzare.
La situazione attuale è questa:
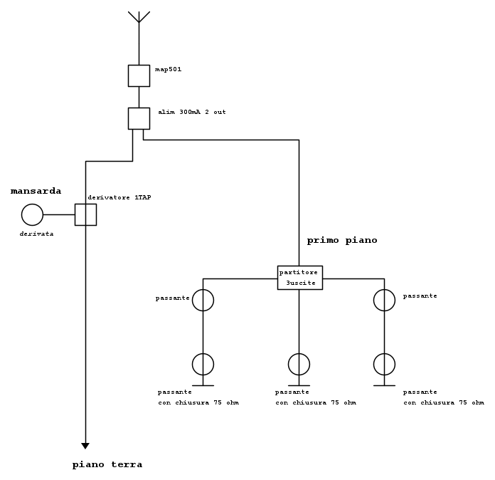
ANTENNA (3 moduli: VHF, UHF21-37, UHF38-69)
|
AMPLIFICATORE (se non sbaglio un fracarro MAP501, comunque ha 5 ingressi e 1 uscita)
|
ALIMENTATORE A 2 USCITE: - la prima uscita è collegata alla mansarda (1 presa)
- la seconda alla presa TV del primo piano (5 prese)
La soluzione più veloce per me sarebbe stata quella di sostituire l'alimentatore attuale con uno a 3 uscite...ma sinceramente non ho trovato nulla su internet e quindi penso non esista!
Quindi ho pensato di collegare il piano terra ad un'uscita dell'alimentatore e primo piano e mansarda alla seconda uscita sfruttando un partitore...
per essere più chiaro:
Alimentatore - uscita 1
piano terra (4 prese TV)- uscita 2
PARTITORE (2 uscite) |---> primo piano (5 prese)|---> mandarda (1 presa)
Quello che mi chiedo, inoltre, è se un impianto del genere soffra, ovvero se ho bisogno anche di una centralina per gestire le 3 uscite per piano.
Grazie per l'aiuto!

Elettrotecnica e non solo (admin)
Un gatto tra gli elettroni (IsidoroKZ)
Esperienza e simulazioni (g.schgor)
Moleskine di un idraulico (RenzoDF)
Il Blog di ElectroYou (webmaster)
Idee microcontrollate (TardoFreak)
PICcoli grandi PICMicro (Paolino)
Il blog elettrico di carloc (carloc)
DirtEYblooog (dirtydeeds)
Di tutto... un po' (jordan20)
AK47 (lillo)
Esperienze elettroniche (marco438)
Telecomunicazioni musicali (clavicordo)
Automazione ed Elettronica (gustavo)
Direttive per la sicurezza (ErnestoCappelletti)
EYnfo dall'Alaska (mir)
Apriamo il quadro! (attilio)
H7-25 (asdf)
Passione Elettrica (massimob)
Elettroni a spasso (guidob)
Bloguerra (guerra)








