Cos'è ElectroYou | Login Iscriviti

ElectroYou - la comunità dei professionisti del mondo elettrico

Circuito con led singolo lampeggiante

Elettronica lineare e digitale: didattica ed applicazioni

Moderatori: Foto Utentecarloc, Foto Utenteg.schgor, Foto UtenteBrunoValente, Foto UtenteIsidoroKZ

0
voti

[1] Circuito con led singolo lampeggiante

Messaggioda Foto Utentemarco_ok » 21 set 2015, 14:11

Ciao a tutti, lo so lo so che è una questione semplice...però per me che non so progettare circuiti con componenti elettronici è un ostacolo insormontabile...quindi vi chiedo aiuto per questa semplice applicazione.
Cosa vorrei realizzare:
un circuito che mi permetta di variare la velocità di lampeggio di un led da 5mm(magari inserendo una resistenza variabile). Deve funzionare per qualche ora, se fosse possibile per 24h (insomma durare il più possibile rispettando tutte le caratteristiche)

Che caratteristiche deve avere:
deve essere piccolo il più possibile, molto economico da realizzare(perché il circuito sarà utilizzato come usa e getta), alimentato con pile piccole(tipo le LR41 da 1,5V in serie)e facilmente realizzabile con componenti reperibili in rete.

Ho già letto le varie discussioni qui sul forum ed in giro per la rete, però non essendo un esperto non riesco a rispondere a questa mia necessità e trovare un circuito che esaudisca i miei desideri.....grazie in anticipo a chiunque mi aiuterà :ok:
Avatar utente
Foto Utentemarco_ok
140 2 5
Frequentatore
Frequentatore
 
Messaggi: 249
Iscritto il: 1 ott 2008, 17:14

0
voti

[2] Re: Circuito con led singolo lampeggiante

Messaggioda Foto UtenteRussell » 21 set 2015, 14:20

leggi qui
http://www.electroyou.it/bagolaro/wiki/tutorial_timer_555

in particolare ti interesserà quando si inizia a parlare di
"Multivibratore ASTABILE con Timer 555"

hai il circuito, la spiegazione dettagliata, e le formule per impostare la cadenza del lampeggio

dovrsti essere a posto a quel punto :ok:
Avatar utente
Foto UtenteRussell
3.373 3 5 9
Master
Master
 
Messaggi: 2193
Iscritto il: 4 ott 2009, 10:25

0
voti

[3] Re: Circuito con led singolo lampeggiante

Messaggioda Foto Utentemarco_ok » 21 set 2015, 14:28

(Per rispondere usa tasto RISPONDI - Non citare per intero un messaggio)
Grazie dovrei comprenderlo, lo leggo un attimo e vedo di scrivere qualcosa così ne verifichiamo la correttezza.

Per adesso grazie mille, questo articolo mi era proprio sfuggito!
Avatar utente
Foto Utentemarco_ok
140 2 5
Frequentatore
Frequentatore
 
Messaggi: 249
Iscritto il: 1 ott 2008, 17:14

0
voti

[4] Re: Circuito con led singolo lampeggiante

Messaggioda Foto UtenteFedericoSibona » 21 set 2015, 16:49

Beh, esistono anche i LED che lampeggiano già di per se, senza circuiti aggiunti. Vedi ad esempio questi https://www.futurashop.it/componenti-el ... mpeggianti (circa 1€)
In Cina ancora meno http://www.ebay.com/sch/i.html?_from=R4 ... ed&_sop=15
Quel che non trovo scritto è a che frequenza lampeggiano.
Avatar utente
Foto UtenteFedericoSibona
5.022 3 5 8
Master
Master
 
Messaggi: 3951
Iscritto il: 19 mar 2013, 11:43

0
voti

[5] Re: Circuito con led singolo lampeggiante

Messaggioda Foto Utentemarco_ok » 21 set 2015, 17:04

Si li avevo visti, però io ho proprio l'esigenza di modificare la velocità di lampeggio!
Avatar utente
Foto Utentemarco_ok
140 2 5
Frequentatore
Frequentatore
 
Messaggi: 249
Iscritto il: 1 ott 2008, 17:14

0
voti

[6] Re: Circuito con led singolo lampeggiante

Messaggioda Foto Utentepgiagno » 21 set 2015, 17:12

Con le LR41 non si va lontano. Come puoi vedere qui (http://www.lr41.net/) hanno una capacità di 25-32 mAh. Il che significa che IN TEORIA possono erogare una corrente di circa 25 mA per un'ora. In realtà, meno. Il tuo led consuma (acceso) intorno ai 20 mA. Con un duty cicle del 50% (1s acceso 1s spento) può lampeggiare per circa due ore; con un duty cicle del 10% (1s acceso 9s spento), per circa 10 ore. C'è da considerare poi il consumo del 555 che può essere reso minimo (1 mW) con un 555 cmos (tipo LMC555 per intendersi).
Avatar utente
Foto Utentepgiagno
503 3 7
Stabilizzato
Stabilizzato
 
Messaggi: 363
Iscritto il: 5 gen 2015, 21:27

1
voti

[7] Re: Circuito con led singolo lampeggiante

Messaggioda Foto Utentemarco438 » 21 set 2015, 17:33

Con pile normali non so (anzi dubito) che tu possa arrivare a 24 ore di funzionamento; puoi comunque provare, tenendo conto che, per lavorare, il 555 ha bisogno di tensioni da 5 a 15V.
La schema da seguire sarebbe il seguente:


Ho calcolato che il led (di cui non hai specificato le caratteristiche) sia di quelli con tensione nominale di 3V circa e, con quei valori di resistenza, dovrebbe lavorare a circa 20mA.
La frequenza di lampeggio va da un minimo di 0.7Hz ad un massimo di 120HZ (da un lampeggio ogni 1.4 sec ad aumentare fino al massimo rilevabile dall'occhio umano) e puo' essere regolata dal trimmer o potenziometro da 100kohm.
Se cosi' qualcosa non ti va bene, dillo che modifichiamo i valori dei componenti.
marco
Avatar utente
Foto Utentemarco438
37,1k 7 11 13
-EY Legend-
-EY Legend-
 
Messaggi: 16323
Iscritto il: 24 mar 2010, 15:09
Località: Versilia

0
voti

[8] Re: Circuito con led singolo lampeggiante

Messaggioda Foto Utentemarco_ok » 3 ott 2015, 13:54

Evita di citare i messaggi per intero e con schema annesso. Usa il tasto RISPONDI.


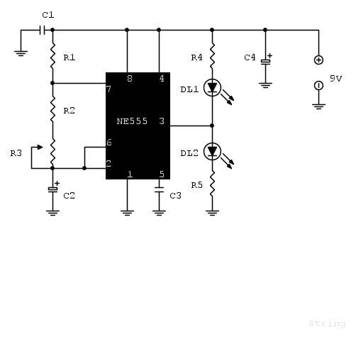
Scusami non mi è arrivata nessuna notifica! Grazie per il circuito, ma nel frattempo sono riuscito a trovare uno schema già fatto del tutto analogo a quello che mi hai messo solo con due led. L'ho fatto e devo dire che funziona bene, man mano che trovavo delle difficoltà nella costruzione mi sono messo a cercare di capire il perché ed ho capito abbastanza come funziona questo integrato in modalità astabile (pur non sapendo comunque calcolare i vari valori dei componenti eh!). Ecco lo schema del circuito che ho costruito:
Immagine
Avrei alcune domande, spero possiate aiutarmi a capire:
-ho provato ad aggiungere un led senza resistenza al circuito e si accende bene, con un quarto proprio non ce l fa (lo accende ma con una luce molto debole): questo terzo led che vita ha davanti a se? E' possibile aggiungere altri led a questo circuito?
-non so calcolare l'autonomia: con una pila da 9v quanto riesco a far funzionare il tutto(nell'ipotesi di una percentuale di duty cycle alta ed una bassa)?
-ho la necessità di resinare il circuito con una resina colorata al fine di isolare e nascondere tutta la componentistica: ho trovato su un sito una resina specifica a buon mercato http://www.resine-epossidiche.it/categoria-prodotto/applicazioni-speciali/elettronica/ però è disponibile in tre viscosità diverse A 100 WC, A 200 WC e A 400 WC. Quale prendo? La 200?

Grazie :ok:

PS: ovviamente mi sono accorto subito che dovevo usare una pila da 9v, quelle piccoline è impensabile...inoltre i led sono quelli da 5mm quindi 20 mA
Avatar utente
Foto Utentemarco_ok
140 2 5
Frequentatore
Frequentatore
 
Messaggi: 249
Iscritto il: 1 ott 2008, 17:14

1
voti

[9] Re: Circuito con led singolo lampeggiante

Messaggioda Foto Utentemarco438 » 3 ott 2015, 14:06

marco_ok ha scritto:-ho provato ad aggiungere un led senza resistenza al circuito e si accende bene, con un quarto proprio non ce l fa (lo accende ma con una luce molto debole): questo terzo led che vita ha davanti a se? E' possibile aggiungere altri led a questo circuito?

Se ci fai vedere come lo hai collegato (schema in FidoCadJ) ti posso rispondere.
Per il resto, si e' possibile aggiungerne fino a 5 per ramo (in sicurezza e con riferimento al tuo schema) ma questo va naturalmente ad incidere sulla durata della batteria che e' gia' scarso con due led.
Ti consiglio di leggere le regole del forum, sia per quanto attiene le citazioni che per la pubblicazione delle immagini che vanno inserite senza l'uso di server esterni.
marco
Avatar utente
Foto Utentemarco438
37,1k 7 11 13
-EY Legend-
-EY Legend-
 
Messaggi: 16323
Iscritto il: 24 mar 2010, 15:09
Località: Versilia

2
voti

[10] Re: Circuito con led singolo lampeggiante

Messaggioda Foto Utentemarco_ok » 3 ott 2015, 15:29

Hai ragione scusami, è un po' che non scrivevo ed avevo dimenticato le regole... #-o

Allora spero di aver fatto tutto bene....ecco il circuito


R1=1kohm
R2=6.8kohm
R3=50khom
R4=R5=180ohm
C1=100.000 pF poliestere
C2=10 mf elettrolitico
C3=10.000 pF poliestere
C4=47mf elettrolitico


I led vanno inseriti in parallelo ai due rami? Le resistenze R4 e R5 dovranno cambiare vero?
Hai detto che si possono mettere 10 led in totale perché l'integrato ne555 eroga in uscita al pin3 220ma giusto(20ma x 10 led=200ma + 20 di sicurezza)?

Grazie :ok:
Avatar utente
Foto Utentemarco_ok
140 2 5
Frequentatore
Frequentatore
 
Messaggi: 249
Iscritto il: 1 ott 2008, 17:14

Prossimo

Torna a Elettronica generale

Chi c’è in linea

Visitano il forum: Nessuno e 33 ospiti