Cos'è ElectroYou | Login Iscriviti

ElectroYou - la comunità dei professionisti del mondo elettrico

Collegamento 2 Relè finder 40.52

Progettazione, esercizio, manutenzione, sicurezza, leggi, normative...

Moderatori: Foto Utentesebago, Foto UtenteMASSIMO-G, Foto Utentelillo, Foto UtenteMike

0
voti

[11] Re: Collegamento 2 Relè finder 40.52

Messaggioda Foto Utentezarate6 » 28 set 2015, 23:16

@max grazie davvero per lo schema, fino a 2 giorni fa non sapevo esistesse fidocadj, oggi ho provato il download e sono finito in un sito "intermediario" così ho preso un foglio.
Mi sono giocato il bonus, dalla prossima mi presento con il file di fidocadj :ok:

@mir mi genufletto per tanta disponibilità.

Con questo schema ho realizzato un'interblocco di kA su KB senza saperlo :lol:

Poi scrivi "se vuoi interbloccare entrambi dovrai utilizzare un contatto NC di K2 in serie all'alimentazione di K1, così da avere la condizione che se ho kA non ho KB e viceversa"

Chiedo: ora ho che con kA acceso, KB è escluso/bloccato. Questo è sufficiente per avere una specie di "diritto di precedenza" di kA su KB?

Per quanto c'è a "valle" ai due relè: prima del contattore c'è un interruttore di protezione: GV2ME04 (per KB) E V2ME08 (PER kA) Schneider Electric e ancora a valle i 2 contattori LC1D09 che azionano le due pompe
(http://it.rs-online.com/web/p/products/3949813/).
Abbiate pazienza se non metto gli schemi per ora. O_/
Avatar utente
Foto Utentezarate6
0 3
 
Messaggi: 27
Iscritto il: 22 set 2015, 19:54

0
voti

[12] Re: Collegamento 2 Relè finder 40.52

Messaggioda Foto Utentedanielepower » 29 set 2015, 19:09

zarate6 ha scritto:Chiedo: ora ho che con kA acceso, KB è escluso/bloccato. Questo è sufficiente per avere una specie di "diritto di precedenza" di kA su KB?


Si, Kb non entrera in funzione se è già in funzione kA; e così viceversa O_/
Avatar utente
Foto Utentedanielepower
597 4 6
Sostenitore
Sostenitore
 
Messaggi: 515
Iscritto il: 6 dic 2014, 17:58

0
voti

[13] Re: Collegamento 2 Relè finder 40.52

Messaggioda Foto Utentemir » 29 set 2015, 21:07

zarate6 ha scritto:ora ho che con kA acceso, KB è escluso/bloccato. Questo è sufficiente per avere una specie di "diritto di precedenza" di kA su KB?

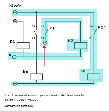
Considerando lo schema che hai realizzato, e partendo da una condizione di riposo;
-consideriamo che il comando arrivi sul collegamento 5 a questo punto si ottiene:



si eccita K1, il contatto 21-24 si chiude eccitando kA,ed il contatto 11-12 si apre bloccando la possibilità di eccitazione di K2 e di conseguenza KB.

-ora partendo sempre dalla condizione di riposo,se il comando arriva sul collegamento 9 si ottiene:


si eccita K2, e il contatto 21-24 si chiude e di conseguenza si eccita KB. In questa condizione se arriva il comando su K1 al collegamento 5 K2 si diseccita e di conseguenza KB mentre kA si eccita.

Questo per dire che non c'è un vero e proprio diritto di precedenza, perché in condizioni di riposo posso scegliere se attivare kA o KB, si può invece dire che c'è una prevalenza di kA su KB. ;-)

zarate6 ha scritto:prima del contattore c'è un interruttore di protezione: GV2ME04 (per KB) E V2ME08 (PER kA) Schneider Electric e ancora a valle i 2 contattori LC1D09 che azionano le due pompe

Sono le protezioni per le pompe che alimentano i due contattori kA e KB.
Mi permetto di ripetere di verificare gli assorbimenti delle bobine dei contattori, in quanto sono poco graditi ai contatti del relè finder, i carichi fortemente induttivi realizzano degli archi durante l'apertura-chiusura dei contatti, se quest'ultimo non adeguatamente dimensionati, avranno vita breve. ;-)
Avatar utente
Foto Utentemir
66,0k 9 12 13
G.Master EY
G.Master EY
 
Messaggi: 21870
Iscritto il: 19 ago 2004, 21:10

0
voti

[14] Re: Collegamento 2 Relè finder 40.52

Messaggioda Foto Utentezarate6 » 29 set 2015, 22:51

@mir

Chiarissimo, ho stampato tutto.

Si sarà capito che non sono un professionista, ma l'impianto è stato fatto da un professionista il quale ha montato questi contattori.
Il valore di assorbimento dove lo posso leggere?

LC1D09

http://www.schneider-electric.it/docume ... html#p=347

Brancolo nel buio, il lato dei contattori è coperto e faccio fatica a leggerne le caratteristiche.
In ogni caso grazie, sono già soddisfatto di aver avuto una soluzione da proporre. =D>
Avatar utente
Foto Utentezarate6
0 3
 
Messaggi: 27
Iscritto il: 22 set 2015, 19:54

0
voti

[15] Re: Collegamento 2 Relè finder 40.52

Messaggioda Foto Utentegabrisav » 29 set 2015, 23:21

La cosa più semplice, se i due contattori sono vicini, è di creare l'interblocco elettrico utilizzando il contatto ausiliario NC 21-22 esistente sui contattori ( sempre che non siano già utilizzati )
Avatar utente
Foto Utentegabrisav
1.852 2 4 7
Expert EY
Expert EY
 
Messaggi: 1711
Iscritto il: 13 set 2015, 18:26
Località: Borgosatollo (Bs)

0
voti

[16] Re: Collegamento 2 Relè finder 40.52

Messaggioda Foto Utentemir » 30 set 2015, 11:44

La portata dei contatti del relè Finder supporta l'assorbimento della bobina dei contattori Schneider,ciò che potrebbe generare nel tempo problemi sui contatti dei relè Findere è il tipo di carico fortemente induttivo della bobina dei contattori.
Ora su quest'ultimi in genere sono previsti dei moduli antidisturbo, a volte sono di serie a volte meno,ma in ogni caso si può verificare e se non ci sono si prendono.
Sono sostanzialmente un circuitino serie di una resistenza ed un condensatore, ovvero un filtro RC a volte anche con dei varistori,il loro compito è quello la sovratensione che si genera durante la manovra del contatto del relè su carichi di tipo induttivo,come appunto la bobina di un contattore.
Avatar utente
Foto Utentemir
66,0k 9 12 13
G.Master EY
G.Master EY
 
Messaggi: 21870
Iscritto il: 19 ago 2004, 21:10

0
voti

[17] Re: Collegamento 2 Relè finder 40.52

Messaggioda Foto Utentezarate6 » 1 ott 2015, 17:38

gabrisav ha scritto:La cosa più semplice, se i due contattori sono vicini, è di creare l'interblocco elettrico utilizzando il contatto ausiliario NC 21-22 esistente sui contattori ( sempre che non siano già utilizzati )


Grazie per il suggerimento, In effetti sono liberi. Come mai ritieni sia più semplice, per una questione di collegamenti? i contattori sono sormontati da contatti ausiliari ladn22 che si collegano con le sonde di accensione della caldaia.
Mi studio meglio lo schema elettrico complessivo (del quale ho solo una parte, mancando addirittura la conformità del lavoro svolto dall'installatore :twisted: )

Mi pare di capire che fidocadj però non gira su Windows.

In realtà ho questa situazione, con gli lc1d09 al posto dei 25 qua sotto linkati

http://www.ebay.com/itm/2-Schneider-LC1 ... 1033487967

, devo capire i contatti a vite dove si posizionano.
Avatar utente
Foto Utentezarate6
0 3
 
Messaggi: 27
Iscritto il: 22 set 2015, 19:54

0
voti

[18] Re: Collegamento 2 Relè finder 40.52

Messaggioda Foto Utentemir » 1 ott 2015, 17:49

:!: Attenzione.
Le uscite del termostato sono a tensione di rete di 230 Vac 50 Hz.!
La tensione di alimentazione delle bobine dei contattori kA e KB sono a 24 V.!
Avatar utente
Foto Utentemir
66,0k 9 12 13
G.Master EY
G.Master EY
 
Messaggi: 21870
Iscritto il: 19 ago 2004, 21:10

0
voti

[19] Re: Collegamento 2 Relè finder 40.52

Messaggioda Foto UtentePierluigi2002 » 1 ott 2015, 18:05

Mir ha scritto:
Considerando lo schema che hai realizzato, e partendo da una condizione di riposo;
-consideriamo che il comando arrivi sul collegamento 5 a questo punto si ottiene:
si eccita K1, il contatto 21-24 si chiude eccitando kA,ed il contatto 11-12 si apre bloccando la possibilità di eccitazione di K2 e di conseguenza KB.


Non ho seguito la discussione ma:
Il contatto 21-24 cosi come disegnato è normalmente chiuso, se si eccita K1 il contatto 21-24 si apre. Lo stesso per K2.
Ultima modifica di Foto UtentePierluigi2002 il 1 ott 2015, 18:10, modificato 2 volte in totale.
“vivi il presente“
Avatar utente
Foto UtentePierluigi2002
1.048 2 3 6
Expert
Expert
 
Messaggi: 1599
Iscritto il: 23 gen 2008, 23:12

0
voti

[20] Re: Collegamento 2 Relè finder 40.52

Messaggioda Foto Utentegabrisav » 1 ott 2015, 18:06

Per vicini intendo dire che i contattori siano nello stesso quadro ( o armadio ) elettrico.

Basta che scolleghi il filo che entra nel morsetto A1 del contattore KB, lo colleghi al morsetto NC 21 del contattore kA e al morsetto NC 22 sempre di kA esci con un filo e vai a collegarti di nuovo al morsetto A1 di KB.

Quando il termostato comanda il rele K1 e di conseguenza parte kA, il morsetto NC 21-22 si apre escludendo di conseguenza KB.

P.S. I contatti ausiliari anno anche loro dei contatti NC, puoi utlizzare anche quelli se vuoi

Spero di esermi spiegato bene
Avatar utente
Foto Utentegabrisav
1.852 2 4 7
Expert EY
Expert EY
 
Messaggi: 1711
Iscritto il: 13 set 2015, 18:26
Località: Borgosatollo (Bs)

PrecedenteProssimo

Torna a Impianti, sicurezza e quadristica

Chi c’è in linea

Visitano il forum: Google [Bot] e 185 ospiti