Se leggi inglese qualcosa posso indicartela, ho per le mani un paio di libri belli, anche se non sono entrato nell'argomento alimentatori che è più avanti.

Moderatori:
carloc,
g.schgor,
BrunoValente,
IsidoroKZ

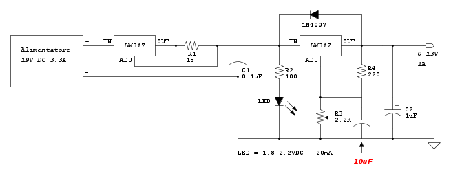
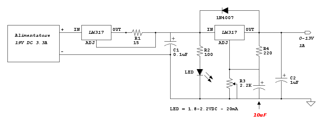
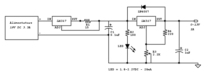
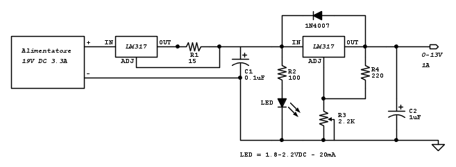
IsidoroKZ ha scritto:Oppure se hai un qualunque alimentatore per portatili che tiri fuori 19V, usando due LM317 puoi fare un regolatore che ti da` la tensione che vuoi con corrente limitata.


Cadmir ha scritto:Cosa te ne pare?
La "Ripple Rejection".Visitano il forum: Nessuno e 120 ospiti