Ciao a tutti,
volevo sapere se era possibile convertire tensione negativa in tensione positiva.
SI tratta di pochi volt... per esempio l'audio che esce da un PC, per convenzione sta tra i 2.5v e -2.5v.
Mi servirebbe che questi volt diventassero sempre positivi man mano che l'audio esce dalla sorgente.
Spero di essere stato chiaro.
Grazie
S
Convertire tensione da negativa a positiva
Moderatori:
carloc,
g.schgor,
BrunoValente,
IsidoroKZ
15 messaggi
• Pagina 1 di 2 • 1, 2
0
voti
0
voti
Raddrizzatore attivo a doppia semionda? Sommatore con cui sommi 2.5V?
Per usare proficuamente un simulatore, bisogna sapere molta più elettronica di lui
Plug it in - it works better!
Il 555 sta all'elettronica come Arduino all'informatica! (entrambi loro malgrado)
Se volete risposte rispondete a tutte le mie domande
Plug it in - it works better!
Il 555 sta all'elettronica come Arduino all'informatica! (entrambi loro malgrado)
Se volete risposte rispondete a tutte le mie domande
0
voti
grazie isidoroKZ,
dalle tue domande capisco che potrei usare tipo un lm358, così la tensione in ingresso positiva me la ritrovo positiva in uscita uguale o quasi, la tensione negativa in ingresso, me la ritrovo positiva in uscita.
Lo schema dovrebbe avere due lm358 per ogni ingresso. Che nel mio caso, per esempio con l'audio, se volessi portare in positivo entrambi i canali ne dovrei usare 4? Giusto?
Grazie
s
dalle tue domande capisco che potrei usare tipo un lm358, così la tensione in ingresso positiva me la ritrovo positiva in uscita uguale o quasi, la tensione negativa in ingresso, me la ritrovo positiva in uscita.
Lo schema dovrebbe avere due lm358 per ogni ingresso. Che nel mio caso, per esempio con l'audio, se volessi portare in positivo entrambi i canali ne dovrei usare 4? Giusto?
Grazie
s
0
voti
Si`, due op amp per ciascun canale da raddrizzare.
In realta` sono quasi sicuro che e` la soluzione sbagliata a un problema mal posto (non hai descritto il problema ma hai dato una soluzione che non e` detto sia quella giusta), ma questo lo devi risolvere tu.
In realta` sono quasi sicuro che e` la soluzione sbagliata a un problema mal posto (non hai descritto il problema ma hai dato una soluzione che non e` detto sia quella giusta), ma questo lo devi risolvere tu.
Per usare proficuamente un simulatore, bisogna sapere molta più elettronica di lui
Plug it in - it works better!
Il 555 sta all'elettronica come Arduino all'informatica! (entrambi loro malgrado)
Se volete risposte rispondete a tutte le mie domande
Plug it in - it works better!
Il 555 sta all'elettronica come Arduino all'informatica! (entrambi loro malgrado)
Se volete risposte rispondete a tutte le mie domande
0
voti
Grazie,
forse hai ragione non ho dato abbastanza info per poter spiegare bene.
Io vorrei monitorare l'uscita audio di un PC o altra sorgente, cercando di capire quando l'onda del file audio inizia superando una certa soglia, escludendo così per esempio il rumore iniziale che in genere c'è sui canali audio. Per fare questo non posso usare una unità di controllo analogica che prende dentro tensione negativa, ma solo tensione positiva da 0 a 10 volt. Quindi pensavo, se io riuscissi ad avere, qualunque sia la tensione in ingresso (+ o - che sia), sempre positiva in uscita, ecco che sarei in grado di capire quando l'audio effettivamente esce dalla sorgente.
Questa è solo un idea che mi è venuta, non so se ci possono essere altri modi per farlo usande qualche componente elettronico.
Grazie
S
forse hai ragione non ho dato abbastanza info per poter spiegare bene.
Io vorrei monitorare l'uscita audio di un PC o altra sorgente, cercando di capire quando l'onda del file audio inizia superando una certa soglia, escludendo così per esempio il rumore iniziale che in genere c'è sui canali audio. Per fare questo non posso usare una unità di controllo analogica che prende dentro tensione negativa, ma solo tensione positiva da 0 a 10 volt. Quindi pensavo, se io riuscissi ad avere, qualunque sia la tensione in ingresso (+ o - che sia), sempre positiva in uscita, ecco che sarei in grado di capire quando l'audio effettivamente esce dalla sorgente.
Questa è solo un idea che mi è venuta, non so se ci possono essere altri modi per farlo usande qualche componente elettronico.
Grazie
S
0
voti
In questo caso basta anche solo un raddrizzatore attivo a singola semionda. Se hai una tensione di alimentazione duale non ci sono problemi, altrimenti bisogna cercare un raddrizzatore che richieda una sola alimentazione.
Per usare proficuamente un simulatore, bisogna sapere molta più elettronica di lui
Plug it in - it works better!
Il 555 sta all'elettronica come Arduino all'informatica! (entrambi loro malgrado)
Se volete risposte rispondete a tutte le mie domande
Plug it in - it works better!
Il 555 sta all'elettronica come Arduino all'informatica! (entrambi loro malgrado)
Se volete risposte rispondete a tutte le mie domande
1
voti
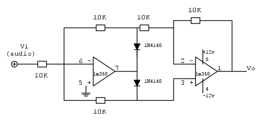
Si posso metterci una tensione duale, quindi basterebbe solo un lm358?
Questo schema che dovrebbe essere a doppia semionda, andrebbe bene? Per portarlo a singola semionda dovrei rimuovere il primo LM358?
Grazie.
Questo schema che dovrebbe essere a doppia semionda, andrebbe bene? Per portarlo a singola semionda dovrei rimuovere il primo LM358?
Grazie.
1
voti
Si`, quello e` un raddrizzatore a doppia semionda. Se vuoi farne uno solo a singola semionda, puoi farlo cosi`:
Quando l'uscita e` a 0V e` ad alta impedenza
Quando l'uscita e` a 0V e` ad alta impedenza
Per usare proficuamente un simulatore, bisogna sapere molta più elettronica di lui
Plug it in - it works better!
Il 555 sta all'elettronica come Arduino all'informatica! (entrambi loro malgrado)
Se volete risposte rispondete a tutte le mie domande
Plug it in - it works better!
Il 555 sta all'elettronica come Arduino all'informatica! (entrambi loro malgrado)
Se volete risposte rispondete a tutte le mie domande
0
voti
Ottimo, grazie, ma il fatto che io mi ritrovi un alta impedenza in uscita con 0 volt non dovrebbe essere un problema visto che io non collego l'uscita ad un altoparante, ma solo ad una scheda di acquisizione...
Giusto?
Se io collegassi la sorgente audio anche a delle cuffie, il fatto che lo stesso segnale passi anche dal raddrizzatore, potrebbe dare fastidio?
Giusto?
Se io collegassi la sorgente audio anche a delle cuffie, il fatto che lo stesso segnale passi anche dal raddrizzatore, potrebbe dare fastidio?
0
voti
Nessun problema mandare il segnale anche alle cuffie. L'impedenza di ingresso del raddrizzatore e` praticamente lineare e del valore della resistenza di ingresso (tipicamente tanti kiloohm).
Quando l'uscita e` a 0V, l'impedenza di uscita e` quella della resistenza di retroazione, quindi direi che non ci siano problemi.
Quando l'uscita e` a 0V, l'impedenza di uscita e` quella della resistenza di retroazione, quindi direi che non ci siano problemi.
Per usare proficuamente un simulatore, bisogna sapere molta più elettronica di lui
Plug it in - it works better!
Il 555 sta all'elettronica come Arduino all'informatica! (entrambi loro malgrado)
Se volete risposte rispondete a tutte le mie domande
Plug it in - it works better!
Il 555 sta all'elettronica come Arduino all'informatica! (entrambi loro malgrado)
Se volete risposte rispondete a tutte le mie domande
15 messaggi
• Pagina 1 di 2 • 1, 2
Chi c’è in linea
Visitano il forum: Nessuno e 48 ospiti

Elettrotecnica e non solo (admin)
Un gatto tra gli elettroni (IsidoroKZ)
Esperienza e simulazioni (g.schgor)
Moleskine di un idraulico (RenzoDF)
Il Blog di ElectroYou (webmaster)
Idee microcontrollate (TardoFreak)
PICcoli grandi PICMicro (Paolino)
Il blog elettrico di carloc (carloc)
DirtEYblooog (dirtydeeds)
Di tutto... un po' (jordan20)
AK47 (lillo)
Esperienze elettroniche (marco438)
Telecomunicazioni musicali (clavicordo)
Automazione ed Elettronica (gustavo)
Direttive per la sicurezza (ErnestoCappelletti)
EYnfo dall'Alaska (mir)
Apriamo il quadro! (attilio)
H7-25 (asdf)
Passione Elettrica (massimob)
Elettroni a spasso (guidob)
Bloguerra (guerra)




