Sono appena tornato a casa ed ho comprato alcune cosette tra cui L200 condensatori etc...
Che filo mi conviene usare? Vanno bene i fili con cui si realizzano i jumper per le breadboard? O per quelle correnti è un po' troppo?
PS: Ho preso 3 resistenze, per il regolatore di corrente e ho preso i valori dal tuo articolo
Solo non capisco come inserire l'L200 nella millefori poiché i pin... non passano.
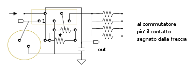
E' quello che si vede a destra dell'immagine

Elettrotecnica e non solo (admin)
Un gatto tra gli elettroni (IsidoroKZ)
Esperienza e simulazioni (g.schgor)
Moleskine di un idraulico (RenzoDF)
Il Blog di ElectroYou (webmaster)
Idee microcontrollate (TardoFreak)
PICcoli grandi PICMicro (Paolino)
Il blog elettrico di carloc (carloc)
DirtEYblooog (dirtydeeds)
Di tutto... un po' (jordan20)
AK47 (lillo)
Esperienze elettroniche (marco438)
Telecomunicazioni musicali (clavicordo)
Automazione ed Elettronica (gustavo)
Direttive per la sicurezza (ErnestoCappelletti)
EYnfo dall'Alaska (mir)
Apriamo il quadro! (attilio)
H7-25 (asdf)
Passione Elettrica (massimob)
Elettroni a spasso (guidob)
Bloguerra (guerra)






