Problema circuito semaforo a led
Moderatori:
carloc,
g.schgor,
BrunoValente,
IsidoroKZ
23 messaggi
• Pagina 2 di 3 • 1, 2, 3
1
voti
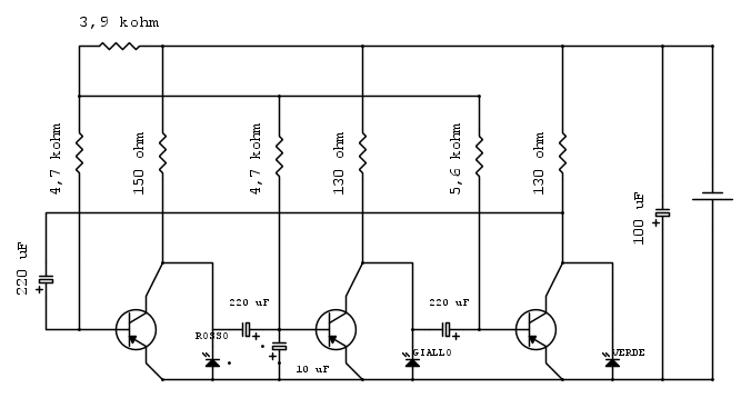
marco_ok ha scritto:Ho rimosso tutti e tre i condensatori da 220 uF e i tre led risultano accesi fissi e contemporaneamente
Non è possibile! Se le basi sono alimentate
i transistor sono in saturazione ed i LED in parallelo
devono risultare spenti.
0
voti
Questa e` la ragione per cui avevo chiesto della resistenza da 3.9kohm
. E` un problema di "modo comune" qualcosa che influsce ugualmente sui tre stadi. Poi si scoprira` che erano gli emettitori non collegati 
Per usare proficuamente un simulatore, bisogna sapere molta più elettronica di lui
Plug it in - it works better!
Il 555 sta all'elettronica come Arduino all'informatica! (entrambi loro malgrado)
Se volete risposte rispondete a tutte le mie domande
Plug it in - it works better!
Il 555 sta all'elettronica come Arduino all'informatica! (entrambi loro malgrado)
Se volete risposte rispondete a tutte le mie domande
0
voti
Sono riuscito a reperire un tester ed ho fatto le misurazioni:
0
voti
Transistori montati male, potrebbe esserci il piedino di emettitore non collegato al negativo, oppure il transistore non del tipo giusto, oppure montato a rovescio.
Per usare proficuamente un simulatore, bisogna sapere molta più elettronica di lui
Plug it in - it works better!
Il 555 sta all'elettronica come Arduino all'informatica! (entrambi loro malgrado)
Se volete risposte rispondete a tutte le mie domande
Plug it in - it works better!
Il 555 sta all'elettronica come Arduino all'informatica! (entrambi loro malgrado)
Se volete risposte rispondete a tutte le mie domande
0
voti
Non uno, tutti e tre sono scambiati.
In questo caso lascia i transistori cosi` come sono, gira i tre led (scambia anodo e catodo), gira i condensatori elettrolitici (tutti) e alimenta il circuito a polarita` invertita.
In questo modo
In questo caso lascia i transistori cosi` come sono, gira i tre led (scambia anodo e catodo), gira i condensatori elettrolitici (tutti) e alimenta il circuito a polarita` invertita.
In questo modo
Per usare proficuamente un simulatore, bisogna sapere molta più elettronica di lui
Plug it in - it works better!
Il 555 sta all'elettronica come Arduino all'informatica! (entrambi loro malgrado)
Se volete risposte rispondete a tutte le mie domande
Plug it in - it works better!
Il 555 sta all'elettronica come Arduino all'informatica! (entrambi loro malgrado)
Se volete risposte rispondete a tutte le mie domande
0
voti
WOWWWW!!! FInalmente funziona!!!
Grazie senza il vostro (specialmente il tuo IsidoroKZ) non sarei mai stato in grado di farlo funzionare.....adesso che l'emergenza si è risolta, vorrei approfittare per arricchire le mie conoscenze....all' università ho fatto un corso di elettrotecnica e anche se non è il mio campo almeno quando si parla di condensatori e resistori so di cosa stiamo parlando....potrei avere una descrizione funzionale del circuito per capirne appieno il funzionamento ed una motivazione (se non chiedo troppo) della diagnosi che abbiamo fatto?
Grazie senza il vostro (specialmente il tuo IsidoroKZ) non sarei mai stato in grado di farlo funzionare.....adesso che l'emergenza si è risolta, vorrei approfittare per arricchire le mie conoscenze....all' università ho fatto un corso di elettrotecnica e anche se non è il mio campo almeno quando si parla di condensatori e resistori so di cosa stiamo parlando....potrei avere una descrizione funzionale del circuito per capirne appieno il funzionamento ed una motivazione (se non chiedo troppo) della diagnosi che abbiamo fatto?0
voti
Il perché della modifica in seguito al transistor diverso l'ho capito, però vorrei avere (se non chiedo troppo) una descrizione su come funziona il circuito per capire bene
23 messaggi
• Pagina 2 di 3 • 1, 2, 3
Chi c’è in linea
Visitano il forum: Nessuno e 405 ospiti

Elettrotecnica e non solo (admin)
Un gatto tra gli elettroni (IsidoroKZ)
Esperienza e simulazioni (g.schgor)
Moleskine di un idraulico (RenzoDF)
Il Blog di ElectroYou (webmaster)
Idee microcontrollate (TardoFreak)
PICcoli grandi PICMicro (Paolino)
Il blog elettrico di carloc (carloc)
DirtEYblooog (dirtydeeds)
Di tutto... un po' (jordan20)
AK47 (lillo)
Esperienze elettroniche (marco438)
Telecomunicazioni musicali (clavicordo)
Automazione ed Elettronica (gustavo)
Direttive per la sicurezza (ErnestoCappelletti)
EYnfo dall'Alaska (mir)
Apriamo il quadro! (attilio)
H7-25 (asdf)
Passione Elettrica (massimob)
Elettroni a spasso (guidob)
Bloguerra (guerra)







