Cos'è ElectroYou | Login Iscriviti

ElectroYou - la comunità dei professionisti del mondo elettrico

Problema riguardo risoluzione tramite Thevenin/Norton

Circuiti, campi elettromagnetici e teoria delle linee di trasmissione e distribuzione dell’energia elettrica

Moderatori: Foto Utenteg.schgor, Foto UtenteIsidoroKZ

0
voti

[1] Problema riguardo risoluzione tramite Thevenin/Norton

Messaggioda Foto UtenteGaAlAs » 29 ott 2015, 14:42



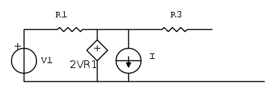
Il circuito giá mutilato :-) é quello qui sopra, sarei tentato di collegare i morsetti ad un generatore fittizio e ricavare Rth e Vth in un solo colpo ma sono bloccato a livello psicologico dal doppio generatore collegato all' unico nodo sopravvissuto, lo stesso problema mi blocca volendo effettuare l' analisi nodale.
Che sia proprio 2Vr1 la Vth dato che imprime una DDP tra i due capi ?
In sostanza, qualcuno ha qualche dritta per affrontare questo circuito ?

Thanks In Advance
Avatar utente
Foto UtenteGaAlAs
0 2
 
Messaggi: 17
Iscritto il: 29 ott 2015, 14:25

2
voti

[2] Re: Problema riguardo risoluzione tramite Thevenin/Norton

Messaggioda Foto Utenteg.schgor » 29 ott 2015, 16:11

Osserverei che Il generatore di corrente si chiude
su quello pilotato...
Avatar utente
Foto Utenteg.schgor
57,8k 9 12 13
G.Master EY
G.Master EY
 
Messaggi: 16971
Iscritto il: 25 ott 2005, 9:58
Località: MILANO

0
voti

[3] Re: Problema riguardo risoluzione tramite Thevenin/Norton

Messaggioda Foto UtenteGaAlAs » 29 ott 2015, 17:14

Quindi il ramo di sinistra risulterebbe "morto" con conseguente azzeramento della Vr1, giusto ?
Avatar utente
Foto UtenteGaAlAs
0 2
 
Messaggi: 17
Iscritto il: 29 ott 2015, 14:25

1
voti

[4] Re: Problema riguardo risoluzione tramite Thevenin/Norton

Messaggioda Foto Utenteg.schgor » 29 ott 2015, 17:30

No, Perché?
Avatar utente
Foto Utenteg.schgor
57,8k 9 12 13
G.Master EY
G.Master EY
 
Messaggi: 16971
Iscritto il: 25 ott 2005, 9:58
Località: MILANO

0
voti

[5] Re: Problema riguardo risoluzione tramite Thevenin/Norton

Messaggioda Foto UtenteGaAlAs » 29 ott 2015, 17:38

Credo di aver frainteso in che senso il generatore di corrente si chiuda su quello pilotato
Avatar utente
Foto UtenteGaAlAs
0 2
 
Messaggi: 17
Iscritto il: 29 ott 2015, 14:25

2
voti

[6] Re: Problema riguardo risoluzione tramite Thevenin/Norton

Messaggioda Foto Utenteg.schgor » 29 ott 2015, 17:41

Il generatore pilotato è di tensione, quindi con resistenza nulla.
in parallelo ad un generatore di corrente, quindi...
Avatar utente
Foto Utenteg.schgor
57,8k 9 12 13
G.Master EY
G.Master EY
 
Messaggi: 16971
Iscritto il: 25 ott 2005, 9:58
Località: MILANO

0
voti

[7] Re: Problema riguardo risoluzione tramite Thevenin/Norton

Messaggioda Foto UtenteGaAlAs » 29 ott 2015, 17:50

I 3A vanno tutti sul cortocircuito (R=0), no ?
Il circuito rimanente sarebbe il generatore di V e le due resistenze in serie e Vth = V1
Avatar utente
Foto UtenteGaAlAs
0 2
 
Messaggi: 17
Iscritto il: 29 ott 2015, 14:25

1
voti

[8] Re: Problema riguardo risoluzione tramite Thevenin/Norton

Messaggioda Foto Utenteg.schgor » 29 ott 2015, 17:54

No, semplicemente è come se il generatore di corrente non esistesse.
Devi risolvere la maglia rimanente.
Avatar utente
Foto Utenteg.schgor
57,8k 9 12 13
G.Master EY
G.Master EY
 
Messaggi: 16971
Iscritto il: 25 ott 2005, 9:58
Località: MILANO

0
voti

[9] Re: Problema riguardo risoluzione tramite Thevenin/Norton

Messaggioda Foto UtenteGaAlAs » 29 ott 2015, 18:02

Dannazione, avevo perso di vista il disegno originale.
Facendo il partitore di corrente il tutto é diventato chiaro e alquanto banale, grazie per l' aiuto :)
Avatar utente
Foto UtenteGaAlAs
0 2
 
Messaggi: 17
Iscritto il: 29 ott 2015, 14:25

1
voti

[10] Re: Problema riguardo risoluzione tramite Thevenin/Norton

Messaggioda Foto Utenteg.schgor » 29 ott 2015, 18:39

:ok:
Avatar utente
Foto Utenteg.schgor
57,8k 9 12 13
G.Master EY
G.Master EY
 
Messaggi: 16971
Iscritto il: 25 ott 2005, 9:58
Località: MILANO


Torna a Elettrotecnica generale

Chi c’è in linea

Visitano il forum: Nessuno e 153 ospiti