Cos'è ElectroYou | Login Iscriviti

ElectroYou - la comunità dei professionisti del mondo elettrico

Anomalia alimentatore/regolatore 5v-3.3v per breadboard

Elettronica lineare e digitale: didattica ed applicazioni

Moderatori: Foto Utentecarloc, Foto Utenteg.schgor, Foto UtenteBrunoValente, Foto UtenteIsidoroKZ

0
voti

[1] Anomalia alimentatore/regolatore 5v-3.3v per breadboard

Messaggioda Foto Utentefgiorgio90 » 8 nov 2015, 14:34

Salve a tutti,

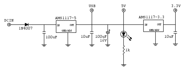
tempo fa ho acquistato il seguente oggetto, pratico per regolare la tensione e alimentare correttamente i miei prototipi su breadboard. Ho sempre utilizzato, per praticità e disponibilità, la porta USB per alimentarlo e non ho mai avuto problemi.

Immagine

Oggi ho alimentato il tutto con una tensione di 12V sul connettore DC e sono rimasto sorpreso del fatto che in uscita al regolatore AMS1117-5 non ci fossero 5V ma addirittura 2,75V.

Come si può vedere dallo schema qui di seguito, con la USB non ho mai avuto problemi poiché questa si interpone direttamente tra il regolatore 5V e il regolatore 3.3V, bypassando, difatto, il primo.



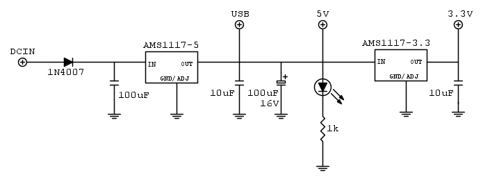
A questo punto, ipotizzando un difetto sul primo regolatore, l'ho dissaldato e testato autonomamente con il seguente circuito. Risultato: 5V stabili in uscita.



Quindi, il regolatore sembra funzionare correttamente, che cosa succede nel circuito completo che manda tutto a rotoli?
Avatar utente
Foto Utentefgiorgio90
15 6
Frequentatore
Frequentatore
 
Messaggi: 118
Iscritto il: 14 dic 2012, 0:54

0
voti

[2] Re: Anomalia alimentatore/regolatore 5v-3.3v per breadboard

Messaggioda Foto UtenteFedericoSibona » 8 nov 2015, 14:56

Se il primo regolatore, come sembra, è OK, può essere che il problema sia sul secondo, testa anche quello ;-)
Avatar utente
Foto UtenteFedericoSibona
5.022 3 5 8
Master
Master
 
Messaggi: 3951
Iscritto il: 19 mar 2013, 11:43

0
voti

[3] Re: Anomalia alimentatore/regolatore 5v-3.3v per breadboard

Messaggioda Foto Utentefgiorgio90 » 8 nov 2015, 17:24

FedericoSibona ha scritto:Se il primo regolatore, come sembra, è OK, può essere che il problema sia sul secondo, testa anche quello ;-)


Ho provato a rimuovere il secondo regolatore, e testare quindi solo la prima parte del circuito. Di fatto il problema persiste e quindi dubito che sia colpa del secondo regolatore che, tra l'altro, con il collegamento USB funziona correttamente.
Avatar utente
Foto Utentefgiorgio90
15 6
Frequentatore
Frequentatore
 
Messaggi: 118
Iscritto il: 14 dic 2012, 0:54

0
voti

[4] Re: Anomalia alimentatore/regolatore 5v-3.3v per breadboard

Messaggioda Foto Utenteg.schgor » 8 nov 2015, 17:43

Occorrerebbe esaminare l'uscita con un oscilloscopio.
Suggerirei comunque di provare a "caricare" il primo regolatore
mediante resistenza.
Avatar utente
Foto Utenteg.schgor
57,8k 9 12 13
G.Master EY
G.Master EY
 
Messaggi: 16971
Iscritto il: 25 ott 2005, 9:58
Località: MILANO

0
voti

[5] Re: Anomalia alimentatore/regolatore 5v-3.3v per breadboard

Messaggioda Foto Utentefgiorgio90 » 8 nov 2015, 18:46

g.schgor ha scritto:Occorrerebbe esaminare l'uscita con un oscilloscopio.
Suggerirei comunque di provare a "caricare" il primo regolatore
mediante resistenza.


Ho monitorato con l'oscilloscopio il circuito qui di seguito, ho potuto notare che l'uscita del regolatore rimaneva a 5V solo nel momento in cui escludevo la resistenza di carico, o quando questa era molto alta. Con una resistenza da 15K l'uscita del regolatore segnava 4,5V, per arrivare con resistenze inferiori anche a 2,7V.

Avatar utente
Foto Utentefgiorgio90
15 6
Frequentatore
Frequentatore
 
Messaggi: 118
Iscritto il: 14 dic 2012, 0:54

0
voti

[6] Re: Anomalia alimentatore/regolatore 5v-3.3v per breadboard

Messaggioda Foto Utenteg.schgor » 8 nov 2015, 19:11

Quindi il regolatore dei 5V non regge il carico?
Il 12V rimane invariato sotto carico?
Avatar utente
Foto Utenteg.schgor
57,8k 9 12 13
G.Master EY
G.Master EY
 
Messaggi: 16971
Iscritto il: 25 ott 2005, 9:58
Località: MILANO

0
voti

[7] Re: Anomalia alimentatore/regolatore 5v-3.3v per breadboard

Messaggioda Foto UtenteFedericoSibona » 8 nov 2015, 19:18

Nel messaggio precedente avevo capito male la prova che avevi fatto.
Direi che, se prima funzionava ed ora non più, sia da cambiare l'integrato AMS1117-5. Però sarebbe da capire il perché è andato in avaria. C'è un diodo di protezione tra input ed output dei due integrati?
I condensatori sono tutti elettrolitici?

---------------------------------------------------------------------

Perdonami Foto Utenteg.schgor, mi sono sovrapposto e non avevo pensato alla possibilità che ceda la tensione di ingresso
Avatar utente
Foto UtenteFedericoSibona
5.022 3 5 8
Master
Master
 
Messaggi: 3951
Iscritto il: 19 mar 2013, 11:43

0
voti

[8] Re: Anomalia alimentatore/regolatore 5v-3.3v per breadboard

Messaggioda Foto Utentefgiorgio90 » 8 nov 2015, 19:28

g.schgor ha scritto:Quindi il regolatore dei 5 V non regge il carico?
Il 12 V rimane invariato sotto carico?


I 12V in ingresso rimangono invariati, per essere precisi al regolatore arrivano circa 11,8V a causa della caduta di tensione del diodo 1N4007 posto tra il connettore DC e il regolatore stesso.

Dalla prova effettuata la tensione del regolatore è tanto più vicina ai 5V quanto piu grande è il carico resistivo posto in uscita.

FedericoSibona ha scritto:Nel messaggio precedente avevo capito male la prova che avevi fatto.
Direi che, se prima funzionava ed ora non più, sia da cambiare l'integrato AMS1117-5. Però sarebbe da capire il perché è andato in avaria. C'è un diodo di protezione tra input ed output dei due integrati?
I condensatori sono tutti elettrolitici?


Non vi è nessun diodo di protezione tra i due regolatori, inoltre vi è solo un condensatore elettrolitico da 100uF 16V posto, come puoi vedere dallo schema inserito nel primo post, tra i due regolatori e massa. Tutti gli altri condensatori non sono elettrolitici.
Avatar utente
Foto Utentefgiorgio90
15 6
Frequentatore
Frequentatore
 
Messaggi: 118
Iscritto il: 14 dic 2012, 0:54

0
voti

[9] Re: Anomalia alimentatore/regolatore 5v-3.3v per breadboard

Messaggioda Foto UtenteFedericoSibona » 8 nov 2015, 19:33

Ma allora penso siano nF non μF ;-)
Avatar utente
Foto UtenteFedericoSibona
5.022 3 5 8
Master
Master
 
Messaggi: 3951
Iscritto il: 19 mar 2013, 11:43

0
voti

[10] Re: Anomalia alimentatore/regolatore 5v-3.3v per breadboard

Messaggioda Foto Utentefgiorgio90 » 8 nov 2015, 22:03

FedericoSibona ha scritto:Ma allora penso siano nF non μF ;-)


Hai ragione, mi sono confuso perché nelle prove ho anche tentato di sostituire i condensatori con degli elettrolitici, ovviamente senza che vi fossero cambiamenti.

A questo punto, per quello che costano, mi procuro un altro regolatore nuovo e vedo se effettivamente è quello il problema.
Avatar utente
Foto Utentefgiorgio90
15 6
Frequentatore
Frequentatore
 
Messaggi: 118
Iscritto il: 14 dic 2012, 0:54


Torna a Elettronica generale

Chi c’è in linea

Visitano il forum: Nessuno e 120 ospiti