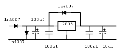
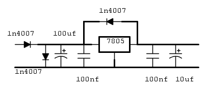
ciao come da titolo ho bisogno di avere i 5v sulla moto , ho trovato molti schemi e tutti diversi . ho pensato a questo per avere meno disturbi cosa ne pensate
Da 12 V c.c. a 5 V c.c.
Moderatori:
g.schgor,
IsidoroKZ
34 messaggi
• Pagina 1 di 4 • 1, 2, 3, 4
0
voti
0
voti
Non mi convince il secondo diodo collegato tra il primo e la massa, mi sembra messo al contrario.
Il primo è per proteggere da una inversione di tensione, ma il secondo messo così impone una tensione di 0.7V (ammesso che regga) a tutto quello che c'è dietro compreso il regolatore.
Per il resto è ottimo, solo mettici un bel dissipatore.
Il primo è per proteggere da una inversione di tensione, ma il secondo messo così impone una tensione di 0.7V (ammesso che regga) a tutto quello che c'è dietro compreso il regolatore.
Per il resto è ottimo, solo mettici un bel dissipatore.

0
voti
oooooook il secondo diodo veniva menzionato come ulteriore antidisturbo ,
2
voti
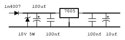
Il secondo diodo e` proprio al contrario, metterei al suo posto uno zener, 18V dovrebbero andare bene. Il diodo fra uscita e ingresso del regolatore non serve, puoi non metterlo.
Se assorbi piu` di un centinaio di milliampere metti un dissipatore, oppure forse puoi anche montarlo sullo chassis della moto.
Se assorbi piu` di un centinaio di milliampere metti un dissipatore, oppure forse puoi anche montarlo sullo chassis della moto.
Per usare proficuamente un simulatore, bisogna sapere molta più elettronica di lui
Plug it in - it works better!
Il 555 sta all'elettronica come Arduino all'informatica! (entrambi loro malgrado)
Se volete risposte rispondete a tutte le mie domande
Plug it in - it works better!
Il 555 sta all'elettronica come Arduino all'informatica! (entrambi loro malgrado)
Se volete risposte rispondete a tutte le mie domande
0
voti
serve per alimentare un PIC 16f628 e un display a7 segmenti come indicatore di marcia
0
voti
ma per i condensatori da 100nf quali uso ceramici polyestere cbb o disco
34 messaggi
• Pagina 1 di 4 • 1, 2, 3, 4
Torna a Elettrotecnica generale
Chi c’è in linea
Visitano il forum: Nessuno e 10 ospiti

Elettrotecnica e non solo (admin)
Un gatto tra gli elettroni (IsidoroKZ)
Esperienza e simulazioni (g.schgor)
Moleskine di un idraulico (RenzoDF)
Il Blog di ElectroYou (webmaster)
Idee microcontrollate (TardoFreak)
PICcoli grandi PICMicro (Paolino)
Il blog elettrico di carloc (carloc)
DirtEYblooog (dirtydeeds)
Di tutto... un po' (jordan20)
AK47 (lillo)
Esperienze elettroniche (marco438)
Telecomunicazioni musicali (clavicordo)
Automazione ed Elettronica (gustavo)
Direttive per la sicurezza (ErnestoCappelletti)
EYnfo dall'Alaska (mir)
Apriamo il quadro! (attilio)
H7-25 (asdf)
Passione Elettrica (massimob)
Elettroni a spasso (guidob)
Bloguerra (guerra)





