Salve a tutti, ho effettuato la prova a vuoto e la prova a rotore bloccato su un motore asincrono con avvolgimenti collegati a triangolo, potenza nominale 1,47 kW.
Dalle prove risulta:
PROVA A VUOTO
V=388,54 V (tensione concatenata applicata allo statore)
P0=197 W (potenza attiva assorbita totale)
I= 1,84 A (corrente di linea assorbita mediata tra le tre fasi)
PROVA A ROTORE BLOCCATO
Qui grazie a un trafo (non avevo inverter) ho abbassato la tensione in modo da far scorrere la nominale:
V=68 V
P=289,9 W
I= 3,32 A
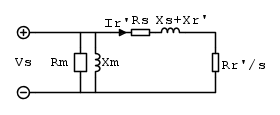
Successivamente utilizzando questi dati ho calcolato i parametri del circuito equivalente riportato di seguito:
e ho calcolato tutti i parametri utilizzando le solite relazioni tra potenze, tensioni e correnti.
Dopo aver calcolato tutto ho utilizzato la formula della coppia in funzione dello scorrimento:
C=3*pp* (Rr'/s)'*Ir'^2 / w0
Scusate se scrivo la formula in questo modo ma sono nuovo e non so ancora come si faccia.
pp=paia poli
Rr'/s= è la resistenza che si vede anche nel circuito e rappresenta in pratica il carico
Ir'= è la corrente rotorica riportata nel circuito di statore e calcolata come rapporto tra la tensione nominale applicata allo statore e l'impedenza equivalente (trascurando il ramo di magnetizzazione)
w0= velocità di sincronismo
Grazie a questa relazione ho tracciato su excel la curva della coppia in funzione dello scorrimento.
PROBLEMA: grazie a un torsiometro ho rilevato la caratteristica di questo motore misurando quindi direttamente la coppia e le due curve sono abbastanza distanti, mentre io mi aspettavo per lo meno un piccolo errore percentuale. Sto trascurando qualcosa oppure è normale che siano distanti la curva teorica dalla curva ricavata praticamente?
Grazie mille.
Caratteristica coppia-scorrimento asincrono
Moderatori:
SandroCalligaro,
mario_maggi,
fpalone
39 messaggi
• Pagina 1 di 4 • 1, 2, 3, 4
0
voti
-

Linogiangio
5 3 - CRU - Account cancellato su Richiesta utente
- Messaggi: 56
- Iscritto il: 12 ago 2015, 18:47
0
voti
Se hai determinato i parametri del motore,
consiglio di usare per la coppia la formula
citata in questo articolo.
consiglio di usare per la coppia la formula
citata in questo articolo.
0
voti
Innanzitutto la ringrazio per la risposta. La formula che ho scritto deriva dal modello che ha spiegato il professore del corso e penso sia equivalente alla formula a cui lei fa riferimento nell'articolo. Una cosa che non ho capito nella formula della coppia riportata nell'articolo è il K, cosa sarebbe? Grazie mille
P.S.: a posteriori dico che il K coinvolgerà la tensione e la velocità di sincronismo, sbaglio?
P.S.: a posteriori dico che il K coinvolgerà la tensione e la velocità di sincronismo, sbaglio?
-

Linogiangio
5 3 - CRU - Account cancellato su Richiesta utente
- Messaggi: 56
- Iscritto il: 12 ago 2015, 18:47
0
voti
Si i dati li ho ricavati io grazie a un banco di prova. Li ho raccolti in un foglio excel. Ho creato anche un grafico che mette a confronto la curva della coppia in funzione dello scorrimento ricavata grazie al modello equivalente e quella della coppia ricavata tramite misura con un torsiometro.
-

Linogiangio
5 3 - CRU - Account cancellato su Richiesta utente
- Messaggi: 56
- Iscritto il: 12 ago 2015, 18:47
0
voti
Mi piacerebbe capire i motivi per cui le due curve non sono "vicine", vorrei capire se ho sbagliato dei calcoli oppure se è normale che sia così. 
-

Linogiangio
5 3 - CRU - Account cancellato su Richiesta utente
- Messaggi: 56
- Iscritto il: 12 ago 2015, 18:47
1
voti
Giangiolino ha scritto:PROBLEMA: grazie a un torsiometro ho rilevato la caratteristica di questo motore misurando quindi direttamente la coppia e le due curve sono abbastanza distanti, mentre io mi aspettavo per lo meno un piccolo errore percentuale.
Grazie mille.
Cosa intendi per "abbastanza distanti" ? Pubblica i due grafici sovrapposti.
Sei sicuro di aver scalato opportunamente le grandezze rilevate dal torsiometro ?
Hai provato ad applicare un carico noto al torsiometro per vedere se leggi correttamente la grandezza ?
Le impedenze del motore le hai misurate oppure le hai lette sul datasheet ?
Se le cose sono fatte come si deve le curve dovrebbero essere molto simili.
Ingegneria : alternativa intelligente alla droga.
-

dimaios
30,2k 7 10 12 - G.Master EY

- Messaggi: 3381
- Iscritto il: 24 ago 2010, 14:12
- Località: Behind the scenes
0
voti
Giangiolino ha scritto:Si i dati li ho ricavati io grazie a un banco di prova. Li ho raccolti in un foglio excel. Ho creato anche un grafico che mette a confronto la curva della coppia in funzione dello scorrimento ricavata grazie al modello equivalente e quella della coppia ricavata tramite misura con un torsiometro.
Mi sembra esageratamente basso il fattore di potenza che viene fuori dalla prova a vuoto, ammesso che non mi è noto il rendimento del motore in quella condizione.
Che rendimento hai "ipotizzato" per giungere ai parametri?
Puoi postare tutto il lavoro fatto? Non per rubartelo, perché allora non postarlo del tutto, ma per aiutar etutti i partecipanti a capire.
-

Candy
32,5k 7 10 13 - CRU - Account cancellato su Richiesta utente
- Messaggi: 10123
- Iscritto il: 14 giu 2010, 22:54
0
voti
L'unica resistenza che ho misurato è quella di statore (tra due fasi). Le altre le ho ricavate dal modello equivalente. Per quanto riguarda il rendimento non ho ipotizzato nulla, seguendo la teoria non mi sembra dovessi tenerne conto. Comunque posto il file excel con tutte le grandezze ricavate grazie ad un analizzatore di rete durante la prova vuoto e la prova in cto cto.
P.S.: la misura di coppia attraverso il torsiometro è stata effettuata da 3000 a 2500 rpm utilizzando un motore sincrono (drive) per diminuire la velocità in quel range.
P.S.: la misura di coppia attraverso il torsiometro è stata effettuata da 3000 a 2500 rpm utilizzando un motore sincrono (drive) per diminuire la velocità in quel range.
- Allegati
-
1,47 (2)kW Foglio1.pdf- (39.09 KiB) Scaricato 164 volte
-

Linogiangio
5 3 - CRU - Account cancellato su Richiesta utente
- Messaggi: 56
- Iscritto il: 12 ago 2015, 18:47
39 messaggi
• Pagina 1 di 4 • 1, 2, 3, 4
Chi c’è in linea
Visitano il forum: Nessuno e 43 ospiti

Elettrotecnica e non solo (admin)
Un gatto tra gli elettroni (IsidoroKZ)
Esperienza e simulazioni (g.schgor)
Moleskine di un idraulico (RenzoDF)
Il Blog di ElectroYou (webmaster)
Idee microcontrollate (TardoFreak)
PICcoli grandi PICMicro (Paolino)
Il blog elettrico di carloc (carloc)
DirtEYblooog (dirtydeeds)
Di tutto... un po' (jordan20)
AK47 (lillo)
Esperienze elettroniche (marco438)
Telecomunicazioni musicali (clavicordo)
Automazione ed Elettronica (gustavo)
Direttive per la sicurezza (ErnestoCappelletti)
EYnfo dall'Alaska (mir)
Apriamo il quadro! (attilio)
H7-25 (asdf)
Passione Elettrica (massimob)
Elettroni a spasso (guidob)
Bloguerra (guerra)
