Buongiorno, in questo periodo sto studiando un po' di elettronica di base per colmare le mie lacune.
Vorrei realizzare uno step up, sia perché mi serve, sia per vedere le differenze fra il dimensionamento in un esercizio teorico e un caso reale.
Il convertitore verrà alimentato da una batteria per auto 12V, il carico è un notebook con alimentatore 19V, 4.75A.
Ho trovato questo componente LM2587 che ha un BJT integrato, purtroppo il BJT ha un limite di 5A.
Mi sono messo a cercare un controller senza porta di switch integrata, ma ne ho trovati tantissimi
Mi servirebbe un consiglio almeno sulla scelta del controller.
Convertitore Boost
Moderatori:
carloc,
g.schgor,
BrunoValente,
IsidoroKZ
13 messaggi
• Pagina 1 di 2 • 1, 2
1
voti
Massi79 ha scritto:il carico è un notebook con alimentatore 19V, 4.75A.
Ho trovato questo componente LM2587 che ha un BJT integrato, purtroppo il BJT ha un limite di 5A.
Ciao, purtroppo, come ti accorgerai durante il progetto, la corrente di picco nel transistor sarà molto più alta di quella media assorbita dal carico. Ti consiglio di cercare un controller fatto per pilotare uno switch (mosfet) esterno, Di solito in questi dispositivi la limitazione in corrente è dimensionabile a piacere con componenti esterni.
Alberto
La vita è come una bicicletta, devi sempre pedalare per rimanere in equilibrio
Annuncio sempre valido: http://www.electroyou.it/forum/viewtopic.php?f=10&t=62668
La vita è come una bicicletta, devi sempre pedalare per rimanere in equilibrio
Annuncio sempre valido: http://www.electroyou.it/forum/viewtopic.php?f=10&t=62668
-

AlbertoBianchi
2.009 3 5 - Master

- Messaggi: 836
- Iscritto il: 4 dic 2014, 18:30
- Località: Lastra a Signa (FI)
0
voti
Grazie Alberto, per la corrente sullo switch dovrei avere 10A di corrente media, supponendo un rendimento dell'80%.
Dallo store su cui sto effettuando l'ordine, il più economico è questo LTC3789 (5€), la basetta per poterlo utilizzare su millefori costa quanto il controller.
Sarà anche faticoso da saldare, ma dovrei farcela, ha un package SSOP28.
Fa molte più cose di quelle che mi servono al momento, quindi non so se vale la pena.
Al momento sto leggendo il datasheet.
Dallo store su cui sto effettuando l'ordine, il più economico è questo LTC3789 (5€), la basetta per poterlo utilizzare su millefori costa quanto il controller.
Sarà anche faticoso da saldare, ma dovrei farcela, ha un package SSOP28.
Fa molte più cose di quelle che mi servono al momento, quindi non so se vale la pena.
Al momento sto leggendo il datasheet.
1
voti
Mi sembra troppo complesso, rischi di complicarti le cose inutilmente,
prova valutare questo http://www.linear.com/product/LT1619
Il contenitore SO lo saldi alla millefori senza bisogno di comprare adattatori, basta saldare ai pin dei filni wire-wrap di pochi mm, quanto basta per raggiungere il foro + vicino.
Attenzione a fare bene il layout

prova valutare questo http://www.linear.com/product/LT1619
Il contenitore SO lo saldi alla millefori senza bisogno di comprare adattatori, basta saldare ai pin dei filni wire-wrap di pochi mm, quanto basta per raggiungere il foro + vicino.
Attenzione a fare bene il layout
Alberto
La vita è come una bicicletta, devi sempre pedalare per rimanere in equilibrio
Annuncio sempre valido: http://www.electroyou.it/forum/viewtopic.php?f=10&t=62668
La vita è come una bicicletta, devi sempre pedalare per rimanere in equilibrio
Annuncio sempre valido: http://www.electroyou.it/forum/viewtopic.php?f=10&t=62668
-

AlbertoBianchi
2.009 3 5 - Master

- Messaggi: 836
- Iscritto il: 4 dic 2014, 18:30
- Località: Lastra a Signa (FI)
0
voti
Ma dove comperi ???
Dal sito LinearTechnology puoi farti mandare dei campioni gratuiti o acquistare qualsiasi q.tà con la carta di credito. Ti devi registrare.
il http://www.linear.com/product/LT3757 andrebbe ancora bene ma ha un contenitore MSOP10 passo 0.5mm serve un adattatore
Dal sito LinearTechnology puoi farti mandare dei campioni gratuiti o acquistare qualsiasi q.tà con la carta di credito. Ti devi registrare.
il http://www.linear.com/product/LT3757 andrebbe ancora bene ma ha un contenitore MSOP10 passo 0.5mm serve un adattatore
Alberto
La vita è come una bicicletta, devi sempre pedalare per rimanere in equilibrio
Annuncio sempre valido: http://www.electroyou.it/forum/viewtopic.php?f=10&t=62668
La vita è come una bicicletta, devi sempre pedalare per rimanere in equilibrio
Annuncio sempre valido: http://www.electroyou.it/forum/viewtopic.php?f=10&t=62668
-

AlbertoBianchi
2.009 3 5 - Master

- Messaggi: 836
- Iscritto il: 4 dic 2014, 18:30
- Località: Lastra a Signa (FI)
1
voti
Mi è venuto i mente che potresti utilizzare anche gli UC384x che trovi anche in DIP8 (sono un po' meno moderni dei precedenti ma sempre molto validi e poi per la tua applicazione non servono requisiti particolari)
Ti posto qui un applicazione simile a quella che vuoi fare tu http://danyk.cz/noteb_en.html
Ti posto qui un applicazione simile a quella che vuoi fare tu http://danyk.cz/noteb_en.html
Alberto
La vita è come una bicicletta, devi sempre pedalare per rimanere in equilibrio
Annuncio sempre valido: http://www.electroyou.it/forum/viewtopic.php?f=10&t=62668
La vita è come una bicicletta, devi sempre pedalare per rimanere in equilibrio
Annuncio sempre valido: http://www.electroyou.it/forum/viewtopic.php?f=10&t=62668
-

AlbertoBianchi
2.009 3 5 - Master

- Messaggi: 836
- Iscritto il: 4 dic 2014, 18:30
- Località: Lastra a Signa (FI)
0
voti
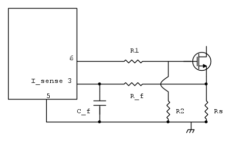
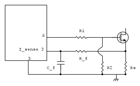
Ho controllato il datasheet e il link che m'hai mandato, avendo studiato solo il controllo in tensione ho qualche problema a dimensionare alcuni componenti.
R_f e C_f mi sembra che sia un filtro per la tensione ai capi di Rs, però non saprei come dimensionarli
Stessa cosa per Rs, quanto la posso prendere piccola.
R1 e R2 non ho capito a cosa possano servire.
R_f e C_f mi sembra che sia un filtro per la tensione ai capi di Rs, però non saprei come dimensionarli
Stessa cosa per Rs, quanto la posso prendere piccola.
R1 e R2 non ho capito a cosa possano servire.
13 messaggi
• Pagina 1 di 2 • 1, 2
Chi c’è in linea
Visitano il forum: Nessuno e 240 ospiti

Elettrotecnica e non solo (admin)
Un gatto tra gli elettroni (IsidoroKZ)
Esperienza e simulazioni (g.schgor)
Moleskine di un idraulico (RenzoDF)
Il Blog di ElectroYou (webmaster)
Idee microcontrollate (TardoFreak)
PICcoli grandi PICMicro (Paolino)
Il blog elettrico di carloc (carloc)
DirtEYblooog (dirtydeeds)
Di tutto... un po' (jordan20)
AK47 (lillo)
Esperienze elettroniche (marco438)
Telecomunicazioni musicali (clavicordo)
Automazione ed Elettronica (gustavo)
Direttive per la sicurezza (ErnestoCappelletti)
EYnfo dall'Alaska (mir)
Apriamo il quadro! (attilio)
H7-25 (asdf)
Passione Elettrica (massimob)
Elettroni a spasso (guidob)
Bloguerra (guerra)

