potresti fare una foto
senza il box l'acqua e gli schizzi dove li raccogli?
sono all'esterno?
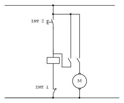
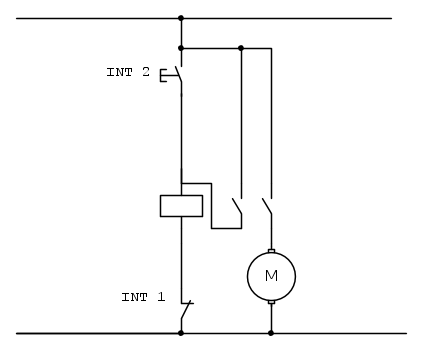
Piccolo circuito per attivare pompa
Moderatori:
carloc,
g.schgor,
BrunoValente,
IsidoroKZ
0
voti
fausto61 ha scritto:senza il box l'acqua e gli schizzi dove li raccogli?
sono all'esterno?
Si tutto all'esterno.
0
voti
Se sulla pompa vorrei volessi metterci un potenziometro, che valori deve avere? Inoltre ci dovrei mettere qualcos'altro tipo diodi e/o condensatori?
1
voti
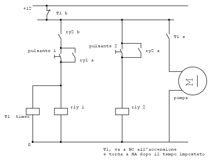
Ho provato a tirare giù questa idea, è da controllare anche se il circuito mi pare che sia funzionante.
Una cosa fondamentale, è che invece degli interruttori, dovresti usare dei pulsanti NA.
Se passa l'esame sul funzionamento, la puoi valutare.
Servono:
- 2 pulsanti,
-1 relay 12VDC con doppio scambio
-1 relay 12VDC con uno scambio
-1 timer 12VDC
Una cosa fondamentale, è che invece degli interruttori, dovresti usare dei pulsanti NA.
Se passa l'esame sul funzionamento, la puoi valutare.
Servono:
- 2 pulsanti,
-1 relay 12VDC con doppio scambio
-1 relay 12VDC con uno scambio
-1 timer 12VDC
Alex
https://www.facebook.com/Elettronicaeelettrotecnica
<< vedi di pigliare arditamente in mano, il dizionario che ti suona in bocca,
se non altro è schietto e paesano.
(Giuseppe Giusti) <<
https://www.facebook.com/Elettronicaeelettrotecnica
<< vedi di pigliare arditamente in mano, il dizionario che ti suona in bocca,
se non altro è schietto e paesano.
(Giuseppe Giusti) <<
1
voti
Per avere una regolazione della portata della pompa, secondo me è meglio usare un rubinetto , hai un servizio migliore con poca spesa.
Alex
https://www.facebook.com/Elettronicaeelettrotecnica
<< vedi di pigliare arditamente in mano, il dizionario che ti suona in bocca,
se non altro è schietto e paesano.
(Giuseppe Giusti) <<
https://www.facebook.com/Elettronicaeelettrotecnica
<< vedi di pigliare arditamente in mano, il dizionario che ti suona in bocca,
se non altro è schietto e paesano.
(Giuseppe Giusti) <<
0
voti
Che è il sistema utilizzato nei camper.
"La follia sta nel fare sempre la stessa cosa aspettandosi risultati diversi".
"Parla soltanto quando sei sicuro che quello che dirai è più bello del silenzio".
Rispondere è cortesia, ma lasciare l'ultima parola ai cretini è arte.
"Parla soltanto quando sei sicuro che quello che dirai è più bello del silenzio".
Rispondere è cortesia, ma lasciare l'ultima parola ai cretini è arte.
-

TardoFreak
73,9k 8 12 13 - -EY Legend-

- Messaggi: 15754
- Iscritto il: 16 dic 2009, 11:10
- Località: Torino - 3° pianeta del Sistema Solare
Chi c’è in linea
Visitano il forum: Nessuno e 65 ospiti

Elettrotecnica e non solo (admin)
Un gatto tra gli elettroni (IsidoroKZ)
Esperienza e simulazioni (g.schgor)
Moleskine di un idraulico (RenzoDF)
Il Blog di ElectroYou (webmaster)
Idee microcontrollate (TardoFreak)
PICcoli grandi PICMicro (Paolino)
Il blog elettrico di carloc (carloc)
DirtEYblooog (dirtydeeds)
Di tutto... un po' (jordan20)
AK47 (lillo)
Esperienze elettroniche (marco438)
Telecomunicazioni musicali (clavicordo)
Automazione ed Elettronica (gustavo)
Direttive per la sicurezza (ErnestoCappelletti)
EYnfo dall'Alaska (mir)
Apriamo il quadro! (attilio)
H7-25 (asdf)
Passione Elettrica (massimob)
Elettroni a spasso (guidob)
Bloguerra (guerra)











