Cos'è ElectroYou | Login Iscriviti

ElectroYou - la comunità dei professionisti del mondo elettrico

Thévenin-Norton con generatori pilotati

Circuiti, campi elettromagnetici e teoria delle linee di trasmissione e distribuzione dell’energia elettrica

Moderatori: Foto Utenteg.schgor, Foto UtenteIsidoroKZ

0
voti

[1] Thévenin-Norton con generatori pilotati

Messaggioda Foto UtenteDLz » 26 mag 2016, 17:42

Salve a tutti. Come da titolo, ho bisogno di chiarimenti su come trovare l'equivalente di Thévenin o Norton quando in un circuito ho generatori pilotati ed indipendenti .
Ho letto tante cose su internet (sul mio libro non c'è questo argomento purtroppo) e molte di queste letture le ho fatte proprio su questo forum; ma ancora non mi raccapezzo.
Quello che ho capito (e spero sia giusto) è che si può operare in due modi:

1) In un primo momento considero nota la grandezza che controlla (per esempio se ho un generatore di corrente controllato in tensione avente relazione I=2V, considero nota I) e poi procedo come se il generatore controllato fosse ideale e quindi si può spegnere (per esempio lo considero come un generatore ideale di corrente I). Proseguo poi con il metodo di sovrapposizione calcolando alla fine anche la mia I (grandezza pilota), lasciata come incognita per tutto l'esercizio. Così dovrei poter calcolare la tensione Eeq come somma delle varie tensioni Eeq' , Eq",etc....

2) Non spengo mai il generatore controllato e applico la sovrapposizione degli effetti spegnendo SOLO i generatori ideali (non sono sicuro di questo metodo)

Riporto un esercizio che NON sono riuscito a svolgere con la sovrapposizione:



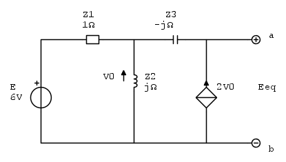
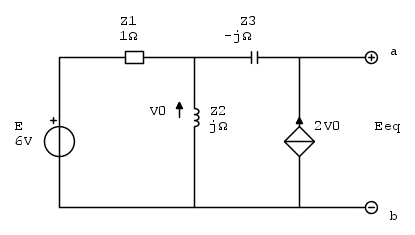
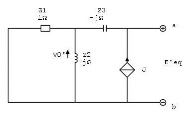
Devo calcolare la Req e la Eeq tra i morsetti a e b. Le mie convenzioni sono: verso positivo tensioni = verso orario, corrente positiva quando esce dal nodo.
Ho provato tante volte, ma non riesco. Potreste aiutarmi?
Grazie! :D
Avatar utente
Foto UtenteDLz
60 5
New entry
New entry
 
Messaggi: 81
Iscritto il: 7 ago 2013, 17:06

1
voti

[2] Re: Thévenin-Norton con generatori pilotati

Messaggioda Foto Utenteadmin » 26 mag 2016, 20:08

E' un esercizio che ti sei inventato tu o esiste un testo più dettagliato nelle richieste e nei dati?
Avatar utente
Foto Utenteadmin
196,6k 9 12 17
Manager
Manager
 
Messaggi: 11950
Iscritto il: 6 ago 2004, 13:14

0
voti

[3] Re: Thévenin-Norton con generatori pilotati

Messaggioda Foto UtenteDLz » 26 mag 2016, 20:15

http://personal.delen.polito.it/michele ... /genio.pdf

Esercizio 8.11.
Ora sto uscendo, appena torno posto i miei tentativi di risoluzione col metodo della sovrapposizione, il quale non mi ha portato ai risultati indicati nel pdf. Nello specifico, V0 mi viene -3 + j3 invece che -3 - j3.
Avatar utente
Foto UtenteDLz
60 5
New entry
New entry
 
Messaggi: 81
Iscritto il: 7 ago 2013, 17:06

3
voti

[4] Re: Thévenin-Norton con generatori pilotati

Messaggioda Foto Utenteadmin » 27 mag 2016, 0:37

E' sbagliato il calcolo di V0 nell'esercizio svolto. Lo puoi controllare rapidamente con WolframAlpha
http://www.wolframalpha.com/input/?i=v%3D%286%2B2*v%29%2F%281%2B1%2Fi%29

Il tuo risultato V0=-3+j3 è invece corretto.
Avatar utente
Foto Utenteadmin
196,6k 9 12 17
Manager
Manager
 
Messaggi: 11950
Iscritto il: 6 ago 2004, 13:14

0
voti

[5] Re: Thévenin-Norton con generatori pilotati

Messaggioda Foto UtenteDLz » 27 mag 2016, 10:22

Grazie mille!
Posto il procedimento che uso, per essere sicuro di aver ottenuto il risultato nel modo giusto:

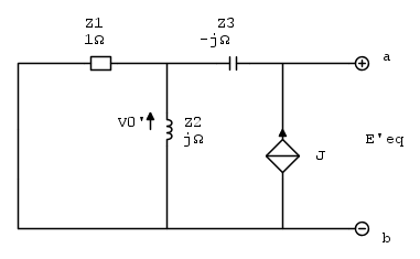
Impongo che 2V0 sia nota, e la chiamo J (2V0=J).
A questo punto considero il seguente circuito in cui spengo il generatore ideale di tensione:


La resistenza totale è data dal parallelo tra Z1 e Z2 e poi di questo in serie con Z3 e viene
Ztot =(0.5 -j0.5)Ω
Allora E'eq = J*Ztot e V0' = J*Z1*Z2/(Z1 + Z2)

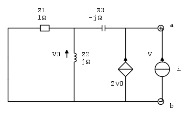
Poi considero questo secondo circuito:


i"=E/(Z1+Z2)= (3 - j3) A
V0"= (3-j3)(j) = (3 + j3) V
E"eq=i"*(Z1 + Z2) = 6V

Quindi
V0 = V0" + V0'
Eeq = E'q + E"eq
Avatar utente
Foto UtenteDLz
60 5
New entry
New entry
 
Messaggi: 81
Iscritto il: 7 ago 2013, 17:06

1
voti

[6] Re: Thévenin-Norton con generatori pilotati

Messaggioda Foto Utenteadmin » 27 mag 2016, 10:26

Si, va bene; però impara ad usare LaTeX
Avatar utente
Foto Utenteadmin
196,6k 9 12 17
Manager
Manager
 
Messaggi: 11950
Iscritto il: 6 ago 2004, 13:14

0
voti

[7] Re: Thévenin-Norton con generatori pilotati

Messaggioda Foto UtenteDLz » 27 mag 2016, 10:32

Si scusa, lo uso sempre quando le formule sono un più lunghe e complesse, ora non mi sembrava necessario, però lo farò sempre d'ora in avanti.
Avatar utente
Foto UtenteDLz
60 5
New entry
New entry
 
Messaggi: 81
Iscritto il: 7 ago 2013, 17:06

0
voti

[8] Re: Thévenin-Norton con generatori pilotati

Messaggioda Foto UtenteDLz » 30 mag 2016, 16:40

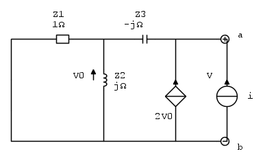
Un'ultima domanda: per calcolare la resistenza equivalente, non devo spegnere il generatore controllato, ma solo quello di tensione idindipendente e interporre tra i morsetti a e b un generatore di corrente indipendente. Poiché il circuito è diverso da tutti gli altri, devo ricalcolarmi la grandezza pilota.
Allora trovo:

Scrivo
Req=\frac{V}{i}
Dove V è la tensione tra a e b ed i l'intensità del generatore.

Calcolo Zeq data dal parallelo di Z1 e Z2 poi in serie con Z3

Zeq= (0.5 - j0.5)Ω

Poiché ho che
i = -2V0 (equazione dei nodi)
V = -2V0Zeq - 2V0Zeq (equazione delle maglie)

Allora
Req=\frac{V}{i} = (1 - j)Ω
Giusto?
Avatar utente
Foto UtenteDLz
60 5
New entry
New entry
 
Messaggi: 81
Iscritto il: 7 ago 2013, 17:06

1
voti

[9] Re: Thévenin-Norton con generatori pilotati

Messaggioda Foto Utenteg.schgor » 30 mag 2016, 19:05

DLz ha scritto:devo ricalcolarmi la grandezza pilota

Direi che devi mettere un generatore unitario (i=1A) e
calcolare la tensione risultante fra a e b.

Puoi anche dare il risultato finale della Eeq?
Avatar utente
Foto Utenteg.schgor
57,8k 9 12 13
G.Master EY
G.Master EY
 
Messaggi: 16971
Iscritto il: 25 ott 2005, 9:58
Località: MILANO

2
voti

[10] Re: Thévenin-Norton con generatori pilotati

Messaggioda Foto Utenteoiram92 » 30 mag 2016, 19:08

DLz ha scritto:i = -2V0 (equazione dei nodi) [...] Giusto?


[-X occhio che Z_3 "ciuccia" corrente..

Se posso darti un consiglio, evita serie e/o parallelo di componenti che "pilotano" altri componenti
Avatar utente
Foto Utenteoiram92
333 2 7
Frequentatore
Frequentatore
 
Messaggi: 183
Iscritto il: 30 mag 2014, 18:25

Prossimo

Torna a Elettrotecnica generale

Chi c’è in linea

Visitano il forum: Nessuno e 52 ospiti