pompa sommersa bloccata
Moderatori:
sebago,
MASSIMO-G,
lillo,
Mike
18 messaggi
• Pagina 2 di 2 • 1, 2
0
voti
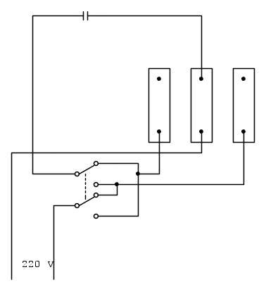
Ha me nn mi quadra qualcosa, sono via e nn ho niente da scrivere x fare uno schema ma mi sembra strano che su un motore monofase basta invertire il condensatore senza intervenire direttamente sui collegamenti interni delle spire per invertire la rotazione, se qualchuno postassecuno schema. Grazie
-

gabrisav
1.852 2 4 7 - Expert EY

- Messaggi: 1711
- Iscritto il: 13 set 2015, 18:26
- Località: Borgosatollo (Bs)
0
voti
Se non ho capito male, il filo (3) del motore va invertito con il filo (2) del motore, e quindi il condensatore si trovera' collegato al filo (2) e l'altro capo del condensatore collegato alla fase
0
voti
Se non ho capito male...
No, sono io che ho scritto una caXXata.
Sono andato a ricercare degli appunti sull'inversione di marcia e dopo averli guardati bene... gli ho buttati via.
Chiedo nuovamente scusa.
0
voti
La pompa quando Gira per il verso di aspiraziona fa più attrito perché deve pompare se si fa girare al contrario oppone meno resistenza e potrebbe sbloccarsi. ma bisognerebbe cambiare velocemente la direzione di marcia.
-

elektronik
7.800 4 6 7 - Master

- Messaggi: 3836
- Iscritto il: 12 mag 2015, 22:26
18 messaggi
• Pagina 2 di 2 • 1, 2
Torna a Impianti, sicurezza e quadristica
Chi c’è in linea
Visitano il forum: Nessuno e 69 ospiti

Elettrotecnica e non solo (admin)
Un gatto tra gli elettroni (IsidoroKZ)
Esperienza e simulazioni (g.schgor)
Moleskine di un idraulico (RenzoDF)
Il Blog di ElectroYou (webmaster)
Idee microcontrollate (TardoFreak)
PICcoli grandi PICMicro (Paolino)
Il blog elettrico di carloc (carloc)
DirtEYblooog (dirtydeeds)
Di tutto... un po' (jordan20)
AK47 (lillo)
Esperienze elettroniche (marco438)
Telecomunicazioni musicali (clavicordo)
Automazione ed Elettronica (gustavo)
Direttive per la sicurezza (ErnestoCappelletti)
EYnfo dall'Alaska (mir)
Apriamo il quadro! (attilio)
H7-25 (asdf)
Passione Elettrica (massimob)
Elettroni a spasso (guidob)
Bloguerra (guerra)





