Poi vorrei inserire un led verde quando è tutto operativo, rosso quando ci sono problemi, cioè niente frequenza e apertura del contatto in uscita
Come potrei implementarlo?
Grazie

Moderatori:
carloc,
g.schgor,
BrunoValente,
IsidoroKZ







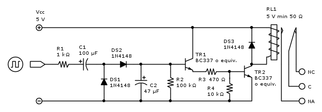
GuidoB ha scritto:Attenzione che la l'onda quadra in entrata sia davvero di 5 V picco-picco, altrimenti non sarà sufficiente a far attrarre il relè.


BrunoValente ha scritto:A me pare possa funzionare anche con 2-3V.
BrunoValente ha scritto:Attenzione al verso di C1: va bene solo se il segnale di ingresso è tutto positivo, se invece fosse a valor medio nullo allora C1 si polarizzerebbe al contrario.
Visitano il forum: Nessuno e 55 ospiti