Cos'è ElectroYou | Login Iscriviti

ElectroYou - la comunità dei professionisti del mondo elettrico

Regime dinamico sinusoidale ed equazioni differenziali

Circuiti, campi elettromagnetici e teoria delle linee di trasmissione e distribuzione dell’energia elettrica

Moderatori: Foto Utenteg.schgor, Foto UtenteIsidoroKZ

0
voti

[1] Regime dinamico sinusoidale ed equazioni differenziali

Messaggioda Foto UtenteDLz » 23 giu 2016, 19:19

Salve a tutti, come da titolo, vorrei sapere se è possibile risolvere i circuiti dinamici in regime sinusoidale usando solo le equazioni differenziali. Io so che per trovare una soluzione particolare dell'equazione differenziale del circuito, devo usare i fasori applicati al circuito originale che è appunto in regime sinusoidale. Risolvendo con i fasori, troverò una soluzione particolare. Questo lo devo fare perché il termine noto dell'equazione differenziale è appunto una funzione seno o coseno o somma di entrambi. Però queste equazioni differenziali, sono comunque risolvibili con la formula generale.
Infatti, data
y'(t) + a(t)y(t)=f(t)

La sua soluzione è

y(t)= e^{-A(t)}\left [ c + \int \left (f(t)e^{A(t)}  \right )dt \right ]

Dove

A(t)=\int \left (a(t)  \right )dt

Risolvendo per parti (applicato due volte) l'integrale

\int \left (f(t)e^{A(t)}  \right )dt

ci si riconduce ad un'equazione di integrali e si trova il valore dell'integrale cercato.
Però ho visto che le soluzioni che ottengo così, non corrispondono a quelle che trovo con il metodo dei fasori. Sbaglio i conti o non posso usare la soluzione generale?
Appena posso posto un esercizio che ho fatto.
Grazie :D
Avatar utente
Foto UtenteDLz
60 5
New entry
New entry
 
Messaggi: 81
Iscritto il: 7 ago 2013, 17:06

1
voti

[2] Re: Regime dinamico sinusoidale ed equazioni differenziali

Messaggioda Foto UtenteSandroCalligaro » 24 giu 2016, 13:44

L'equazione differenziale è quella che descrive il comportamento del sistema fisico in generale.
Se la soluzione di un caso particolare, secondo il metodo X, non corrispondesse alla soluzione "generale" dell'equazione differenziale applicata allo stesso caso, significherebbe che il metodo X non è corretto.

Penserei piuttosto che i conti sono sbagliati... :-)
Hai tenuto conto correttamente delle condizioni iniziali?
Avatar utente
Foto UtenteSandroCalligaro
2.970 2 4 5
G.Master EY
G.Master EY
 
Messaggi: 1181
Iscritto il: 6 ago 2015, 19:25

0
voti

[3] Re: Regime dinamico sinusoidale ed equazioni differenziali

Messaggioda Foto UtenteDLz » 24 giu 2016, 17:26



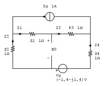
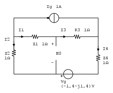
I fasori sono:

\overline{Z_R} = 1\Omega valido per tutte e quattro le resistenze

\overline{Z_L} = j2\Omega

\overline{I_g} = 1A

\overline{V_g} = (-1,4 - j1,4)V


Iniziamo

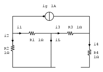
Studio per t=0^-
Il generatore di tensione è spento, allora ho un regime stazionario, questo implica

V_L=L\frac{\mathrm{d} i_L}{\mathrm{d} t}= 0V

Ossia i_L=costante, quindi l'induttore
L si comporta come un corto circuito. Il mio circuito è:



i_4= 0 A

-i_g+i_1+i_2=0
-i_1+i_3+i_L=0
i_g=i_3
i_1R_1=i_2R_2 quindi i_1=i_2

Sostituendo trovo

i_1=0,5A
i_2=0,5A
i_3=1A
i_L=-0,5A

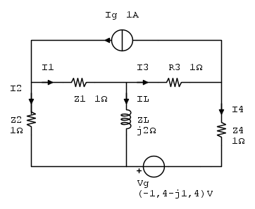
Studio per t>0 A questo punto ho deciso di applicare Thévenin una volta sull'induttore L ed un'altra sul resistore R_4
Iniziamo con l'induttore L e calcoliamo la Z_{th} (impedenza equivalente di Thévenin)



Z_th=\frac{\overline{V_{ab}}}{i}

\overline{V_{ab}}= \overline{I_2}Z_2 - \overline{I_1}Z_1

\overline{I_3} = \overline{I_4}

\overline{I_1} = \overline{I_3} - 1

\overline{I_1} =  -\overline{I_2} allora \overline{I_2}= \overline{I_3} +1

-\overline{I_2}+1- \overline{I_4}=0

\overline{I_1}Z_1 + \overline{I_3}Z_3 +\overline{I_4}Z_4 -\overline{I_2}Z_2=0

Sostituendo trovo

\overline{I_3}=0,5A

\overline{I_2}=0,5A

\overline{I_1}=-0,5A

\overline{V_{ab}}=1V

Z_{th}=1 \Omega

Calcolo la tensione equivalente E_0



\overline{E_0}=\overline{I_2}Z_2- \overline{I_1}Z_1

\overline{I_g}+\overline{I_4}-\overline{I_3}=0 allora \overline{I_4}= \overline{I_3}-\overline{I_g}

\overline{I_3}= \overline{I_1}

\overline{I_2}= \overline{I_g}- \overline{I_1}= \overline{I_g}- \overline{I_3}

\overline{I_1}Z_1+\overline{I_3}Z_3+\overline{I_4}Z_4-\overline{I_2}Z_2=\overline{V_g}

Sostituendo trovo

\overline{I_3}=(0,16-j0,37)A=\overline{I_1}

\overline{I_2}=(0,8+j0,37)A

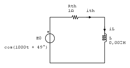
\overline{E_0}=(0,64+j0,74)V allora E_0(t)= cos(1000t + 49^{\circ})V

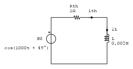
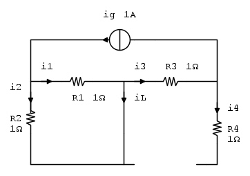
Adesso ho



i_{Th}=i_L

R_{Th}=Z_{Th}

L'equazione differenziale del circuito equivalente è:

\frac{\mathrm{d} i_L}{\mathrm{d} t} + i_L\frac{R_{Th}}{L} = \frac{E_0}{L}

\tau=\frac{L}{R_{Th}}= 0,002ms

i_L(t)=ce^{-\frac{t}{\tau }} + i_P(t)

i_P(t) è una soluzione particolare che trovo applicando il metodo dei fasori al circuito originale per t>0



-\overline{I_1}+\overline{I_L}+\overline{I_3}=0
\overline{I_2}+\overline{I_1}-\overline{I_g}=0
-\overline{I_3}+\overline{I_4}+\overline{I_g}=0
\overline{I_3}Z_3+\overline{I_4}Z_4-\overline{V_g}-\overline{I_L}Z_L=0
\overline{I_1}Z_1+\overline{I_L}Z_L-\overline{I_2}Z_2=0

Sostituendo trovo

\overline{I_1}= (0,4-j0,3)A
\overline{I_L}=(0,3-j0,09)A

allora i_P(t)=0,3cos(1000t-18,4^{\circ})

Dalla condizione iniziale trovo c=-0,8
Quindi

i_L(t)=-0,8e^{-\frac{t}{\tau }} + 0,3cos(1000t-18,4^{\circ})

Se invece provo a risolvere l'equazione differenziale

\frac{\mathrm{d} i_L}{\mathrm{d} t} + i_L\frac{R_{Th}}{L} = \frac{E_0}{L}

con le formule del primo post,trovo:
i_L(t)= e^{-500t} \left ( c +\int e^{500t}(500cos(1000t+49^{\circ}))dt \right )

Chiamo l'integrale I e risolvo per parti.

I= 250*10^3*e^{500t}(cos(1000t+49^{\circ})) + 250*10^6\int e^{500}(sen(1000t+49^{\circ}))dt=

=250*10^3*e^{500t}(cos(1000t+49^{\circ})) + 250*10^6*[500e^{500t}sen(1000t+49^{\circ})-\int500e^{500}1000(cos(100t+49^{\circ}))dt

allora I=0,5e^{500t}sen(1000t+49^{\circ}) Il termine con il coseno è piccolissimo, dell'ordine di 10^{-8} quindi lo trascuro

Allora, imponendo le condizioni iniziali, trovo

i_L(t)=-0,9e^{-500t}+0,5sen(1000t+49^{\circ})
Avatar utente
Foto UtenteDLz
60 5
New entry
New entry
 
Messaggi: 81
Iscritto il: 7 ago 2013, 17:06

1
voti

[4] Re: Regime dinamico sinusoidale ed equazioni differenziali

Messaggioda Foto UtenteDanteCpp » 25 giu 2016, 15:25

Scusa la scarsità dei commenti, ma non ho molto tempo.

Esercizi di elettrotecnica.pdf
(457.13 KiB) Scaricato 156 volte


Sperò ti sia d'aiuto.
Avatar utente
Foto UtenteDanteCpp
4.730 3 9 13
Master EY
Master EY
 
Messaggi: 1106
Iscritto il: 15 dic 2011, 18:51

1
voti

[5] Re: Regime dinamico sinusoidale ed equazioni differenziali

Messaggioda Foto UtenteDanteCpp » 25 giu 2016, 15:45

PS. mi sono dimenticato di considerare la condizione iniziale diversa da zero.

Questo cambia solo la costante moltiplicativa dell'evoluzione naturale.

i(t)=-0.924 e^{-500t}+\frac{1}{\sqrt{5}}\cos(1000t-18)
Avatar utente
Foto UtenteDanteCpp
4.730 3 9 13
Master EY
Master EY
 
Messaggi: 1106
Iscritto il: 15 dic 2011, 18:51

0
voti

[6] Re: Regime dinamico sinusoidale ed equazioni differenziali

Messaggioda Foto UtenteDLz » 25 giu 2016, 17:05

Grazie mille, come sospettavo sbagliavo qualcosa nell'integrazione.
#-o

Grazie! :ok:
Avatar utente
Foto UtenteDLz
60 5
New entry
New entry
 
Messaggi: 81
Iscritto il: 7 ago 2013, 17:06


Torna a Elettrotecnica generale

Chi c’è in linea

Visitano il forum: Nessuno e 19 ospiti