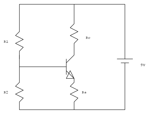
Ho un circuito di polarizzazione tipo il seguente:
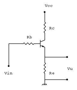
Circuito equivalente:
Sono giuste le seguenti formule?








Inoltre come trovo Vce e Vbe?
Grazie mille.
Moderatori:
carloc,
g.schgor,
BrunoValente,
IsidoroKZ










oppure 

quando il transistor lavora in regione attiva, vale 0.65 - 0.7 V poiché è una giunzione PN polarizzata direttamente.
invece va calcolata in funzione della rete di polarizzazione e delle correnti
e
oppure va imposta come parametro di progetto, e calcolata la rete di polarizzazione in funzione di questo e di altri parametri come ad esempio l'amplificazione.
dadothebest ha scritto:





dadothebest ha scritto:vorrei chiedervi se queste formule posso utilizzarle per qualsiasi tipo di BJT (emettitore comune, base comune e collettore comune)
dadothebest ha scritto: e se sono applicabili anche al FET (ad esempio la corrente di base dovrebbe essere 0 nel FET? )


(ALTA)
(BASSA)
(ALTA)
(BASSA)

e
? O usi uno oppure l'altro, ma insieme non vanno.
e 
che
perché le formule delle impedenze le ho trovate su internet, non le conosco. Quindi per quanto riguarda la resistenza di ingresso e di uscita in entrambi i casi (penso calcolata sulla base e all'emettitore o collettore a seconda del tipo di collegamento in comune), la formula più generale di tutte è quella che hai scritto tu?
ed
dipendono dal transistor? Cosa sono nello specifico?


Visitano il forum: Nessuno e 153 ospiti