Ecco le domande:
1) Definizione di nodo: dalla fisica II so che si dice nodo un punto del cirucito dove convergono almeno 3 conduttori, il libro di elettrotecnica riduce il numero di conduttori a 2; il che ha senso perché il numero di maglie indipendenti,in entrambi i testi,è dato come l-n+1 con l numero di rami e n numero di nodi. Quindi se ho il seguente circuito
se considero come nodo il punto dove converogno 3 conduttori, avrei 3-0+1=4 maglie indipendenti, se invece considero nodo il punto dove ne converogno due, allora ho 3-3+1=1 maglia e mi pare giusto.
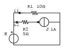
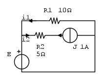
2)La sequente maglia sembra non rispettare la legge di Kirchhoff per le maglie
Se applico la legge di Kirchhoff per le maglie, ho:


Ma per la legge di Kirchhoff ai nodi, ho

Allora

Ma in realtà anche
dovrebbe essere pari ad 1A perché
ed
sono in serie. L'unica cosa che mi viene in mente è che dovrei considerare la tensione ai capi del generatore di corrente, ma è una cosa che non ho mai visto fare quando si applica la LKT.3)Ultima domanda, mi serve una mano con questo circuito: viewtopic.php?f=2&t=64839
Grazie mille!

Elettrotecnica e non solo (admin)
Un gatto tra gli elettroni (IsidoroKZ)
Esperienza e simulazioni (g.schgor)
Moleskine di un idraulico (RenzoDF)
Il Blog di ElectroYou (webmaster)
Idee microcontrollate (TardoFreak)
PICcoli grandi PICMicro (Paolino)
Il blog elettrico di carloc (carloc)
DirtEYblooog (dirtydeeds)
Di tutto... un po' (jordan20)
AK47 (lillo)
Esperienze elettroniche (marco438)
Telecomunicazioni musicali (clavicordo)
Automazione ed Elettronica (gustavo)
Direttive per la sicurezza (ErnestoCappelletti)
EYnfo dall'Alaska (mir)
Apriamo il quadro! (attilio)
H7-25 (asdf)
Passione Elettrica (massimob)
Elettroni a spasso (guidob)
Bloguerra (guerra)











equazioni come, nel caso che porto ad esempio 


