Grazie
Ricarica batterie nimh con lm317 problema
Moderatori:
carloc,
g.schgor,
BrunoValente,
IsidoroKZ
20 messaggi
• Pagina 1 di 2 • 1, 2
0
voti
Ciao a tutti, ho costruito il classico carica batterie a corrente costante usando un lm317 e come resistenza un parallelo tra 10 e 12 ohm per ottenere una corrente di 230mA per caricare un pacco batterie formato da 6 stilo nimh da 2500 mAh ma c'è un problema. Misurando la corrente di carica questa risulta di soli 50mA. Ho provato a cambiare l'lm317 perché ne avevo usato uno di recupero ma la corrente è la stessa. Cosa posso fare?
Grazie
Grazie
0
voti
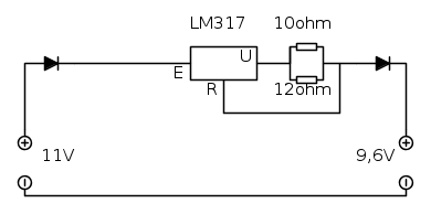
Circa 11V, ci sono arrivato mettendo qualche diodo in serie. E alle batterie arrivano circa 9,6V, c'è un diodo di protezione in uscita.
Ho problemi per fidocad, devo installarlo su ubuntu, ora vedo!
Ho problemi per fidocad, devo installarlo su ubuntu, ora vedo!
0
voti
0
voti
Scusate per tutti questi post ma la corrente assorbita è di 30 mA. Possono dare fastidio i 5 diodi in serie per abbassare la tensione a 11V, è un lavoraccio lo so! Ho usato un trasformatore 220-12V raddrizzato!
Grazie
Grazie
1
voti
Concordo sul fatto che la tensione d'ingresso potrebbe essere bassa nonostante la poca corrente richiesta; perche' hai usato dei diodi per abbassare quella originale che si suppone superiore e piu' idonea?
marco
20 messaggi
• Pagina 1 di 2 • 1, 2
Chi c’è in linea
Visitano il forum: Nessuno e 78 ospiti

Elettrotecnica e non solo (admin)
Un gatto tra gli elettroni (IsidoroKZ)
Esperienza e simulazioni (g.schgor)
Moleskine di un idraulico (RenzoDF)
Il Blog di ElectroYou (webmaster)
Idee microcontrollate (TardoFreak)
PICcoli grandi PICMicro (Paolino)
Il blog elettrico di carloc (carloc)
DirtEYblooog (dirtydeeds)
Di tutto... un po' (jordan20)
AK47 (lillo)
Esperienze elettroniche (marco438)
Telecomunicazioni musicali (clavicordo)
Automazione ed Elettronica (gustavo)
Direttive per la sicurezza (ErnestoCappelletti)
EYnfo dall'Alaska (mir)
Apriamo il quadro! (attilio)
H7-25 (asdf)
Passione Elettrica (massimob)
Elettroni a spasso (guidob)
Bloguerra (guerra)





