ARDUINO : Accensione lampadina 220 volt con eENC28J60
29 messaggi
• Pagina 3 di 3 • 1, 2, 3
0
voti
non mi dici niente dello schema??? 
0
voti
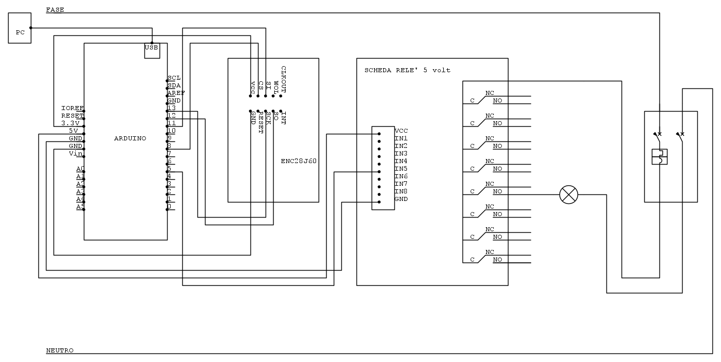
probabilmente è una immensa asinata ma non so come disegnarlo.. la cc è alimentata esclusivamente da porta USB
0
voti
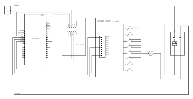
Scusa se mi intrometto Mauro, in rete ho trovato questo schema relativo alla scheda relè, che sembra identica a quella citata nel primo post...
... se
bj77bj77 conferma, può riportarlo qui con fidocadJ, altrimenti lo può correggere/integrare rispetto a quello della scheda in suo possesso.
Max
... se
MaxDisapprovo quello che dite, ma difenderò fino alla morte il vostro diritto di dirlo [attribuita a Voltaire]
La gentilezza dovrebbe diventare lo stile naturale della vita, non l'eccezione [Siddhārtha Gautama]
La gentilezza dovrebbe diventare lo stile naturale della vita, non l'eccezione [Siddhārtha Gautama]
-

Max2433BO
18,6k 4 11 13 - G.Master EY

- Messaggi: 4724
- Iscritto il: 25 set 2013, 16:29
- Località: Universo - Via Lattea - Sistema Solare - Terzo pianeta...
1
voti
Dopo aver visto lo schema di OP avevo subito meditato la sensazione che il problema fosse causato dall'alimentazione del tutto fatta molto male. Ringrazio anche l'autista per il contributo, che praticamente conferma la mia sensazione.
OP, devi rifare l'alimentazione del sistema. Procurati un 5 V stabile, magari anche un caricabatterie per cellulare dismesso, basta che esca con 5 V e possibilmente 500 mA o meglio 1 A. Collega le varie schede in comune solo con il riferimento GND, usando un conduttore un poco grosso, magari 1 mm quadro, con il nodo comune il piu` vicino possible all'alimentatore e, parimenti, alimenta i vari 5 V di ciascuna scheda, separatamente, partendo di volta in volta dall'alimentatore, ed elimina i vari jumper di messa in comune dei vari 5 V. Poi riprova, e riporta i residui di problema, eventuali, che ti restano.
OP, devi rifare l'alimentazione del sistema. Procurati un 5 V stabile, magari anche un caricabatterie per cellulare dismesso, basta che esca con 5 V e possibilmente 500 mA o meglio 1 A. Collega le varie schede in comune solo con il riferimento GND, usando un conduttore un poco grosso, magari 1 mm quadro, con il nodo comune il piu` vicino possible all'alimentatore e, parimenti, alimenta i vari 5 V di ciascuna scheda, separatamente, partendo di volta in volta dall'alimentatore, ed elimina i vari jumper di messa in comune dei vari 5 V. Poi riprova, e riporta i residui di problema, eventuali, che ti restano.
-

Candy
32,5k 7 10 13 - CRU - Account cancellato su Richiesta utente
- Messaggi: 10123
- Iscritto il: 14 giu 2010, 22:54
0
voti
Max2433BO ha scritto:Scusa se mi intrometto Mauro, in rete ho trovato questo schema relativo alla scheda relè, che sembra identica a quella citata nel primo post...
... sebj77bj77 conferma, può riportarlo qui con fidocadJ, altrimenti lo può correggere/integrare rispetto a quello della scheda in suo possesso.
Max
confermo.. dovrebbe essere lui
Candy ha scritto:
OP, devi rifare l'alimentazione del sistema.
ci sto lavorando, ma... OP per cosa sta???
1
voti
Io non capisco nulla di arduino ma un po' potrebbero aver avuto ragione anche quelli dell'altro forum, Io avrei costruito una scheda relè e l'avrei alimentata con una tensione esterna facendo eccitare i relè con i 5v positivi da arduino. Anche perche secondo me quando proverai ad eccitare tutti i relè avrai lo stesso problema.
-

elektronik
7.800 4 6 7 - Master

- Messaggi: 3836
- Iscritto il: 12 mag 2015, 22:26
2
voti
bj77bj77 ha scritto:OP per cosa sta???
Original Poster, in pratica sei tu.
-

PietroBaima
90,7k 7 12 13 - G.Master EY

- Messaggi: 12206
- Iscritto il: 12 ago 2012, 1:20
- Località: Londra
29 messaggi
• Pagina 3 di 3 • 1, 2, 3
Chi c’è in linea
Visitano il forum: Nessuno e 29 ospiti

Elettrotecnica e non solo (admin)
Un gatto tra gli elettroni (IsidoroKZ)
Esperienza e simulazioni (g.schgor)
Moleskine di un idraulico (RenzoDF)
Il Blog di ElectroYou (webmaster)
Idee microcontrollate (TardoFreak)
PICcoli grandi PICMicro (Paolino)
Il blog elettrico di carloc (carloc)
DirtEYblooog (dirtydeeds)
Di tutto... un po' (jordan20)
AK47 (lillo)
Esperienze elettroniche (marco438)
Telecomunicazioni musicali (clavicordo)
Automazione ed Elettronica (gustavo)
Direttive per la sicurezza (ErnestoCappelletti)
EYnfo dall'Alaska (mir)
Apriamo il quadro! (attilio)
H7-25 (asdf)
Passione Elettrica (massimob)
Elettroni a spasso (guidob)
Bloguerra (guerra)

pigreco]=π