Ciao a tutti, ho acquistato alcuni led bicolore -con soli due piedini- bianco caldo, dei quali purtroppo non ho disponibili le specifiche. Invertendo la polarità cambia il colore e fin qui nessun problema, però mi chiedevo come funzionasse per il resistore di limitazione: di solito il rosso ha 2v di caduta e il bianco caldo intorno a 3,4v. Volendo alimentarlo con 5v come mi dovrei orientare?
Devo trovare una via di mezzo tra i due? Quindi avendo poi il bianco meno luminoso...
Grazie, buona calda domenica
Led bicolore due pin, quale resistore?
Moderatori:
carloc,
g.schgor,
BrunoValente,
IsidoroKZ
9 messaggi
• Pagina 1 di 1
0
voti
0
voti
Con che circuito lo piloti?
Per usare proficuamente un simulatore, bisogna sapere molta più elettronica di lui
Plug it in - it works better!
Il 555 sta all'elettronica come Arduino all'informatica! (entrambi loro malgrado)
Se volete risposte rispondete a tutte le mie domande
Plug it in - it works better!
Il 555 sta all'elettronica come Arduino all'informatica! (entrambi loro malgrado)
Se volete risposte rispondete a tutte le mie domande
0
voti
Pensavo, se non ho capito male, di poter collegare uno switch a levetta on-off-on con 6 pin e da lì a una presa USB
0
voti
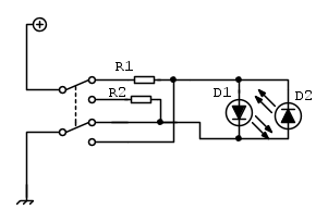
Metti due resistenze prima dello switch che credo sia un DPDT. Fai uno schema cosi` si capisce che interruttore vuoi usare.
Per usare proficuamente un simulatore, bisogna sapere molta più elettronica di lui
Plug it in - it works better!
Il 555 sta all'elettronica come Arduino all'informatica! (entrambi loro malgrado)
Se volete risposte rispondete a tutte le mie domande
Plug it in - it works better!
Il 555 sta all'elettronica come Arduino all'informatica! (entrambi loro malgrado)
Se volete risposte rispondete a tutte le mie domande
0
voti
Esatto, è un DPDT. Per lo schema, sto ancora cercando di capire se uno switch di quel tipo possa fare al caso mio, cerco qualche esempio di collegamento.
0
voti
Grazie!
Provo a riportare lo schema alla situazione con lo switch, a leggerlo così purtroppo faccio non poca fatica
Provo a riportare lo schema alla situazione con lo switch, a leggerlo così purtroppo faccio non poca fatica

1
voti
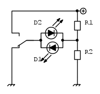
Puoi anche fare così
Rispetto al precedente usi un deviatore invece che un doppio deviatore, ma hai un consumo di corrente maggiore dovuto al fatto che R1/R2 sono sempre collegati tra Vcc e gnd
Rispetto al precedente usi un deviatore invece che un doppio deviatore, ma hai un consumo di corrente maggiore dovuto al fatto che R1/R2 sono sempre collegati tra Vcc e gnd
-

Brianz
5.828 5 10 - CRU - Account cancellato su Richiesta utente
- Messaggi: 858
- Iscritto il: 24 mar 2016, 11:27
0
voti
Brianz ha scritto:Puoi anche fare così...
Non funziona se alimentato a 5V, non c'e` abbastanza tensione. La tensione dell'equivalente Thevenin rispetto al negativo e al positivo deve essere maggiore della rispettiva tensione di led. Se un led e` da 3.4V e l'altro da 1.8V non puoi avere una tensione equivalente che soddisfaccia le due richieste se la tensione di alimentazione non e` abbastanza piu` elevata della somma delle due tensioni di led.
Per usare proficuamente un simulatore, bisogna sapere molta più elettronica di lui
Plug it in - it works better!
Il 555 sta all'elettronica come Arduino all'informatica! (entrambi loro malgrado)
Se volete risposte rispondete a tutte le mie domande
Plug it in - it works better!
Il 555 sta all'elettronica come Arduino all'informatica! (entrambi loro malgrado)
Se volete risposte rispondete a tutte le mie domande
9 messaggi
• Pagina 1 di 1
Chi c’è in linea
Visitano il forum: Nessuno e 179 ospiti

Elettrotecnica e non solo (admin)
Un gatto tra gli elettroni (IsidoroKZ)
Esperienza e simulazioni (g.schgor)
Moleskine di un idraulico (RenzoDF)
Il Blog di ElectroYou (webmaster)
Idee microcontrollate (TardoFreak)
PICcoli grandi PICMicro (Paolino)
Il blog elettrico di carloc (carloc)
DirtEYblooog (dirtydeeds)
Di tutto... un po' (jordan20)
AK47 (lillo)
Esperienze elettroniche (marco438)
Telecomunicazioni musicali (clavicordo)
Automazione ed Elettronica (gustavo)
Direttive per la sicurezza (ErnestoCappelletti)
EYnfo dall'Alaska (mir)
Apriamo il quadro! (attilio)
H7-25 (asdf)
Passione Elettrica (massimob)
Elettroni a spasso (guidob)
Bloguerra (guerra)




