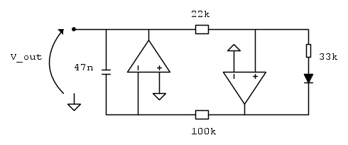
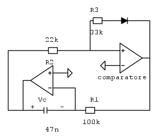
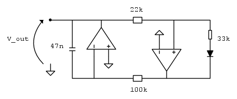
Sono alle prese con questo esercizio:
E non riesco a capire se l'operazionale di destra ha retroazione negativa o positiva.
Io di solito ragiono così: stacco l'operazionale (il blocco "A") e calcolo il "beta" come rapporto tra la tensione di feedback e quella di test. Il diodo sul segnale lo considero un cortocircuito, supponendo che sia acceso.
L'operazionale di sinistra fa parte di uno stadio integratore, allora sarà
. Quindi mi risulta 
e in pratica il guadagno d'anello
sarebbe negativo o positivo a seconda della frequenza (considero che A sia infinito ad ogni frequenza). Problema: ma quale frequenza? Nel circuito non c'è un generatore di segnale, il che mi fa sospettare che questo sia una sorta di oscillatore. Ma allora l'operazionale di destra dovrebbe comportarsi da comparatore, fuori linearità...insomma, non ci sto capendo niente
. Qualcuno ha qualche input da darmi? Grazie in anticipo!
Elettrotecnica e non solo (admin)
Un gatto tra gli elettroni (IsidoroKZ)
Esperienza e simulazioni (g.schgor)
Moleskine di un idraulico (RenzoDF)
Il Blog di ElectroYou (webmaster)
Idee microcontrollate (TardoFreak)
PICcoli grandi PICMicro (Paolino)
Il blog elettrico di carloc (carloc)
DirtEYblooog (dirtydeeds)
Di tutto... un po' (jordan20)
AK47 (lillo)
Esperienze elettroniche (marco438)
Telecomunicazioni musicali (clavicordo)
Automazione ed Elettronica (gustavo)
Direttive per la sicurezza (ErnestoCappelletti)
EYnfo dall'Alaska (mir)
Apriamo il quadro! (attilio)
H7-25 (asdf)
Passione Elettrica (massimob)
Elettroni a spasso (guidob)
Bloguerra (guerra)



e a numeratore c'e` un segno meno.




