Cos'è ElectroYou | Login Iscriviti

ElectroYou - la comunità dei professionisti del mondo elettrico

Attivare rele con NPN usato come interruttore inverso

Elettronica lineare e digitale: didattica ed applicazioni

Moderatori: Foto Utentecarloc, Foto Utenteg.schgor, Foto UtenteBrunoValente, Foto UtenteIsidoroKZ

0
voti

[1] Attivare rele con NPN usato come interruttore inverso

Messaggioda Foto Utentefloppinoo » 15 ago 2016, 8:58

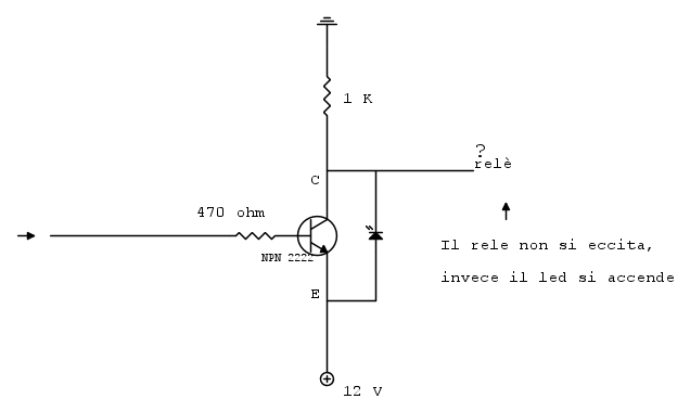
Salve ho un problema che non riesco a risolvere, in pratica vorrei attivare un relè tramite un transistor NPN, usandolo come interruttore inverso, cioè vorrei eccitare un rele quando giunge sulla base del transistor un valore logico 0 e non alto, da premettere che alimento tutto il circuito con 12 volt e uso come transistor NPN un 2222.
Ho provato a usare NPN come interruttore inverso (un NPN 2222), come nello schema sotto :



usando questo circuito i riesco ad accendere un led, ma se collego un rele, il rele non si eccita e non capisco il motivo , se uso invece la configurazione classica (NPN interruttore normale non inverso) tutto funziona, qualcuno sa dirmi come posso risolvere questo problema ?

In pratica vorrei che il rele si ecciti quando sulla base del transiastor giungono 0 volt e si diseciti quando sulla base del transistor giungono 12 volt positivi.

Grazie in anticipo delle risposte :ok: Francesco
Avatar utente
Foto Utentefloppinoo
205 1 3 7
Sostenitore
Sostenitore
 
Messaggi: 508
Iscritto il: 24 lug 2010, 9:26

0
voti

[2] Re: Attivare rele con NPN usato come interruttore inverso

Messaggioda Foto Utentefilippo125 » 15 ago 2016, 9:29

Io scambierei emettitore e collettore, quando il transistor è accesso la giunzione CE e quindi ai capi del led/relè dovrebbe essere circa a 0.7 v (se non ricordo male) e la corrente scorre nel transistor; quando il transistor è spento la corrente scorre nel led/relè.
Essendo ignorante in elettronica attendo di essere smentito (molto probabile) o confermato.
Buon Ferragosto Filippo
Avatar utente
Foto Utentefilippo125
85 1 2 5
Frequentatore
Frequentatore
 
Messaggi: 139
Iscritto il: 6 ago 2008, 15:59

2
voti

[3] Re: Attivare rele con NPN usato come interruttore inverso

Messaggioda Foto UtenteIlGuru » 15 ago 2016, 9:30

Per eccitare l'elettrocalamita alla bobina deve arrivare una certa corrente, e forse quella resistenza da 1k la limita un po' troppo.
Ma perché non uai un pnp collegando il rele tra collettore e massa?
\Gamma\nu\tilde{\omega}\theta\i\ \sigma\epsilon\alpha\upsilon\tau\acute{o}\nu
Avatar utente
Foto UtenteIlGuru
5.482 2 10 13
G.Master EY
G.Master EY
 
Messaggi: 1924
Iscritto il: 31 lug 2015, 23:32

0
voti

[4] Re: Attivare rele con NPN usato come interruttore inverso

Messaggioda Foto Utentefloppinoo » 15 ago 2016, 9:34

Mi puo dire come .... ? a me interessa che il rele si ecciti quando sulla base del transistor giungono 0 V
posso anche usare un pnp non è un problma, ma come farei in questo caso ?
Ultima modifica di Foto Utentealev il 15 ago 2016, 9:58, modificato 1 volta in totale.
Motivazione: Rimossa citazione totale messaggio precedente
Avatar utente
Foto Utentefloppinoo
205 1 3 7
Sostenitore
Sostenitore
 
Messaggi: 508
Iscritto il: 24 lug 2010, 9:26

0
voti

[5] Re: Attivare rele con NPN usato come interruttore inverso

Messaggioda Foto Utentefloppinoo » 15 ago 2016, 10:38

Scusate ragazzi ma mi sono accorto dal circuito, mia confusione, che quello che mi serve realmente e che quando sulla base del transistor la positiva viene staccata fisicamente (quindi non 0 V), il transistor vorrei che ecciti il rele, viceversa nel caso contrario, se è presente la positiva sulla base del transistor, questo deve disecitare il rele .
Ultima modifica di Foto Utentefloppinoo il 15 ago 2016, 10:43, modificato 1 volta in totale.
Avatar utente
Foto Utentefloppinoo
205 1 3 7
Sostenitore
Sostenitore
 
Messaggi: 508
Iscritto il: 24 lug 2010, 9:26

1
voti

[6] Re: Attivare rele con NPN usato come interruttore inverso

Messaggioda Foto UtenteBrianz » 15 ago 2016, 10:42

Avatar utente
Foto UtenteBrianz
5.828 5 10
CRU - Account cancellato su Richiesta utente
 
Messaggi: 858
Iscritto il: 24 mar 2016, 11:27

0
voti

[7] Re: Attivare rele con NPN usato come interruttore inverso

Messaggioda Foto Utentefloppinoo » 15 ago 2016, 10:45

grazie Brianz, ma ora mi sono accorto che vorrei nel circuito una cosa diversa come detto sopra :(, e non so elettronicamente come si possa fare o se devo usare qualcosa di diverso dal transistor

Qualcuno sa come si fa in questo caso .... ?
Avatar utente
Foto Utentefloppinoo
205 1 3 7
Sostenitore
Sostenitore
 
Messaggi: 508
Iscritto il: 24 lug 2010, 9:26

1
voti

[8] Re: Attivare rele con NPN usato come interruttore inverso

Messaggioda Foto UtenteBrianz » 15 ago 2016, 11:05

Stacca la R2 dal positivo e mettila a massa.
Se la R1 è collegata al positivo, il transistor è bloccato. Se è scollegata, il transistor sarà mandato in conduzione dalla R2.
Avatar utente
Foto UtenteBrianz
5.828 5 10
CRU - Account cancellato su Richiesta utente
 
Messaggi: 858
Iscritto il: 24 mar 2016, 11:27

0
voti

[9] Re: Attivare rele con NPN usato come interruttore inverso

Messaggioda Foto Utentefloppinoo » 15 ago 2016, 11:08

Quindi tipo la R2 si comporta da resistenza di pull - down sulla base giusto ?
Avatar utente
Foto Utentefloppinoo
205 1 3 7
Sostenitore
Sostenitore
 
Messaggi: 508
Iscritto il: 24 lug 2010, 9:26

1
voti

[10] Re: Attivare rele con NPN usato come interruttore inverso

Messaggioda Foto UtenteBrianz » 15 ago 2016, 11:28

Personalmente non la definirei come un pull-down, lasciando i termini pull-up e pull-down ai circuiti logici.
R2 consente di polarizzare la base del transistor. Se la mandi positiva, ovvero a livello dell' emitter, blocchi il transistor, se la mandi negativa, ovvero a livello del collettore, conduce.
Se il capo libero di R1<R2 è collegato al positivo, la base del transistor è positiva a sufficienza per bloccarlo. Se scolleghi il capo della R1, la R2 manderà in conduzione il transistor.
E' comunque il caso di verificare se i valori di R1 e R2 dello schema sono corretti. A mio parere, funziona.
Prova, sono solo 5 pezzi e su una breadboard si fa in 10 minuti.
Avatar utente
Foto UtenteBrianz
5.828 5 10
CRU - Account cancellato su Richiesta utente
 
Messaggi: 858
Iscritto il: 24 mar 2016, 11:27

Prossimo

Torna a Elettronica generale

Chi c’è in linea

Visitano il forum: Nessuno e 213 ospiti