Cos'è ElectroYou | Login Iscriviti

ElectroYou - la comunità dei professionisti del mondo elettrico

Circuito con trasformatore di isolamento

Circuiti, campi elettromagnetici e teoria delle linee di trasmissione e distribuzione dell’energia elettrica

Moderatori: Foto Utenteg.schgor, Foto UtenteIsidoroKZ

0
voti

[1] Circuito con trasformatore di isolamento

Messaggioda Foto Utenteusielsa746 » 26 ago 2016, 10:46

Un saluto a tutti!



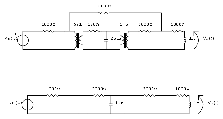
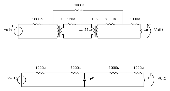
Ho semplificato il circuito che si trova in alto.

Ho portato il condensatore da 25 \ \mu F e la resistenza da 120 \ \Omega a sinistra del trasformatore 5:1, applicando la formula (per ciascuna impedenza) : n^2 \ Z=25 \ Z .

Visto che il sistema formato dai trasformatori 5:1 e 1:5 costituisce un trasformatore di isolamento, la resistenza da 3000 \ \Omega (quella sopra) si può cancellare.

Secondo voi, è corretto?

Grazie!
Avatar utente
Foto Utenteusielsa746
25 3
 
Messaggi: 26
Iscritto il: 19 giu 2016, 17:08

0
voti

[2] Re: Circuito con trasformatore di isolamento

Messaggioda Foto Utenteusielsa746 » 26 ago 2016, 13:40

L'esercizio, inoltre, chiedeva di determinare il guadagno statico \frac{V_u}{V_s}

Se sono giuste le semplificazioni che ho svolto precedentemente , ho un dubbio su come si calcoli V_u, dato che in continua, l'induttore viene visto come un cortocircuito

Avatar utente
Foto Utenteusielsa746
25 3
 
Messaggi: 26
Iscritto il: 19 giu 2016, 17:08

0
voti

[3] Re: Circuito con trasformatore di isolamento

Messaggioda Foto Utentekyexim » 26 ago 2016, 13:44

Io vedo Vs in funzione di t, sicuri che siamo in continua?
Avatar utente
Foto Utentekyexim
213 3
CRU - Account cancellato su Richiesta utente
 
Messaggi: 153
Iscritto il: 8 feb 2016, 13:46

0
voti

[4] Re: Circuito con trasformatore di isolamento

Messaggioda Foto UtenteMarcoD » 26 ago 2016, 13:50

Le semplificazioni del postb 1 , per me sono corrette.
Il testo dell'esercizio non specifica che la tensione di Vs è continua.
Se fosse in alternata 50 Hz ?, i trasformatori avrebbero senso,
e la induttanza da 1 H presenterebbe una reattanza di 314 ohm,
e il condensatore da 1uF una reattanza Xc= 1/(314.1*10^-6)= circa 3000 ohm.
I calcoli con i numeri complessi, sono fastidiosi ma fattibili.
Buoni esercizi :ok: A quando l'esame ?
O_/
Avatar utente
Foto UtenteMarcoD
12,2k 5 9 13
Master EY
Master EY
 
Messaggi: 6696
Iscritto il: 9 lug 2015, 16:58
Località: Torino

0
voti

[5] Re: Circuito con trasformatore di isolamento

Messaggioda Foto Utenteusielsa746 » 26 ago 2016, 15:17

Grazie, ho l'esame l'8 settembre.

Mi sono spiegato male.
In realtà bisognava calcolare la funzione di rete \frac{V_u(s)}{V_s(s)} usando la trasformata di Laplace, i poli e il guadagno statico.

Utilizzando il teorema di Millman e considerando il partitore di tensione costituito dall'induttore e dalla resistenza di 4000 \ \Omega (a destra) :

\frac{V_u(s)}{V_s(s)}=\frac{ \frac{1}{4000}     }{ \frac{1}{4000}+10^{-6} \ s+ \frac{1}{4000+s}     } \qquad \frac{s}{s+4000}

Semplifico la funzione di rete :

\frac{ \frac{1}{4000} } { \frac{8000+17 \ s+ 4 \ 10^{-3} \ s^2} {4000 \ (4000+s) } } \qquad \frac{s}{s+4000}

\frac{ 1 } { \frac{8000+17 \ s+ 4 \ 10^{-3} \ s^2} {  4000+s} } \qquad \frac{s}{s+4000}

\frac{ s }{ 8000+17 \ s+ 4 \ 10^{-3} \ s^2}

\frac{1}{8000} \qquad \frac{ s }{ 1+2.125 \ 10^{-3} \ s+ 5 \ 10^{-7} \ s^2}

Il guadagno statico è pari a \frac{1}{8000}

Mi era stato detto che si poteva ricavare il guadagno statico, come controprova, considerando \frac{V_u}{V_s} nel caso di sorgente continua (questo è il motivo del mio precedente post)

Frequenza di risonanza: \omega_0=\sqrt{\frac{1}{5 \ 10^{-7}}}=1414 \ rad/s


Calcolo dei poli:

Calcolo prima il discriminante dell'equazione di secondo grado associata:

\Delta=(2.125 \ 10^{-3})^2-4\ (5 \ 10^{-7})=2.5156 \ 10^{-6}

Avremo due poli reali.

p_1=-539
p_2=-3711

I poli hanno entrambi parte reale negativa, quindi il circuito è stabile

Secondo voi, è corretto?
Avatar utente
Foto Utenteusielsa746
25 3
 
Messaggi: 26
Iscritto il: 19 giu 2016, 17:08


Torna a Elettrotecnica generale

Chi c’è in linea

Visitano il forum: Nessuno e 67 ospiti