Cos'è ElectroYou | Login Iscriviti

ElectroYou - la comunità dei professionisti del mondo elettrico

Progettazione ponte raddrizzatore full-wave

Elettronica lineare e digitale: didattica ed applicazioni

Moderatori: Foto Utentecarloc, Foto Utenteg.schgor, Foto UtenteBrunoValente, Foto UtenteIsidoroKZ

0
voti

[1] Progettazione ponte raddrizzatore full-wave

Messaggioda Foto Utentecaleidocane » 29 ago 2016, 8:13

Buongiorno a tutti,
Sono registrato da un po' ma non ho mai partecipato al forum, l'elettronica per me è stato sempre una attrazione con degli scogli così alti da affrontare, che mi sono sempre solo limitato a guardare da distante.
Visto le recenti necessità di mischiare il mio lavoro di grafica interattiva con necessità di costruire giochetti reali che interagiscano con il mondo virtuale, ho deciso di bguttarmi a capofitto dalle basi (anche perché altrimenti non ci si capisce niente). Premetto che ho decisamente molte carenze in campo matematico, ho guardato un po' in giro e cercato u libro che potesse aiutarmi in questa avventura, ed ho preso in biblioteca il libro "Art of Electronics" Paul Horowitz.

Sono al primo capitolo e l'autore va come un treno a spiegare fondamenti di elettronica di 300 anni di studi :D :D

quindi non sempre capisco tutto, e mi sto convincendo leggendo l'autore che ogni pagina dice:" in questo punto c'è molta matematica, ma tieni duro arriveremo alla parte interessante!".

Non sempre faccio gli esercizi proposti, e mi sono perso nelle spiegazioni dei Low filter e High filter (faceva uso di integrali e numeri complessi. Io a malapena sono fermo ai polinomi :D )

Arrivo al punto dove vi è un esrcizio che dice (il libro è in inglese):

Design a full-wave bridge rectifier circuit to deliver 10 volt dc with less than 0.1 volt (pp) ripple into a load drawing up to 10mA.Choose the appropriate ac input voltage, assuming 0.6 volt diode drops. Be sure to use the correct ripple frequency in your calculation.

Allora comincio disegnando un "bridge rectifier" (non ho idea di ocme si chiami in italiano :D) full wave, quindi i 4 diodi in "cerchio" come si trova anche su google, da li passo ad inserire il mio condensatore. Qui mi fermo, nel senso, ipotizzando una situazione reale utilizzando quindi corrente alternata a 220 V 50 Hz. Sul libro leggo che non si usa inserire una resistenza, quindi utilizzo il condensatore per passare da 220 V a 10v?

Vi va di aiutarmi a fare questo esercizio?

Grazie mille
Ultima modifica di Foto Utentealev il 29 ago 2016, 8:47, modificato 1 volta in totale.
Motivazione: Modificato titolo
Avatar utente
Foto Utentecaleidocane
0 2
 
Messaggi: 8
Iscritto il: 3 ott 2013, 10:39

0
voti

[2] Re: Progettazione ponte raddrizzatore full-wave

Messaggioda Foto Utentealev » 29 ago 2016, 8:53

Per passare da 220 V a 10 V (in CA) serve un trasformatore

Il condensatore può svolgere funzioni di livellamento ma può anche fare altro

Se ti va di spiegare meglio il tuo progetto (cosa vuoi fare e come lo vuoi fare praticamente), potresti iniziare con uno schemino di quello che hai concepito; lo schemino disegnalo con FidoCadJ, così possiamo modificarlo
Avatar utente
Foto Utentealev
5.990 2 9 12
free expert
 
Messaggi: 6282
Iscritto il: 19 lug 2010, 14:38
Località: Altrove

0
voti

[3] Re: Progettazione ponte raddrizzatore full-wave

Messaggioda Foto Utenterichiurci » 29 ago 2016, 8:56

no.... un classico ponte diodi + condensatore ti permette esclusivamente di ottenere una tensione raddrizzata pari teoricamente a 1,41 x Vac.

Quando si stabilisce un ripple massimo si deve anche specificare con quale carico applicato.

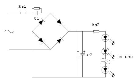
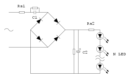
Se vuoi anche ridurre l atensione ci sono vari metodi, mi viene in mente quello usato nelle lampadine a LED tipo "pannocchia", un metodo pericoloso perché non isola galvanicamente il circuito dalla tensione di rete.

Lo schema è tipo questo:



ne avevo parlato qui:
http://www.electroyou.it/richiurci/wiki ... iera-a-led

ci sono una serie di articoli, es di isidorokz, che ne parlano approfonditamente, per esempio
http://www.electroyou.it/isidorokz/wiki ... ne-da-rete

Ti tocca studiare... e se vuoi consigli mirati impara a usare FidocadJ per inserire gli schemi elettrici!
Avatar utente
Foto Utenterichiurci
32,6k 7 11 13
G.Master EY
G.Master EY
 
Messaggi: 8800
Iscritto il: 2 apr 2013, 16:08

1
voti

[4] Re: Progettazione ponte raddrizzatore full-wave

Messaggioda Foto UtenteBrianz » 29 ago 2016, 10:38

Dividi il problema in due parti:

1 . - Choose the appropriate ac input voltage, assuming 0.6 volt diode drops.
Ovvero: Calcolare la tensione alternata di ingresso del raddrizzatore per ottenre la tensione di uscita voluta.

La tensione Vout di uscita dal raddrizzatore a due semionde, che si chiama ponte di Graetz, è data da:

Vout= (Vin x 1.414) – Vd

Dove Vin è la tensione di ingresso e Vd è la caduta sui diodi. Dato che i diodi in serie per ogni semionda sono due e che ognuno ha una cdt di 0.6V

10 = (Vin x 1.4141) – 1.2

da cui

Vin = (10+1.2)/1.414 = 7.92 V

Che poi questa sia ottenuta con un trasformatore o altro, l’esercizio non lo specifica. Possiamo solo dire che questa tensione, nella realtà, dovrà esserci alla corrente richiesta, ovvero 10mA.

2. - 0.1 volt (pp) ripple into a load drawing up to 10mA
Ovvero:
Calcoliamo il condensatore per il ripple voluto.

Una formula semplificata per la capacità C in farad sarà questa:

C=Il /f Vr

Dove Il è la corrente, Vr è la tensione di ripple e f è la frequenza. In questo caso, con una linea a 50Hz, causa la rettifica a doppia semionda, si tratterà di 100Hz (Be sure to use the correct ripple frequency in your calculation).
Quindi:

C= 0.01 / 100 x 0.1 = 1000uF

Se il ripple dovrà essere minore di 0.1V, C dovrà aumentare di valore.

Il calcolo è puramente teorico in quanto la tensione di ingresso reale, derivata con un trasformatore in discesa dalla rete o qualsiasi altro mezzo, sarà variabile con la rete stessa. Ovvero la tensione di uscita non è stabilizzata.

SE&O
Avatar utente
Foto UtenteBrianz
5.828 5 10
CRU - Account cancellato su Richiesta utente
 
Messaggi: 858
Iscritto il: 24 mar 2016, 11:27

0
voti

[5] Re: Progettazione ponte raddrizzatore full-wave

Messaggioda Foto Utentecaleidocane » 29 ago 2016, 10:54

the-art-of-electronics-3rd-edition.pdf
(120.88 KiB) Scaricato 147 volte
Non mi permetterei mai di provare a progettare qualcosa, sto cercando di fare gli esercizi proposti dal libro, ma alle volte per me sono veramente troppo difficili.

L'esercizio dice proprio di disegnare un ponte raddrizzatore che dia 10 vdc fino a 10mA, scegli l'input ac appropriato per ottenerlo considerando 0.6 volt di caduta del diode.

Quindi da per sottointeso che io debba mettere un trasformatore?

questa è la pagina dell'esercizio, in questo caso con un trasformatore un ponte raddrizzatore e un condensatore della giusta dimensione potrei avere il vdc richiesto con i mA richiesti con solo il condensatore che mi pare di aver capito può anche fungere da resistenza, o sbaglio?
Avatar utente
Foto Utentecaleidocane
0 2
 
Messaggi: 8
Iscritto il: 3 ott 2013, 10:39

0
voti

[6] Re: Progettazione ponte raddrizzatore full-wave

Messaggioda Foto Utentecaleidocane » 29 ago 2016, 10:55

ponteradd.png
ponteradd.png (379 Byte) Osservato 4127 volte
ecco queloo che ho provato a disegnare
Avatar utente
Foto Utentecaleidocane
0 2
 
Messaggi: 8
Iscritto il: 3 ott 2013, 10:39

0
voti

[7] Re: Progettazione ponte raddrizzatore full-wave

Messaggioda Foto Utentecaleidocane » 29 ago 2016, 10:57

Leggo ora Area 51 grazie!
Avatar utente
Foto Utentecaleidocane
0 2
 
Messaggi: 8
Iscritto il: 3 ott 2013, 10:39

0
voti

[8] Re: Progettazione ponte raddrizzatore full-wave

Messaggioda Foto Utentealev » 29 ago 2016, 11:35

caleidocane ha scritto:Design a full-wave

Design, in inglese, significa progettazione, ideazione

caleidocane ha scritto:Non mi permetterei mai di provare a progettare qualcosa

Ed invece, senza saperlo, hai progettato ;-)
Avatar utente
Foto Utentealev
5.990 2 9 12
free expert
 
Messaggi: 6282
Iscritto il: 19 lug 2010, 14:38
Località: Altrove


Torna a Elettronica generale

Chi c’è in linea

Visitano il forum: Google [Bot] e 51 ospiti