Cos'è ElectroYou | Login Iscriviti

ElectroYou - la comunità dei professionisti del mondo elettrico

pilotaggio HIGH SIDE

Elettronica lineare e digitale: didattica ed applicazioni

Moderatori: Foto Utentecarloc, Foto Utenteg.schgor, Foto UtenteBrunoValente, Foto UtenteIsidoroKZ

0
voti

[1] pilotaggio HIGH SIDE

Messaggioda Foto Utenteelonmusk » 24 set 2016, 14:41

Buongiorno a tutti! O_/
volevo chiedervi un aiuto dato che ho dei problemi con un circuito che sto realizzando. Ho due condensatori da 1mF in parallelo che devo caricare quando do un determinato comando e successivamente li voglio scaricare su un carico. Quindi avevo pensato di mettere tra l' alimentazione e i condensatori un interruttore (HIGH SIDE) e sotto i condensatori un altro interruttore (LOW SIDE con un npn) in modo da poter controllare quando scaricare/ caricare ecc.
Tuttavia non riesco a progettare l' interruttore high side, ho scartato l' uso degli npn dato che non riuscendo a farli saturare in questa configurazione perderei troppa tensione che nn andrebbe sui condensatori, quindi ho valutato l' opzione di realizzarlo con un pnp che a sua volta viene comandato da un npn, tuttavia facendo i calcoli per le resistenze ottengo il risultato che anche quando il pnp non dovrebbe condurre (off) conduce lo stesso. Sapete dirmi qual è il problema ? O in che altro modo posso fare?
Vi ringrazio!
allego la foto del circuito
Allegati
IMG_1688.JPG
disegno del circuito
Avatar utente
Foto Utenteelonmusk
-2 2
 
Messaggi: 10
Iscritto il: 24 set 2016, 13:38

0
voti

[2] Re: pilotaggio HIGH SIDE

Messaggioda Foto Utentealev » 24 set 2016, 20:24

Ho due condensatori da 1mF in parallelo

Intendi dire 2 condensatori da 1 millifarad :?:
Avatar utente
Foto Utentealev
5.990 2 9 12
free expert
 
Messaggi: 6282
Iscritto il: 19 lug 2010, 14:38
Località: Altrove

1
voti

[3] Re: pilotaggio HIGH SIDE

Messaggioda Foto Utenteibra » 24 set 2016, 20:27

Secondo me con quello schema al massimo puoi solo caricarli... e basta, non c'è nient'altro che li può scaricare su di un ipotetico carico.
Avatar utente
Foto Utenteibra
1.282 3 4 6
CRU - Account cancellato su Richiesta utente
 
Messaggi: 2100
Iscritto il: 15 lug 2015, 0:45

0
voti

[4] Re: pilotaggio HIGH SIDE

Messaggioda Foto UtenteEcoTan » 24 set 2016, 22:00

Avatar utente
Foto UtenteEcoTan
7.720 4 12 13
Expert EY
Expert EY
 
Messaggi: 5422
Iscritto il: 29 gen 2014, 8:54

0
voti

[5] Re: pilotaggio HIGH SIDE

Messaggioda Foto Utenteibra » 24 set 2016, 22:02

:?:
Avatar utente
Foto Utenteibra
1.282 3 4 6
CRU - Account cancellato su Richiesta utente
 
Messaggi: 2100
Iscritto il: 15 lug 2015, 0:45

2
voti

[6] Re: pilotaggio HIGH SIDE

Messaggioda Foto Utentesimo85 » 24 set 2016, 23:07

Avatar utente
Foto Utentesimo85
30,9k 7 12 13
Disattivato su sua richiesta
 
Messaggi: 9927
Iscritto il: 30 ago 2010, 4:59

1
voti

[7] Re: pilotaggio HIGH SIDE

Messaggioda Foto Utenteibra » 24 set 2016, 23:11

Sounds good! :ok:
Avatar utente
Foto Utenteibra
1.282 3 4 6
CRU - Account cancellato su Richiesta utente
 
Messaggi: 2100
Iscritto il: 15 lug 2015, 0:45

0
voti

[8] Re: pilotaggio HIGH SIDE

Messaggioda Foto Utentesetteali » 24 set 2016, 23:41

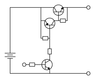
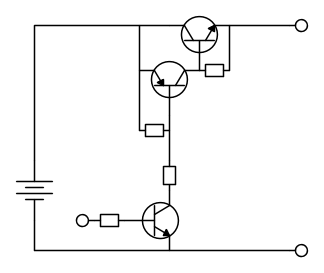
nello schema di Foto Utentesimo85 la resistenza rd è il carico dove l'OP dice di voler scaricare il condensatore ?

Se poi anziché transistor venissero usati dei mos-fet non ci sarebbero in gioco le giunzioni e quindi maggiore tensione di carica e maggiore corrente di scarica.
Mi sbaglio??
O_/
Alex
https://www.facebook.com/Elettronicaeelettrotecnica

<< vedi di pigliare arditamente in mano, il dizionario che ti suona in bocca,
se non altro è schietto e paesano.
(Giuseppe Giusti) <<
Avatar utente
Foto Utentesetteali
11,9k 5 5 9
Master
Master
 
Messaggi: 5921
Iscritto il: 15 dic 2013, 21:09

0
voti

[9] Re: pilotaggio HIGH SIDE

Messaggioda Foto Utentesimo85 » 25 set 2016, 0:14

setteali ha scritto:la resistenza rd è il carico dove l'OP dice di voler scaricare il condensatore ?

Si.
Avatar utente
Foto Utentesimo85
30,9k 7 12 13
Disattivato su sua richiesta
 
Messaggi: 9927
Iscritto il: 30 ago 2010, 4:59

0
voti

[10] Re: pilotaggio HIGH SIDE

Messaggioda Foto Utenteclaudiocedrone » 25 set 2016, 23:53

ibra ha scritto: ..Secondo me con quello schema al massimo puoi solo caricarli... e basta, non c'è nient'altro che li può scaricare su di un ipotetico carico...

:-) Secondo me addirittura quello schema non fa proprio nulla dato che con lo high side chiuso e il low side aperto i condensatori non chiudono il circuito col riferimento ;-) ... e via dicendo. O_/
"Non farei mai parte di un club che accettasse la mia iscrizione" (G. Marx)
Avatar utente
Foto Utenteclaudiocedrone
21,3k 4 7 9
Master EY
Master EY
 
Messaggi: 15302
Iscritto il: 18 gen 2012, 13:36

Prossimo

Torna a Elettronica generale

Chi c’è in linea

Visitano il forum: Nessuno e 246 ospiti