Buongiorno a tutti,
sto realizzando un presepe controllato da un arduino, sono più che altro un programmatore per cui ho molte lacune nella parte propriamente elettronica.
La parte dove sono arenato è l'accensione delle luci delle case nella fase notturna. Avevo intenzione di utilizzare 2/3 LED gialli per ogni casa a seconda della dimensione della casa, per diciamo 8 o 10 case. Mi sarebbe piaciuto evitare che tutti i LED si accendano contemporaneamente, preferisco un'accensione pseudocausale delle varie luci nell'arco di 3 secondi; Analogamente vorrei trattare nello stesso modo lo spegnimento.
Vorrei però evitare di riservare 8 pin di arduino per questa funzione perché mi ruberebbero troppe uscite, vi chiedo cortesemente se qualcuno può aiutarmi a realizzare un circuito a questo scopo.
Grazie
Circuito accensione LED pseudocasuale per Arduino
13 messaggi
• Pagina 1 di 2 • 1, 2
0
voti
Ultima modifica di
alev il 26 set 2016, 14:16, modificato 1 volta in totale.
Motivazione: Chiarito titolo
Motivazione: Chiarito titolo
-

masterdremel
15 2 - Messaggi: 18
- Iscritto il: 12 set 2013, 9:28
1
voti
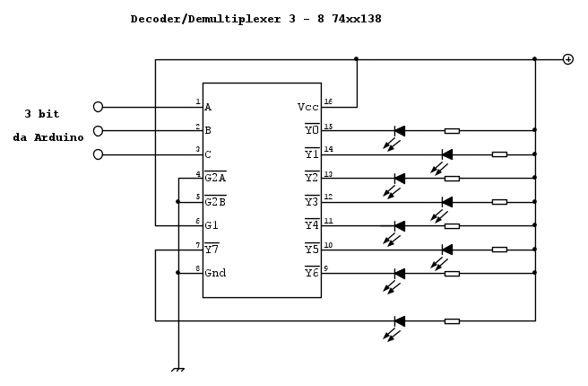
Nei miei lontani ricordi di studio, mi verrebbe da suggerirti l'utilizzo di un decoder/demultiplexer 3 - 8, così potresti usare solo 3 linee dati di arduino per pilotare 8 uscite:
... Però attendi la risposta anche di chi è più avvezzo del sottoscritto a masticare elettronica
, soprattutto per la scelta corretta del modello di deocder da utilizzare più specifica per i tuoi interessi.
Max
... Però attendi la risposta anche di chi è più avvezzo del sottoscritto a masticare elettronica
MaxDisapprovo quello che dite, ma difenderò fino alla morte il vostro diritto di dirlo [attribuita a Voltaire]
La gentilezza dovrebbe diventare lo stile naturale della vita, non l'eccezione [Siddhārtha Gautama]
La gentilezza dovrebbe diventare lo stile naturale della vita, non l'eccezione [Siddhārtha Gautama]
-

Max2433BO
18,6k 4 11 13 - G.Master EY

- Messaggi: 4724
- Iscritto il: 25 set 2013, 16:29
- Località: Universo - Via Lattea - Sistema Solare - Terzo pianeta...
3
voti
Ciao.
Puoi utilizzare un 74HC595.
E' un registro in cui invii i dati in modo seriale utilizzando 3 uscite di arduino e hai a disposizione gli 8 bit equivalenti in parallelo. Altra cosa bella è che puoi inserie in cascata quanti ne vuoi tu. Io per esempio ne sto usando 4 in cascata per comandare dei segnali all'interno di un plastico ferroviario. In pratica in questo modo ho una uscita a 32 bit (paralleli) utilizzando solo 3 pin di arduino.
Puoi utilizzare un 74HC595.
E' un registro in cui invii i dati in modo seriale utilizzando 3 uscite di arduino e hai a disposizione gli 8 bit equivalenti in parallelo. Altra cosa bella è che puoi inserie in cascata quanti ne vuoi tu. Io per esempio ne sto usando 4 in cascata per comandare dei segnali all'interno di un plastico ferroviario. In pratica in questo modo ho una uscita a 32 bit (paralleli) utilizzando solo 3 pin di arduino.
5
voti
Oppure si va di Charlieplexing, vedere questo articolo http://www.electroyou.it/posta10100/wik ... lieplexing di
posta10100
Per usare proficuamente un simulatore, bisogna sapere molta più elettronica di lui
Plug it in - it works better!
Il 555 sta all'elettronica come Arduino all'informatica! (entrambi loro malgrado)
Se volete risposte rispondete a tutte le mie domande
Plug it in - it works better!
Il 555 sta all'elettronica come Arduino all'informatica! (entrambi loro malgrado)
Se volete risposte rispondete a tutte le mie domande
0
voti
Grazie a tutti per le dritte, mi metto subito a studiare!
-

masterdremel
15 2 - Messaggi: 18
- Iscritto il: 12 set 2013, 9:28
0
voti
Ciao.
Se vuoi puoi dare una occhiata a questo mio post http://www.electroyou.it/forum/viewtopic.php?f=56&t=65535 nel quale chiedevo alcune informazioni proprio sui registri. Li trovi già un pezzo di codice per comunicare con i registri e uno schema su come collegarne N in cascata.
Se vuoi puoi dare una occhiata a questo mio post http://www.electroyou.it/forum/viewtopic.php?f=56&t=65535 nel quale chiedevo alcune informazioni proprio sui registri. Li trovi già un pezzo di codice per comunicare con i registri e uno schema su come collegarne N in cascata.
0
voti
Max2433BO ha scritto:Nei miei lontani ricordi di studio, mi verrebbe da suggerirti l'utilizzo di un decoder/demultiplexer 3 - 8, così potresti usare solo 3 linee dati di arduino per pilotare 8 uscite:
Se fai così basta una unica resistenza per tutti i led, che però deve essere 1/8 della resistenza "solita".
Ciao,
Pietro.
-

PietroBaima
90,7k 7 12 13 - G.Master EY

- Messaggi: 12206
- Iscritto il: 12 ago 2012, 1:20
- Località: Londra
0
voti
PietroBaima ha scritto:(...) che però deve essere 1/8 della resistenza "solita".
... scusa, ma perché 1/8 della resistenza "solita"???
Dal momento che il 74xx138 manda a livello basso un'unica uscita per volta, ho compreso il perché dell'utilizzo di un'unica resistenza al posto delle 8, ma non dovrà comunque essere uguale ad una di queste 8? In fin dei conti il led che si attiverà, di volta in volta (supposti i led tutti uguali), assorbirà comunque la medesima corrente e quindi avrà bisogno dello stesso valore di resistenza di limitazione come se ci fosse una resistenza per ogni diodo led...
... o sbaglio?
MaxUltima modifica di
Max2433BO il 28 set 2016, 16:17, modificato 1 volta in totale.
Motivazione: ... precisato meglio il discorso... forse!!
Motivazione: ... precisato meglio il discorso... forse!!
Disapprovo quello che dite, ma difenderò fino alla morte il vostro diritto di dirlo [attribuita a Voltaire]
La gentilezza dovrebbe diventare lo stile naturale della vita, non l'eccezione [Siddhārtha Gautama]
La gentilezza dovrebbe diventare lo stile naturale della vita, non l'eccezione [Siddhārtha Gautama]
-

Max2433BO
18,6k 4 11 13 - G.Master EY

- Messaggi: 4724
- Iscritto il: 25 set 2013, 16:29
- Località: Universo - Via Lattea - Sistema Solare - Terzo pianeta...
0
voti
E' una questione di duty cycle.
Se tu attivi i LED mediamente per 1/8 del tempo ti serve una corrente mediamente 8 volte maggiore per ottenere la stessa luminosità.
Non ho controllato se il driver riesce ad erogare una tale corrente, però.
Ciao,
Pietro.
Se tu attivi i LED mediamente per 1/8 del tempo ti serve una corrente mediamente 8 volte maggiore per ottenere la stessa luminosità.
Non ho controllato se il driver riesce ad erogare una tale corrente, però.
Ciao,
Pietro.
-

PietroBaima
90,7k 7 12 13 - G.Master EY

- Messaggi: 12206
- Iscritto il: 12 ago 2012, 1:20
- Località: Londra
0
voti
Altrimenti puoi usare un CD4017 e con un solo input puoi comandare fino a 10 uscite, è vero però che le spegnerai tutte insieme o ne metti due e ne spegni 5 alla volta.......ma non usi nemmeno 3 linee


Alex
https://www.facebook.com/Elettronicaeelettrotecnica
<< vedi di pigliare arditamente in mano, il dizionario che ti suona in bocca,
se non altro è schietto e paesano.
(Giuseppe Giusti) <<
https://www.facebook.com/Elettronicaeelettrotecnica
<< vedi di pigliare arditamente in mano, il dizionario che ti suona in bocca,
se non altro è schietto e paesano.
(Giuseppe Giusti) <<
13 messaggi
• Pagina 1 di 2 • 1, 2
Chi c’è in linea
Visitano il forum: Nessuno e 15 ospiti

Elettrotecnica e non solo (admin)
Un gatto tra gli elettroni (IsidoroKZ)
Esperienza e simulazioni (g.schgor)
Moleskine di un idraulico (RenzoDF)
Il Blog di ElectroYou (webmaster)
Idee microcontrollate (TardoFreak)
PICcoli grandi PICMicro (Paolino)
Il blog elettrico di carloc (carloc)
DirtEYblooog (dirtydeeds)
Di tutto... un po' (jordan20)
AK47 (lillo)
Esperienze elettroniche (marco438)
Telecomunicazioni musicali (clavicordo)
Automazione ed Elettronica (gustavo)
Direttive per la sicurezza (ErnestoCappelletti)
EYnfo dall'Alaska (mir)
Apriamo il quadro! (attilio)
H7-25 (asdf)
Passione Elettrica (massimob)
Elettroni a spasso (guidob)
Bloguerra (guerra)



pigreco]=π
