Esercizio: transitorio del secondo ordine (anzi del primo..)
Moderatori:
g.schgor,
IsidoroKZ
25 messaggi
• Pagina 2 di 3 • 1, 2, 3
0
voti
Per sbaglio avevo segnato I1 =1 e quindi volevo calcolare la corrente di L1 al tempo t=0. Non so se è' corretto,ma a questo punto avevo pensato di risolvere il transitorio per 0<t<To , utilizzando come condizionale iniziale iL(0)=0. Per cui ricavata la soluzione iL(t) =K e^(-t/tau)+iLp(t) , porre questa a sistema con (diL/dt)+(R/l * iL)=R/L *I per la risoluzione di t>To
-

pietro1990
3 3 - Messaggi: 33
- Iscritto il: 8 giu 2016, 19:53
1
voti
Ritengo che la soluzione più rapida sia quella di togliere L1 e
ricavare la Eth e la Rth (applicando cioè Thevenin) agli estremi di R1.
Col circuito equivalente è infatti elementare ricavare l'andamento di iL1
nei transitori.
ricavare la Eth e la Rth (applicando cioè Thevenin) agli estremi di R1.
Col circuito equivalente è infatti elementare ricavare l'andamento di iL1
nei transitori.
0
voti
E' lo stesso se applico Norton e ricavo Ieq. ed Req?
-

pietro1990
3 3 - Messaggi: 33
- Iscritto il: 8 giu 2016, 19:53
0
voti
Potrebbe spiegarmi quali errori ho commesso?
Per t<0 ho iL(0-)=0
Per 0<t<T ho apllicato Norton. Ieq.= 0,83A ,Req=0,85A , τ=0,00058 da cui iL(t)=-0,83e^(-1724t) +0,83
Per t>T iL(t)= He^(-1724t) con t=(T+) .Per cui ho posto iL(T+)=iL(T-) -> 0,83(1-e^(-1.724)=He^(-1.724) ed ho ricavato H=3,82 per cui iL(t)= 3,82e^(-1724t)
Per t<0 ho iL(0-)=0
Per 0<t<T ho apllicato Norton. Ieq.= 0,83A ,Req=0,85A , τ=0,00058 da cui iL(t)=-0,83e^(-1724t) +0,83
Per t>T iL(t)= He^(-1724t) con t=(T+) .Per cui ho posto iL(T+)=iL(T-) -> 0,83(1-e^(-1.724)=He^(-1.724) ed ho ricavato H=3,82 per cui iL(t)= 3,82e^(-1724t)
-

pietro1990
3 3 - Messaggi: 33
- Iscritto il: 8 giu 2016, 19:53
0
voti
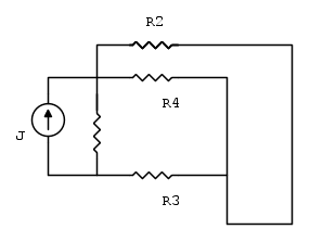
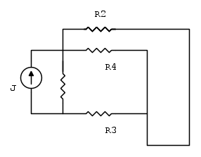
Per calcolare Ieq ho cortoircuitato il carico (L1) e tolto R1 poiché in parallelo con un cortocircuito
Poi ho calcolato Rp = R2//R4 ed Rs =Rp+R3
infine ho calcolato Ieq = J * (R5 / R5+ Rs) = 2 * (5/5+7) = 0,83 A
Poi ho calcolato Rp = R2//R4 ed Rs =Rp+R3
infine ho calcolato Ieq = J * (R5 / R5+ Rs) = 2 * (5/5+7) = 0,83 A
-

pietro1990
3 3 - Messaggi: 33
- Iscritto il: 8 giu 2016, 19:53
0
voti
Quindi non va bene la formula del partitore di corrente? Mi scusi ma non so come correggere l'errore 

-

pietro1990
3 3 - Messaggi: 33
- Iscritto il: 8 giu 2016, 19:53
25 messaggi
• Pagina 2 di 3 • 1, 2, 3
Torna a Elettrotecnica generale
Chi c’è in linea
Visitano il forum: Nessuno e 62 ospiti

Elettrotecnica e non solo (admin)
Un gatto tra gli elettroni (IsidoroKZ)
Esperienza e simulazioni (g.schgor)
Moleskine di un idraulico (RenzoDF)
Il Blog di ElectroYou (webmaster)
Idee microcontrollate (TardoFreak)
PICcoli grandi PICMicro (Paolino)
Il blog elettrico di carloc (carloc)
DirtEYblooog (dirtydeeds)
Di tutto... un po' (jordan20)
AK47 (lillo)
Esperienze elettroniche (marco438)
Telecomunicazioni musicali (clavicordo)
Automazione ed Elettronica (gustavo)
Direttive per la sicurezza (ErnestoCappelletti)
EYnfo dall'Alaska (mir)
Apriamo il quadro! (attilio)
H7-25 (asdf)
Passione Elettrica (massimob)
Elettroni a spasso (guidob)
Bloguerra (guerra)

)

